欢迎来到知嘟嘟! 联系电话:13095918853 卖家免费入驻,海量在线求购! 卖家免费入驻,海量在线求购!
知嘟嘟
我要发布
联系电话:13095918853
知嘟嘟经纪人
收藏
专利号: 2020104952752
申请人: 华侨大学
专利类型:发明专利
专利状态:已下证
专利领域: 流体压力执行机构;一般液压技术和气动技术
更新日期:2024-01-05
缴费截止日期: 暂无
价格&联系人
年费信息
委托购买

摘要:

权利要求书:

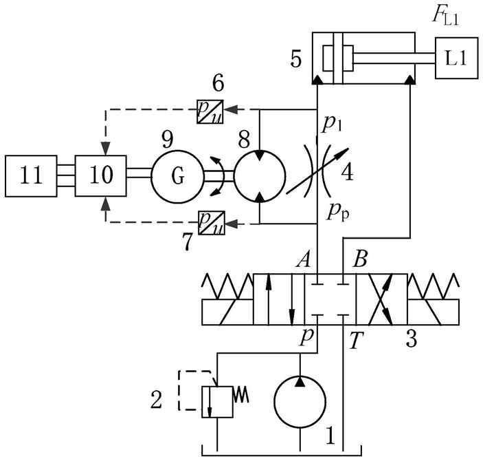
1.一种基于液压马达‑发电机压力补偿器的三通调速阀,其特征在于:包括节流阀(4)、第一压力传感器(6)、第二压力传感器(7)、液压马达(8)、发电机(9)、电机控制器(10);

所述液压马达(8)进油口与节流阀(4)进油口连接;液压马达(8)出油口与节流阀(4)出油口连接;所述第一压力传感器(6)与节流阀(4)的出油口连接;第二压力传感器(7)与节流阀(4)的进油口连接;电机控制器(10)的转矩输入端与发电机(9)连接;

通过第一压力传感器(6)与第二压力传感器(7)得到节流阀(4)的进出口压差Δp,同时也是液压马达(8)进出口压差,比较进出口压差Δp与目标控制压差;当Δp小于目标控制压差时,电机控制器(10)调节发电机(9)的转矩T增大,根据 液压马达(8)进出口压差Δp增大,进口压力Pp也相应升高;其中Vm为液压马达(8)的排量。

2.根据权利要求1所述的一种基于液压马达‑发电机压力补偿器的三通调速阀,其特征在于:还包括有液压泵(1)、溢流阀(2)、换向阀(3)、执行器(5)、蓄电池(11);

该液压泵(1)出油口与溢流阀(2)进油口连接;溢流阀(2)出油口与油箱连接;液压泵(1)出油口与换向阀(3)进油口p连接;换向阀(3)的回油口T与油箱连接;换向阀(3)的出油口A与节流阀(4)进油口连接;换向阀(3)的出油口A与液压马达(8)进油口连接;节流阀(4)出油口与执行器(5 )进油口连接;执行器(5 )出油口与换向阀(3)的出油口B连接;蓄电池(11)与电机控制器(10)的电流输出端连接。

3.根据权利要求1所述的一种基于液压马达‑发电机压力补偿器的三通调速阀,其特征在于:所述发电机(9)和液压马达(8)同轴连接。