欢迎来到知嘟嘟! 联系电话:13336804447 卖家免费入驻,海量在线求购! 卖家免费入驻,海量在线求购!
知嘟嘟
我要发布
联系电话:13336804447
知嘟嘟经纪人
收藏
专利号: 2020101042416
申请人: 重庆邮电大学
专利类型:发明专利
专利状态:已下证
专利领域: 发电、变电或配电
更新日期:2025-06-16
缴费截止日期: 暂无
价格&联系人
年费信息
委托购买

摘要:

权利要求书:

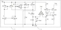
1.一种用于降压型开关电源的自适应关断时间产生电路,其特征在于,包括:正比输入电压的电流产生电路(1)及自适应关断时间产生核心电路(2),其中,所述正比输入电压的电流产生电路(1)的信号输出端与所述自适应关断时间产生核心电路(2)的信号输入端相连,所述正比输入电压的电流产生电路(1)为所述自适应关断时间产生核心电路(2)提供偏置信号。

2.根据权利要求1所述的一种用于降压型开关电源的自适应关断时间产生电路,其特征在于,所述正比输入电压的电流产生电路(1)包括:NMOS管M1、NMOS管M2、PMOS管M3、PMOS管M4、PMOS管M5、PMOS管M6、电阻R1、电阻R2及放大器A1,其中PMOS管M3的源极分别与PMOS管M4的源极、电阻R1的一端、PMOS管M5的源极、PMOS管M6的源极及输入端Vin相连,PMOS管M3的栅极分别与PMOS管M4的栅极、PMOS管M3的漏极以及NMOS管M1的漏极相连,NMOS管M1的源极分别与NMOS管M2的源极及与外部地GND相连,PMOS管M4的漏极分别与PMOS管M6的漏极以及PMOS管M7的源极相连,电阻R1的另一端分别与放大器A1的输出端、放大器A1的反相输入端、NMOS管M2的漏极、NMOS管M2的栅极以及NMOS管M1的栅极相连,PMOS管M5的栅极分别与PMOS管M6的栅极、PMOS管M5的漏极、放大器A1的同相输入端以及电阻R2的一端相连,电阻R2的另一端与外部地GND相连。

3.根据权利要求2所述的一种用于降压型开关电源的自适应关断时间产生电路,其特征在于,所述正比输入电压的电流产生电路(1)中,所有MOS管均工作在饱和区,放大器A1为单位增益负反馈连接,放大器A1增益Ad>>1,二极管连接PMOS管M5与电阻R2串联来采样输入电压Vin,NMOS管M1与NMOS管M2具有相同的沟道宽长比,PMOS管M3与PMOS管M4具有相同的沟道宽长比,PMOS管M5与PMOS管M6具有相同的沟道宽长比,电阻R1与电阻R2具有相同的阻值,则PMOS管M4的漏极电流ID4与PMOS管M6的漏极电流ID6有ID4+ID6=Vin/R1,其中Vin为输入端Vin的电压,R1为电阻R1的阻值。

4.根据权利要求1-3之一所述的一种用于降压型开关电源的自适应关断时间产生电路,其特征在于,所述自适应关断时间产生核心电路(2)包括:PMOS管M7、NMOS管M8、PMOS管M9、PMOS管M10、NMOS管M11、NMOS管M12、电容C1、电阻R3、电阻R4、电阻R5以及比较器CMP,其中PMOS管M7的栅极与偏置信号端Vb相连,PMOS管M7的漏极分别与电容C1的一端、NMOS管M8的漏极以及比较器CMP的同相输入端相连,电容C1的另一端分别与NMOS管M8的源极以及外部地GND相连,NMOS管M8的栅极与信号端Vlout相连,电阻R5的一端与输入端Vin相连,电阻R5的另一端与PMOS管M9的源极相连,PMOS管M9的栅极分别与PMOS管M10的栅极、PMOS管M9的漏极以及NMOS管M11的漏极相连,PMOS管M10的源极与降压型开关电源的输出端Vout相连,PMOS管M10的漏极分别与NMOS管M12的漏极、NMOS管M12的栅极以及NMOS管M11的栅极相连,NMOS管M12的源极与电阻R4的一端相连,电阻R4的另一端分别与电阻R3的一端以及外部地GND相连,电阻R3的另一端分别与NMOS管M11的源极以及比较器CMP的反相输入端相连,比较器CMP的输出端与输出端Vlin相连。

5.根据权利要求4所述的一种用于降压型开关电源的自适应关断时间产生电路,其特征在于,所述自适应关断时间产生核心电路(2)中,PMOS管M7的漏极电流ID7有ID7=Vin/R1,电流ID7对电容C1进行充电,比较器CMP的同相输入端电压VP有VP=(VinToff)/(R1C1),其中Toff为关断时间,Vin为输入端Vin的电压,R1为电阻R1的阻值,C1为电容C1的电容值;PMOS管M9、PMOS管M10、NMOS管M11、NMOS管M12均工作在饱和区,PMOS管M9与PMOS管M10构成电流镜具有相同的沟道宽长比,NMOS管M11与NMOS管M12构成电流镜具有相同的沟道宽长比,电阻R3与电阻R4具有相同的阻值,PMOS管M11的漏极电流ID11为ID11=(Vin-Vout)/R5,其中R5为电阻R5的阻值,Vout为降压型开关电源输出端Vout的电压;PMOS管M11的漏极电流ID11与Vin-Vout成正比。

6.根据权利要求5所述的一种用于降压型开关电源的自适应关断时间产生电路,其特征在于,所述自适应关断时间产生核心电路(2)中,比较器CMP的反相输入端电压VN为VN=(Vin-Vout)R3/R5,其中R3与R5分别为电阻R3与电阻R5的阻值,Vin为输入端Vin的电压,Vout为降压型开关电源输出端Vout的电压;当比较器CMP同相输入端电压VP上升到比较器CMP反相输入端电压VN时即VP=VN时比较器CMP输出翻转,关断时间Toff有 其中R1为电阻R1的阻值,C1为电容C1的电容值,电路的关断时间Toff跟随电压Vin、电压Vout的变化而变化进而实现自适应调整;降压型开关电源转换器的占空比D有D=Vout/Vin,则开关频率fsw为 开关频率fsw仅与电阻R1、电阻R3、电阻R5的阻值以及电容C1

的电容值有关。