欢迎来到知嘟嘟! 联系电话:13336804447 卖家免费入驻,海量在线求购! 卖家免费入驻,海量在线求购!
知嘟嘟
我要发布
联系电话:13336804447
知嘟嘟经纪人
收藏
专利号: 2017102821976
申请人: 广东工业大学
专利类型:发明专利
专利状态:已下证
专利领域: 发电、变电或配电
更新日期:2024-12-25
缴费截止日期: 暂无
价格&联系人
年费信息
委托购买

摘要:

权利要求书:

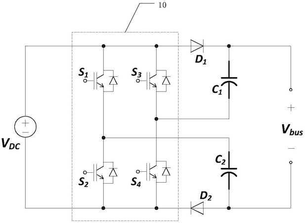
1.一种多电平功率变换电路,其特征在于,包括第一全桥电路、第一二极管、第二二极管、第一电容器和第二电容器;所述第一全桥电路包括第一全控开关、第二全控开关、第三全控开关和第四全控开关;所述第一二极管的阳极分别与所述第一全控开关的第一端和所述第三全控开关的第一端以及输入电源的正极连接,所述第一二极管的阴极与所述第一电容器的正极连接;所述第一电容器的负极分别与所述第三全控开关的第二端和所述第四全控开关的第一端连接;所述第二二极管的阴极分别与所述第二全控开关的第二端和所述第四全控开关的第二端以及所述输入电源的负极连接,所述第二二极管的阳极与第二电容器的负极连接;所述第二电容器的正极分别与所述第一全控开关的第二端和所述第二全控开关的第一端连接;其中,所述第一全控开关、所述第二全控开关、所述第三全控开关和所述第四全控开关的控制端分别通过驱动电路与控制器相连。2.根据权利要求1所述的多电平功率变换电路,其特征在于,还包括第一谐振电感器和第二谐振电感器,所述第一谐振电感器的第一端与所述第三全控开关的第二端和所述第四全控开关的第一端连接,所述第一谐振电感器的第二端与所述第一电容器的负极连接;所述第二谐振电感器的第一端与所述第一全控开关的第二端和所述第二全控开关的第一端连接,所述第二谐振电感器的第二端与所述第二电容器的正极连接。3.根据权利要求1所述的多电平功率变换电路,其特征在于,还包括第二全桥电路,所述第二全桥电路包括第五全控开关、第六全控开关、第七全控开关和第八全控开关;所述第五全控开关的第一端与所述第七全控开关的第一端分别与所述第一电容器的正极连接,所述第六全控开关的第二端与所述第八全控开关的第二端分别与所述第二电容器的负极连接,所述第七全控开关的第二端与所述第八全控开关的第一端连接并作为正输出端,所述第五全控开关的第二端与所述第六全控开关的第一端连接并作为负输出端。4.根据权利要求3所述的多电平功率变换电路,其特征在于,所述第五全控开关、所述第六全控开关、所述第七全控开关和所述第八全控开关为N沟道电力场效应晶体管。5.根据权利要求3所述的多电平功率变换电路,其特征在于,所述第五全控开关、所述第六全控开关、所述第七全控开关和所述第八全控开关为P沟道电力场效应晶体管。6.根据权利要求3所述的多电平功率变换电路,其特征在于,所述第五全控开关、所述第六全控开关、所述第七全控开关和所述第八全控开关为绝缘栅双极型晶体管。7.根据权利要求1-6任意一项所述的多电平功率变换电路,其特征在于,所述第一全控开关、所述第二全控开关、所述第三全控开关和所述第四全控开关为N沟道电力场效应晶体管。8.根据权利要求1-6任意一项所述的多电平功率变换电路,其特征在于,所述第一全控开关、所述第二全控开关、所述第三全控开关和所述第四全控开关为P沟道电力场效应晶体管。9.根据权利要求1-6任意一项所述的多电平功率变换电路,其特征在于,所述第一全控开关、所述第二全控开关、所述第三全控开关和所述第四全控开关为绝缘栅双极型晶体管。10.一种多电平功率变换系统,其特征在于,包括n个权利要求3-6任意一项所述的多电平功率变换电路,所述多电平功率变换电路依次串联,用于将n个直流电源的电压转换为多电平交流电,n为大于1的正整数;

其中,第k个所述多电平功率变换电路的负输出端与第k+1个所述多电平功率变换电路的正输出端连接,第1个所述多电平功率变换电路的正输出端为系统正输出端,第n个所述多电平功率变换电路的负输出端为系统负输出端;k为大于等于1且小于n的整数。