欢迎来到知嘟嘟! 联系电话:13336804447 卖家免费入驻,海量在线求购! 卖家免费入驻,海量在线求购!
知嘟嘟
我要发布
联系电话:13336804447
知嘟嘟经纪人
收藏
专利号: 201911163172X
申请人: 浙江工业大学
专利类型:发明专利
专利状态:已下证
专利领域: 发电、变电或配电
更新日期:2023-12-11
缴费截止日期: 暂无
价格&联系人
年费信息
委托购买

摘要:

权利要求书:

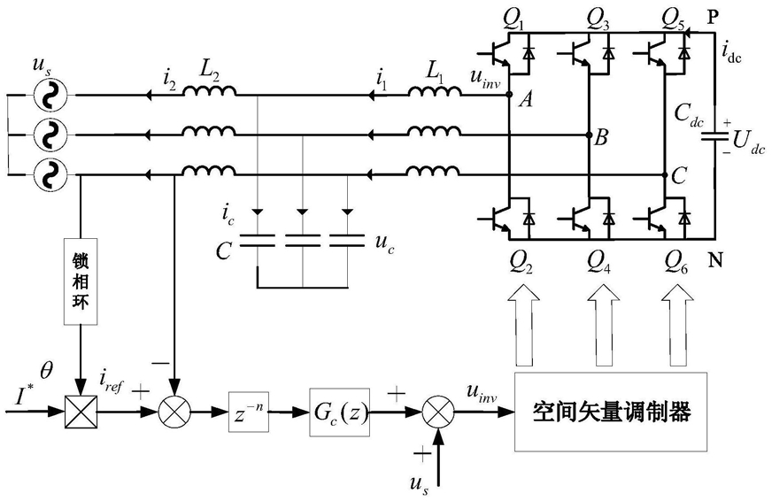
1.一种适用于LCL型并网逆变器的网侧单环延时反馈控制方法,其特征在于,所述方法包括以下步骤:a.电流控制器参考值获取

电网电压us经过锁相环得到电网电压的相位信息θ,与电网电流的幅值I*合成得网侧电流控制参考值iref;

b.网侧单环延迟反馈控制

步骤a得到的网侧电流控制参考值iref和电流传感器所采集的网侧电流i2的差值经过延迟反馈环节,得到新的网侧电流c.逆变器侧电压参考值获取

步骤b所得的 经电流控制器Gc(z),得到逆变器侧电压参考值uinv;

d.逆变器侧电压输出

将步骤c获取的逆变器侧电压参考值uinv作为并网逆变器的控制信号,经过空间矢量调制器,从而控制IGBT管开通与关断,产生逆变器侧电压。

2.如权利要求1所述的一种适用于LCL型并网逆变器的网侧单环延时反馈控制方法,其特征在于,所述的网侧单环延时反馈控制方法的z域下的闭环传递函数 为:其中Gc(z)为电流控制器,采用PI控制,对基波有较好的追踪能力, 为网侧开环传递函数,z-n为延迟环节。

3.如权利要求2所述的一种适用于LCL型并网逆变器的网侧单环延时反馈控制方法,其特征在于,所述网侧开环传递函数 为:其中,Ts为采样周期,L1为逆变器侧电感,L2为网侧电感,ωres为LCL滤波器的谐振角频率,由公式 求得,C为滤波电容,令Gc(z)=K,则系统的闭环特征方程D(z)为,对z域下的闭环特征方程进行w变换,为确保系统稳定,w变换后,所有的特征根应该落在左半平面,应用劳斯稳定判据可知,延迟环节中n的取值范围满足下式,其中,是系统的相位裕度,取值在30°至60°,λ是系统滞后延迟,取1,为了最大范围的提高系统稳定性,延迟环节z-n中的n取其平均值,即 其中,nmax是n取值范围内的最大值,nmin是n取值范围内的最小值。