欢迎来到知嘟嘟! 联系电话:13336804447 卖家免费入驻,海量在线求购! 卖家免费入驻,海量在线求购!
知嘟嘟
我要发布
联系电话:13336804447
知嘟嘟经纪人
收藏
专利号: 201910614350X
申请人: 江苏师范大学
专利类型:发明专利
专利状态:已下证
专利领域: 发电、变电或配电
更新日期:2024-04-22
缴费截止日期: 暂无
价格&联系人
年费信息
委托购买

摘要:

权利要求书:

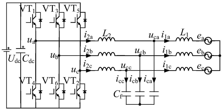
1.一种基于多变量预测的LCL并网逆变器FCS-MPC控制方法,其特征在于,所述控制方法具体包括如下步骤:

S1:根据LCL并网逆变器在αβ坐标系下的数学模型,建立基于网侧电流、逆变器侧电流和电容电压多变量模型的预测数学模型;

S2:通过所述基于网侧电流、逆变器侧电流和电容电压多变量模型的预测数学模型,构建基于网侧电流、逆变器侧电流和电容电压的价值评价函数,具体为:其中:J为价值评价函数,λi1(k+2)为αβ坐标系下的网侧电流在第k+2个采样周期的预测值的权重系数,λuc(k+2)为αβ坐标系下的交流滤波电容电压在第k+2个采样周期的预测值的权重系数, 为αβ坐标系下的网侧给定电流在第k+2个采样周期的α分量,i1α(k+2)为αβ坐标系下的网侧实际电流在第k+2个采样周期的α分量, 为αβ坐标系下的网侧给定电流在第k+2个采样周期的β分量,i1β(k+2)为αβ坐标系下的网侧实际电流在第k+2个采样周期的β分量, 为αβ坐标系下的交流滤波电容电压在第k+2个采样周期的给定电压α分量,ucα(k+2)为αβ坐标系下的交流滤波电容电压在第k+2个采样周期的实际电压α分量, 为αβ坐标系下的交流滤波电容电压在第k+2个采样周期的给定电压β分量,ucβ(k+2)为αβ坐标系下的交流滤波电容电压在第k+2个采样周期的实际电压β分量,为αβ坐标系下的逆变器侧给定电流在第k+2个采样周期的α分量,i2α(k+2)为αβ坐标系下的逆变器侧实际电流在第k+2个采样周期的α分量, 为αβ坐标系下的逆变器侧给定电流在第k+2个采样周期的β分量,i2β(k+2)为αβ坐标系下的逆变器侧实际电流在第k+2个采样周期的β分量;

S3:根据开关在当前采样周期内的作用矢量,获取开关在下一个采样周期内的所有作用矢量,通过所述价值评价函数,确定出开关在下一个采样周期内的开关状态。

2.根据权利要求1所述的一种基于多变量预测的LCL并网逆变器FCS-MPC控制方法,其特征在于,所述步骤S1建立基于网侧电流、逆变器侧电流和电容电压多变量模型的预测数学模型,具体如下:S1.1:根据基尔霍夫电压和电流定律,确定出LCL并网逆变器在αβ坐标系下的数学模型,具体为:

其中:uαβ(k)为αβ坐标系下在第k个采样周期的逆变器侧电压,ucαβ(k)为αβ坐标系下在第k个采样周期的交流滤波电容电压,i2αβ(k)为αβ坐标系下在第k个采样周期的逆变器侧电流,L1为网侧电感,L2为逆变器侧电感,i1αβ(k)为αβ坐标系下在第k个采样周期的网侧电流,eαβ(k)为αβ坐标系下在第k个采样周期的网侧电压,Cf为交流滤波电容,t为时间常数;

S1.2:根据所述LCL并网逆变器在αβ坐标系下的数学模型,确定出αβ坐标系下的网侧电流在第k+1个采样周期的预测值、αβ坐标系下的逆变器侧电流在第k+1个采样周期的预测值、αβ坐标系下的交流滤波电容电压在第k+1个采样周期的预测值,具体为:其中:Δi2αβ(k+1)=i2αβ(k+1)-i2αβ(k),Δucαβ(k+1)=ucαβ(k+1)-ucαβ(k)i1αβ(k+1)为αβ坐标系下的网侧电流在第k+1个采样周期的预测值,i2αβ(k+1)为αβ坐标系下的逆变器侧电流在第k+1个采样周期的预测值,ucαβ(k+1)为αβ坐标系下的交流滤波电容电压在第k+1个采样周期的预测值,i1αβ(k)为αβ坐标系下在第k个采样周期的网侧电流,i2αβ(k)为αβ坐标系下在第k个采样周期的逆变器侧电流,ucαβ(k)为αβ坐标系下在第k个采样周期的交流滤波电容电压,uαβ(k+1)为αβ坐标系下的逆变器侧电压在第k+1个采样周期的预测值,eαβ(k)为αβ坐标系下在第k个采样周期的网侧电压,Ts为离散化采样周期,L1为网侧电感,L2为逆变器侧电感,Cf为交流滤波电容;

S1.3:根据所述αβ坐标系下的网侧电流在第k+1个采样周期的预测值、αβ坐标系下的逆变器侧电流在第k+1个采样周期的预测值、αβ坐标系下的交流滤波电容电压在第k+1个采样周期的预测值,建立基于网侧电流、逆变器侧电流和电容电压多变量模型的预测数学模型,具体为:其中:Δucαβ(k+2)=ucαβ(k+2)-ucαβ(k+1),Δi2αβ(k+2)=i2αβ(k+2)-i2αβ(k+1)i1αβ(k+2)为αβ坐标系下的网侧电流在第k+2个采样周期的预测值,i2αβ(k+2)为αβ坐标系下的逆变器侧电流在第k+2个采样周期的预测值,ucαβ(k+2)为αβ坐标系下的交流滤波电容电压在第k+2个采样周期的预测值,uαβ(k+2)为αβ坐标系下的逆变器侧电压在第k+2个采样周期的预测值,i1αβ(k+1)为αβ坐标系下的网侧电流在第k+1个采样周期的预测值,i2αβ(k+

1)为αβ坐标系下的逆变器侧电流在第k+1个采样周期的预测值,ucαβ(k+1)为αβ坐标系下的交流滤波电容电压在第k+1个采样周期的预测值,eαβ(k+1)为αβ坐标系下的网侧电压在第k+

1个采样周期的预测值,Ts为离散化采样周期,L1为网侧电感,L2为逆变器侧电感,Cf为交流滤波电容。

3.根据权利要求1所述的一种基于多变量预测的LCL并网逆变器FCS-MPC控制方法,其特征在于,αβ坐标系下的网侧给定电流由直流母线电压经PI调节器输出后,经过dq/αβ变换获取得到。

4.根据权利要求1或3所述的一种基于多变量预测的LCL并网逆变器FCS-MPC控制方法,其特征在于,αβ坐标系下的网侧实际电流的微分方程,具体为:其中:Δi1αβ(k+1)=i1αβ(k+1)-i1αβ(k)

i1αβ(k+1)为αβ坐标系下的网侧电流在第k+1个采样周期的预测值,i1αβ(k)为αβ坐标系下在第k个采样周期的网侧电流,t为时间常数,Ts为离散化采样周期。

5.根据权利要求1或2所述的一种基于多变量预测的LCL并网逆变器FCS-MPC控制方法,其特征在于,所述步骤S3确定出开关在下一个采样周期内的开关状态,具体如下:S3.1:根据开关在当前采样周期内的作用矢量,确定出开关在下一个采样周期内能选择的所有作用矢量;

S3.2:根据开关在下一个采样周期内的能选择的所有作用矢量,获取所述各个作用矢量对应的αβ坐标系下的网侧电流在第k+1个采样周期的预测值、αβ坐标系下的逆变器侧电流在第k+1个采样周期的预测值、αβ坐标系下的交流滤波电容电压在第k+1个采样周期的预测值;

将所述各个作用矢量对应的αβ坐标系下在第k+1个采样周期的预测值代入基于网侧电流、逆变器侧电流和电容电压多变量模型的预测数学模型中,获取各个作用矢量对应的αβ坐标系下的网侧电流在第k+2个采样周期的预测值、逆变器侧电流在第k+2个采样周期的预测值、交流滤波电容电压在第k+2个采样周期的预测值;

S3.3:将各个作用矢量对应的αβ坐标系下的网侧电流在第k+2个采样周期的预测值、逆变器侧电流在第k+2个采样周期的预测值、交流滤波电容电压在第k+2个采样周期的预测值,依次代入所述价值评价函数中,获取所述各个作用矢量对应的价值评价函数值;

S3.4:比较所述各个作用矢量对应的价值评价函数值,确定出最小的价值评价函数值对应的作用矢量,该作用矢量对应的开关状态即为开关在下一个采样周期内的开关状态。

6.根据权利要求5所述的一种基于多变量预测的LCL并网逆变器FCS-MPC控制方法,其特征在于,在步骤S3.1中,根据开关在当前采样周期内的作用矢量,确定出开关在下一个采样周期内能选择的所有作用矢量,具体为:开关在当前采样周期内的作用矢量为:000,则开关在下一个采样周期内能选择的所有作用矢量为:100、010、001;

开关在当前采样周期内的作用矢量为:100,则开关在下一个采样周期内能选择的所有作用矢量为:110、101、000;

开关在当前采样周期内的作用矢量为:110,则开关在下一个采样周期内能选择的所有作用矢量为:100、010、111;

开关在当前采样周期内的作用矢量为:010,则开关在下一个采样周期内能选择的所有作用矢量为:110、011、000;

开关在当前采样周期内的作用矢量为:011,则开关在下一个采样周期内能选择的所有作用矢量为:010、001、111;

开关在当前采样周期内的作用矢量为:001,则开关在下一个采样周期内能选择的所有作用矢量为:011、101、000;

开关在当前采样周期内的作用矢量为:101,则开关在下一个采样周期内能选择的所有作用矢量为:001、100、111;

开关在当前采样周期内的作用矢量为:111,则开关在下一个采样周期内能选择的所有作用矢量为:110、011、101。