欢迎来到知嘟嘟! 联系电话:13336804447 卖家免费入驻,海量在线求购! 卖家免费入驻,海量在线求购!
知嘟嘟
我要发布
联系电话:13336804447
知嘟嘟经纪人
收藏
专利号: 2019106926482
申请人: 中国矿业大学
专利类型:发明专利
专利状态:已下证
专利领域: 发电、变电或配电
更新日期:2024-01-05
缴费截止日期: 暂无
价格&联系人
年费信息
委托购买

摘要:

权利要求书:

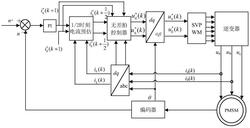
1.一种永磁同步电机低载波比无差拍控制系统,其特征是,包括永磁同步电机、编码器、abc-dq坐标转换单元、转速外环PI控制器、1/2时刻电流预估单元、电流无差拍控制器、dq-αβ坐标转换单元、SVPWM调制模块、逆变器;

所述编码器用于获取永磁同步电机的转子位置角θ以及永磁同步电机的实时转速n;

所述abc-dq坐标转换单元将输入的k时刻采集永磁同步电机的定子的AB相实时电流ia(k)、ib(k)以及所述电机转子位置角θ,通过计算得到定子电流在d-q轴的分量id(k)、iq(k);

所述转速外环PI控制器通过在k时刻输入永磁同步电机给定转速n*和实时转速n计算下一时刻的q轴给定电流所述1/2时刻电流预估单元通过下一时刻定子电流给定 以及k时刻采集的实时定子电流d-q轴分量id(k)、iq(k),计算出 时刻d-q轴电流分量所述电流无差拍控制器通过在k时刻输入下一时刻定子电流给定 以及k时刻采集的实时定子电流d-q轴分量id(k)、iq(k)和1/2时刻预估电流计算出d-q轴电压命令

所述dq-αβ坐标转换单元通过输入所述d-q轴电压命令 以及电机转子位置角θ计算得到α-β轴电压命令

所述SVPWM调制模块根据输入的所述α-β轴电压命令 计算出此时逆变器开关控制信号;

所述逆变器用于根据所述开关控制信号生成控制永磁同步电机的定子电压。

2.根据权利要求1所述的一种永磁同步电机低载波比无差拍控制系统,其特征是,所述abc-dq坐标转换单元的转换方程为: 式中,θe为定子电流矢量到α轴角度,θ为转子位置角,np为永磁同步电机极对数。

3.根据权利要求1所述的一种永磁同步电机低载波比无差拍控制系统,其特征是,所述

1/2时刻电流预估单元的数学模型为

式中,Ts为系统采样周期,τs为永磁同步电机电磁时间常数,ωe(k)为k时刻采集的电机转速, 为k+1时刻参考定子电流d-q轴分量,Id(k)、Iq(k)分别为k时刻采集定子电流d-q轴分量。

4.根据权利要求1所述的一种永磁同步电机低载波比无差拍控制系统,其特征是,所述电流无差拍控制器包括电流预测模型模块和电流误差解耦积分补偿模块;

所述电流预测模型模块的数学模型为命令电压方程,命令电压方程的输入为下一时刻参考定子电流 以及本时刻采集的实时定子电流id(k)、iq(k)和1/2时刻预估电流 输出为d-q轴预测模型命令电压udpre(k)、uqpre(k);

所述电流误差解耦积分模块是通过在k时刻,将下一时刻给定定子电流d-q轴分量分别减去该时刻采集的实时定子电流id(k)、iq(k),得到d-q轴定子电流误差Δid(k),Δiq(k),再去除dq轴电流误差间的耦合成分,将解耦后得到的电流误差经过积分调节器,输出d-q轴补偿电压udcom(k)、uqcom(k)。

5.根据权利要求1所述的一种永磁同步电机低载波比无差拍控制系统,其特征是,所述dq-αβ坐标转换单元的转换方程如下: 式中,θe为定子电流矢量到α轴角度,θ为转子位置角,np为永磁同步电机极对数。

6.根据权利要求4所述的一种永磁同步电机低载波比无差拍控制系统,其特征是,所述命令电压方程为 其中,式中,Rs为永磁同步电机定子电阻,ψf为永磁同步电机转子永磁体磁链, 分别为命令电压d-q轴分量, 为k+1时刻参考定子电流d-q轴分量,Id(k)、Iq(k)分别为k时刻采集定子电流d-q轴分量, 为1/2时刻的预估电流。

7.一种基于权利要求1-6任意一项所述的永磁同步电机低载波比无差拍控制系统的控制方法,其特征是,包括如下步骤:步骤1)在k时刻,所述编码器获取电机转速n和转子位置角θ;

步骤2)在k时刻,输入给定转速n*和采集电机转速n到转速外环PI控制器中,经过计算输出下一时刻参考定子电流q轴分量步骤3)在k时刻,将转子位置角θ和采集的AB相定子电流ia(k)、ib(k)输入到abc-dq坐标转换单元,输出本时刻采集的实时定子电流d-q轴分量id(k)、iq(k);

步骤4)在k时刻,将下一时刻定子电流给定 以及k时刻采集的实时定子电流d-q轴分量id(k)、iq(k)输入到1/2时刻电流预估单元,得到1/2时刻的预估电流步骤5)在k时刻,将下一时刻定子电流给定 以及k时刻采集的实时定子电流d-q轴分量id(k)、iq(k)和1/2时刻预估电流 输入电流无差拍控制器,计算出d-q轴电压命令

步骤6)将步骤5)中所述d-q轴命令电压 以及转子位置角θ输入到所述dq-αβ坐标转换单元输出命令电压α-β轴分量步骤7)将步骤6)中所述命令电压α-β轴分量 输入到所述SVPWM调制模块,得到控制逆变器的开关控制信号;

步骤8)所述逆变器接收到步骤9)中的开关控制信号生产永磁同步电机定子电压。

8.根据权利要求7所述的一种永磁同步电机低载波比无差拍控制方法,其特征是,步骤

5)包括:

步骤5.1)将下一时刻参考定子电流d轴分量 按id=0控制策略设为0输入到无差拍控制器中的电流预测模型模块,与此同时,将转速外环输出的下一时刻参考定子电流q轴分量 以及实时定子电流id(k)、iq(k)和1/2时刻的预估电流 输入到电流预测模型模块中,6个变量代入到电流预测模型模块中的命令电压方程计算得到d-q轴预测模型命令电压udpre(k)、uqpre(k);

步骤5.2)在k时刻,将下一时刻给定定子电流d轴分量 减去实时定子电流id(k),将其与q轴电流误差之间的耦合成分去除,经过积分调节器,输出d轴补偿电压udcom(k);

步骤5.3)在k时刻,将下一时刻参考定子电流q轴分量 减去实时定子电流iq(k),将其与d轴电流误差之间的耦合成分去除,经过积分调节器,输出q轴补偿电压uqcom(k);

步骤5.4)将udpre(k)、uqpre(k)分别与udcom(k)、uqcom(k)相加,输出d-q轴命令电压