欢迎来到知嘟嘟! 联系电话:13095918853 卖家免费入驻,海量在线求购! 卖家免费入驻,海量在线求购!
知嘟嘟
我要发布
联系电话:13095918853
知嘟嘟经纪人
收藏
专利号: 2019104296074
申请人: 山东理工大学
专利类型:发明专利
专利状态:已下证
专利领域: 一般车辆
更新日期:2023-10-16
缴费截止日期: 暂无
价格&联系人
年费信息
委托购买

摘要:

权利要求书:

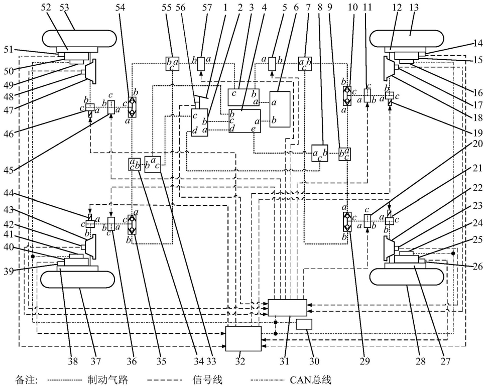
1.一种基于叠加式单向阀和线性排气电磁阀的四轮分布驱动电动车制动能量回收系统,其特征在于:

由制动踏板(1)、制动阀(2)、副储气罐(3)、主储气罐(4)、后驱动轴开关电磁阀(5)、空气压缩机(6)、第一三通阀(7)、后驱动轴继动阀(8)、第二三通阀(9)、后右驱动车轮叠加式单向阀(10)、后右驱动车轮线性排气电磁阀(11)、后右驱动车轮轮速传感器(14)、后右驱动车轮驱动电机及传动装置(15)、后右驱动车轮驱动电机控制器(16)、后右驱动车轮制动压力传感器(17)、后右驱动车轮制动气室(18)、后右驱动车轮ABS电磁阀(19)、后左驱动车轮线性排气电磁阀(20)、后左驱动车轮ABS电磁阀(21)、后左驱动车轮制动气室(22)、后左驱动车轮制动压力传感器(23)、后左驱动车轮驱动电机控制器(24)、后左驱动车轮驱动电机及传动装置(25)、后左驱动车轮轮速传感器(26)、后左驱动车轮叠加式单向阀(29)、电池管理系统(30)、整车控制器(31)、制动控制器(32)、前驱动轴继动阀(33)、第三三通阀(34)、前左驱动车轮叠加式单向阀(35)、前左驱动车轮线性排气电磁阀(36)、前左驱动车轮轮速传感器(39)、前左驱动车轮驱动电机及传动装置(40)、前左驱动车轮驱动电机控制器(41)、前左驱动车轮制动压力传感器(42)、前左驱动车轮制动气室(43)、前左驱动车轮ABS电磁阀(44)、前右驱动车轮线性排气电磁阀(45)、前右驱动车轮ABS电磁阀(46)、前右驱动车轮制动气室(47)、前右驱动车轮制动压力传感器(48)、前右驱动车轮驱动电机控制器(49)、前右驱动车轮驱动电机及传动装置(50)、前右驱动车轮轮速传感器(51)、前右驱动车轮叠加式单向阀(54)、第四三通阀(55)、制动踏板位移传感器(56)、前驱动轴开关电磁阀(57)组成;

空气压缩机(6)的出气端口b与主储气罐(4)进气端口a通过气路连接,空气压缩机(6)的出气端口a与副储气罐(3)的进气端口a通过气路连接;

制动阀(2)的进气端口a与主储气罐(4)的出气端口d通过气路相连,制动阀(2)的进气端口b与主储气罐(4)的出气端口c通过气路相连,制动阀(2)的出气端口c与前驱动轴继动阀(33)的控制端口c通过气路相连,制动阀(2)的出气端口d与后驱动轴继动阀(8)的控制端口c通过气路相连;

副储气罐(3)的出气端口b通过气路与后驱动轴开关电磁阀(5)的进气端口a相连,后驱动轴开关电磁阀(5)的出气端口b与第一三通阀(7)的进气端口a通过气路相连,第一三通阀(7)的出气端口b通过气路与后右驱动车轮叠加式单向阀(10)的进气端口b相连,第一三通阀(7)的出气端口c通过气路与后左驱动车轮叠加式单向阀(29)的进气端口b相连;

后驱动轴继动阀(8)的端口a与主储气罐(4)的出气端口e通过气路相连,后驱动轴继动阀(8)的端口b通过气路与第二三通阀(9)的端口b相连;

第二三通阀(9)的端口a与后右驱动车轮叠加式单向阀(10)的进气端口a通过气路相连,后右驱动车轮叠加式单向阀(10)的出气端口c通过气路与后右驱动车轮线性排气电磁阀(11)的端口a相连,后右驱动车轮线性排气电磁阀(11)的端口b与后右驱动车轮ABS电磁阀(19)的进气端口a通过气路相连,后右驱动车轮ABS电磁阀(19)的进气端口b与后右驱动车轮制动气室(18)通过气路相连;

后右驱动车轮制动气室(18)上安装有后右驱动车轮制动压力传感器(17);

第二三通阀(9)的端口c与后左驱动车轮叠加式单向阀(29)的进气端口a通过气路相连,后左驱动车轮叠加式单向阀(29)的出气端口c通过气路与后左驱动车轮线性排气电磁阀(20)的端口a相连,后左驱动车轮线性排气电磁阀(20)的端口b与后左驱动车轮ABS电磁阀(21)的进气端口a通过气路相连,后左驱动车轮ABS电磁阀(21)的进气端口b与后左驱动车轮制动气室(22)通过气路相连;

后左驱动车轮制动气室(22)上安装有后左驱动车轮制动压力传感器(23);

副储气罐(3)的出气端口c通过气路与前驱动轴开关电磁阀(57)的进气端口a相连,前驱动轴开关电磁阀(57)的出气端口b与第四三通阀(55)的进气端口a通过气路相连,第四三通阀(55)的出气端口b通过气路与前右驱动车轮叠加式单向阀(54)的进气端口b相连,第四三通阀(55)的出气端口c通过气路与前左驱动车轮叠加式单向阀(35)的进气端口b相连;

前驱动轴继动阀(33)的端口a与主储气罐(4)的出气端口b通过气路相连,前驱动轴继动阀(33)的端口b通过气路与第三三通阀(34)的端口b相连;

第三三通阀(34)的端口a与前右驱动车轮叠加式单向阀(54)的进气端口a通过气路相连,前右驱动车轮叠加式单向阀(54)的出气端口c通过气路与前右驱动车轮线性排气电磁阀(45)的端口a相连,前右驱动车轮线性排气电磁阀(45)的端口b与前右驱动车轮ABS电磁阀(46)的进气端口a通过气路相连,前右驱动车轮ABS电磁阀(46)的进气端口b与前右驱动车轮制动气室(47)通过气路相连;

前右驱动车轮制动气室(47)上安装有前右驱动车轮制动压力传感器(48);

第三三通阀(34)的端口c与前左驱动车轮叠加式单向阀(35)的进气端口a通过气路相连,前左驱动车轮叠加式单向阀(35)的出气端口c通过气路与前左驱动车轮线性排气电磁阀(36)的端口a相连,前左驱动车轮线性排气电磁阀(36)的端口b与前左驱动车轮ABS电磁阀(44)的进气端口a通过气路相连,前左驱动车轮ABS电磁阀(44)的进气端口b与前左驱动车轮制动气室(43)通过气路相连;

前左驱动车轮制动气室(43)上安装有前左驱动车轮制动压力传感器(42);

后右驱动车轮轮速传感器(14)、后左驱动车轮轮速传感器(26)、前左驱动车轮轮速传感器(39)、前右驱动车轮轮速传感器(51)通过信号线与制动控制器(32)相连;

后右驱动车轮ABS电磁阀(19)、后左驱动车轮ABS电磁阀(21)、前左驱动车轮ABS电磁阀(44)、前右驱动车轮ABS电磁阀(46)通过信号线与制动控制器(32)相连;

后驱动轴开关电磁阀(5)、后右驱动车轮线性排气电磁阀(11)、后左驱动车轮线性排气电磁阀(20)、前左驱动车轮线性排气电磁阀(36)、前右驱动车轮线性排气电磁阀(45)、后右驱动车轮制动压力传感器(17)、后左驱动车轮制动压力传感器(23)、前右驱动车轮制动压力传感器(48)、前左驱动车轮制动压力传感器(42)、制动踏板位移传感器(56)和前驱动轴开关电磁阀(57)通过信号线与整车控制器(31)相连;

后右驱动车轮驱动电机控制器(16)、后左驱动车轮驱动电机控制器(24)、前左驱动车轮驱动电机控制器(41)、前右驱动车轮驱动电机控制器(49)、电池管理系统(30)、整车控制器(31)和制动控制器(32)通过CAN总线相连。

2.根据权利要求1所述的基于叠加式单向阀和线性排气电磁阀的四轮分布驱动电动车制动能量回收系统,整车控制器(31)基于制动控制器(32)通过CAN总线输出的车速、制动踏板位移传感器(56)输出的踏板位移信号、电池管理系统(30)通过CAN总线输出的电池允许最大充电电流,后右驱动车轮驱动电机控制器(16)通过CAN总线输出的后右驱动车轮驱动电机及传动装置(15)所能提供的后右驱动车轮最大电机制动力,后左驱动车轮驱动电机控制器(24)通过CAN总线输出的后左驱动车轮驱动电机及传动装置(25)所能提供的后左驱动车轮最大电机制动力,前右驱动车轮驱动电机控制器(49)通过CAN总线输出的前右驱动车轮驱动电机及传动装置(50)所能提供的前右驱动车轮最大电机制动力,前左驱动车轮驱动电机控制器(41)通过CAN总线输出的前左驱动车轮驱动电机及传动装置(40)所能提供的前左驱动车轮最大电机制动力,判断是否触发制动能量回收功能,并据此控制后驱动轴开关电磁阀(5)、后右驱动车轮线性排气电磁阀(11)、后左驱动车轮线性排气电磁阀(20)、前驱动轴开关电磁阀(57)、前右驱动车轮线性排气电磁阀(45)和前左驱动车轮线性排气电磁阀(36),其特征在于:

当踩下制动踏板且触发制动能量回收功能时,整车控制器(31)控制后驱动轴开关电磁阀(5)导通,副储气罐(3)端口b与第一三通阀(7)端口a之间的气路导通,整车控制器(31)控制后右驱动车轮线性排气电磁阀(11)和后左驱动车轮线性排气电磁阀(20)处于关闭状态,其排气端口c不与大气相通;当踩下制动踏板,但未触发制动能量回收功能时,整车控制器(31)控制后驱动轴开关电磁阀(5)关断,副储气罐(3)端口b与第一三通阀(7)端口a之间的气路断开,整车控制器(31)控制后右驱动车轮线性排气电磁阀(11)和后左驱动车轮线性排气电磁阀(20)处于关闭状态,其排气端口c不与大气相通;当驾驶员松开制动踏板(1)时,整车控制器(31)控制后驱动轴开关电磁阀(5)断开副储气罐(3)端口b与第一三通阀(7)端口a之间的气路连接,整车控制器(31)控制后右驱动车轮线性排气电磁阀(11)和后左驱动车轮线性排气电磁阀(20)处于打开状态,其排气端口c与大气相通,且其开度与制动踏板位移传感器(56)通过信号线输出的踏板位移信号成比例关系;

当踩下制动踏板且触发制动能量回收功能时,整车控制器(31)控制前驱动轴开关电磁阀(57)导通,副储气罐(3)端口c与第四三通阀(55)端口a之间的气路导通,整车控制器(31)控制前右驱动车轮线性排气电磁阀(45)和前左驱动车轮线性排气电磁阀(36)处于关闭状态,其排气端口c不与大气相通;当踩下制动踏板,但未触发制动能量回收功能时,整车控制器(31)控制前驱动轴开关电磁阀(57)关断,副储气罐(3)端口c与第四三通阀(55)端口a之间的气路断开,整车控制器(31)控制前右驱动车轮线性排气电磁阀(45)和前左驱动车轮线性排气电磁阀(36)处于关闭状态,其排气端口c不与大气相通;当驾驶员松开制动踏板(1)时,整车控制器(31)控制前驱动轴开关电磁阀(57)断开副储气罐(3)端口c与第四三通阀(55)端口a之间的气路连接,整车控制器(31)控制前右驱动车轮线性排气电磁阀(45)和前左驱动车轮线性排气电磁阀(36)处于打开状态,其排气端口c与大气相通,且其开度与制动踏板位移传感器(56)通过信号线输出的踏板位移信号成比例关系。