欢迎来到知嘟嘟! 联系电话:13095918853 卖家免费入驻,海量在线求购! 卖家免费入驻,海量在线求购!
知嘟嘟
我要发布
联系电话:13095918853
知嘟嘟经纪人
收藏
专利号: 2019104290665
申请人: 山东理工大学
专利类型:发明专利
专利状态:已下证
专利领域: 一般车辆
更新日期:2023-10-16
缴费截止日期: 暂无
价格&联系人
年费信息
委托购买

摘要:

权利要求书:

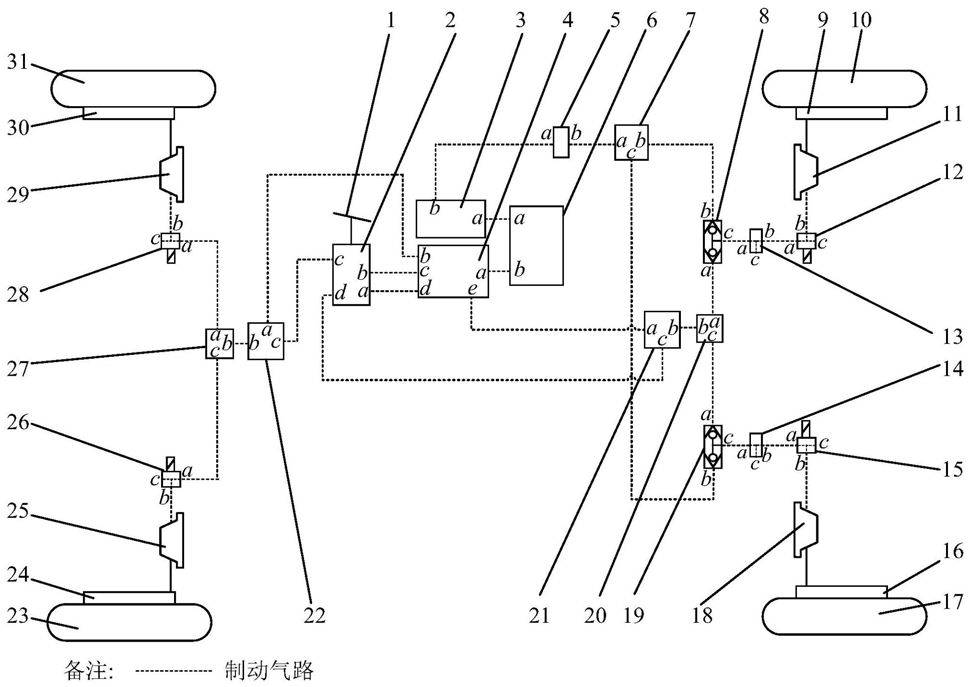
1.一种基于叠加式单向阀和线性排气电磁阀的两驱电动车制动能量回收气路,其特征在于:由电子制动踏板(1)、制动阀(2)、副储气罐(3)、主储气罐(4)、开关电磁阀(5)、空气压缩机(6)、第一三通阀(7)、右驱动轮叠加式单向阀(8)、右驱动轮制动气室(11)、右驱动轮ABS电磁阀(12)、右驱动轮线性排气电磁阀(13)、左驱动轮线性排气电磁阀(14)、左驱动轮ABS电磁阀(15)、左驱动轮制动气室(18)、左驱动轮叠加式单向阀(19)、第二三通阀(20)、驱动轴继动阀(21)、非驱动轴继动阀(22)、左非驱动轮制动气室(25)、左非驱动轮ABS电磁阀(26)、第三三通阀(27)、右非驱动轮ABS电磁阀(28)、右非驱动轮制动气室(29)组成;

空气压缩机(6)的出气端口b与主储气罐(4)进气端口a通过气路连接,空气压缩机(6)的出气端口a与副储气罐(3)的进气端口a通过气路连接;

制动阀(2)的进气端口a与主储气罐(4)的出气端口d通过气路相连,制动阀(2)的进气端口b与主储气罐(4)的出气端口c通过气路相连,制动阀(2)的出气端口c与非驱动轴继动阀(22)的控制端口c通过气路相连,制动阀(2)的出气端口d与驱动轴继动阀(21)的控制端口c通过气路相连;

副储气罐(3)的出气端口b通过气路与开关电磁阀(5)的进气端口a相连,开关电磁阀(5)的出气端口b与第一三通阀(7)的进气端口a通过气路相连,第一三通阀(7)的出气端口b通过气路与右驱动轮叠加式单向阀(8)的进气端口b相连,第一三通阀(7)的出气端口c通过气路与左驱动轮叠加式单向阀(19)的进气端口b相连;

驱动轴继动阀(21)的端口a与主储气罐(4)的出气端口e通过气路相连,驱动轴继动阀(21)的端口b与第二三通阀(20)的端口b通过气路相连;

第二三通阀(20)的端口a与右驱动轮叠加式单向阀(8)的进气端口a通过气路相连,右驱动轮叠加式单向阀(8)的出气端口c通过气路与右驱动轮线性排气电磁阀(13)的端口a相连,右驱动轮线性排气电磁阀(13)的端口b与右驱动轮ABS电磁阀(12)的进气端口a通过气路相连,右驱动轮ABS电磁阀(12)的进气端口b与右驱动轮制动气室(11)通过气路相连;

第二三通阀(20)的端口c与左驱动轮叠加式单向阀(19)的进气端口a通过气路相连,左驱动轮叠加式单向阀(19)的出气端口c通过气路与左驱动轮线性排气电磁阀(14)的端口a相连,左驱动轮线性排气电磁阀(14)的端口b与左驱动轮ABS电磁阀(15)的进气端口a通过气路相连,左驱动轮ABS电磁阀(15)的进气端口b与左驱动轮制动气室(18)通过气路相连;

非驱动轴继动阀(22)的端口a与主储气罐(4)的出气端口b通过气路相连,非驱动轴继动阀(22)的端口b通过气路与第三三通阀(27)的端口b相连,第三三通阀(27)的端口c通过气路与左非驱动轮ABS电磁阀(26)的进气端口a相连,左非驱动轮ABS电磁阀(26)的进气端口b与左非驱动轮制动气室(25)通过气路相连,第三三通阀(27)的端口a通过气路与右非驱动轮ABS电磁阀(28)的进气端口a相连,右非驱动轮ABS电磁阀(28)的进气端口b与右非驱动轮制动气室(29)通过气路相连。