欢迎来到知嘟嘟! 联系电话:13336804447 卖家免费入驻,海量在线求购! 卖家免费入驻,海量在线求购!
知嘟嘟
我要发布
联系电话:13336804447
知嘟嘟经纪人
收藏
专利号: 2019101628631
申请人: 西南交通大学
专利类型:发明专利
专利状态:已下证
专利领域: 基本电气元件
更新日期:2024-01-05
缴费截止日期: 暂无
价格&联系人
年费信息
委托购买

摘要:

权利要求书:

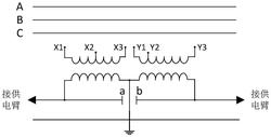
1.一种牵引变压器:包括三相铁芯以及两相绕组,三相铁芯按照Vv接线牵引变压器对铁芯的要求确定,两相绕组分别布置在三相铁芯两侧的铁芯柱上,其特征在于:两相绕组中,在X相绕组原边两端的X1端子和X3端子之间的居中位置,引出中间抽头X2端子,在Y相绕组原边两端的Y1端子和Y3端子之间,以Y3端子为基准,在总匝数的0.866倍处引出抽头Y2端子,即X、Y绕组的原边各自均有三个端子且分别独立引出至变压器外部;当牵引变压器工作在Vv接线运行状态时,X相绕组原边的X1端子、X相绕组原边的X3端子、Y相绕组原边的Y3端子接入三相电力系统,X相绕组原边的X3端子与Y相绕组原边的Y1端子连接,X2端子、Y2端子悬空;次边的两个端口各自单独向供电臂a、供电臂b的牵引负荷供电;当牵引变压器工作在Scott接线运行状态时,X相绕组原边的X1端子、X相绕组原边的X3端子、Y相绕组原边的Y3端子接入三相电力系统,X相绕组原边的X2端子与Y相绕组原边的Y2端子连接,Y1端子悬空,次边的两个端口各自单向供电臂a、供电臂b的牵引负荷供电。

2.根据权利要求1所述的一种牵引变压器,其特征在于:所述X、Y绕组的原边各自均有三个端子分别独立引出至变压器外部,通过改变外部接线来构成Vv接线方式或Scott接线方式。