欢迎来到知嘟嘟! 联系电话:13336804447 卖家免费入驻,海量在线求购! 卖家免费入驻,海量在线求购!
知嘟嘟
我要发布
联系电话:13336804447
知嘟嘟经纪人
收藏
专利号: 2018115150847
申请人: 西南交通大学
专利类型:发明专利
专利状态:已下证
专利领域: 发电、变电或配电
更新日期:2024-01-05
缴费截止日期: 暂无
价格&联系人
年费信息
委托购买

摘要:

权利要求书:

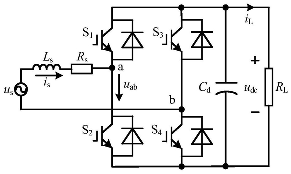
1.一种单相脉冲整流器电网电压估算方法,其特征在于,包括以下步骤:S1:构建模型参考自适应系统中参考模型的有功功率、无功功率数学模型:其中,Pest_ref和Qest_ref分别为参考模型中有功功率和无功功率;id和iq分别为网侧电流is在dq坐标系下d、q轴分量,uabd和uabq为调制电压uab在dq坐标系下d、q轴分量;Ls和Rs分别为网侧等效电感和网侧等效电阻,Ism为网侧电流的基波幅值,ωest为电网电压基波角频率估算值;

模型参考自适应系统中可调模型的有功功率估算值Pest和无功功率估算值Qest的表达式为:其中,Usm为电网电压基波幅值;为电网电压和网侧电流之间的夹角,即功率因数角;

S2:对电网电压基波幅值进行估算:

参考模型和可调模型的有功功率的误差及无功功率的误差分别通过模型参考自适应系统中的PI控制器,获得电网电压与功率因数角三角函数的估算值 和则电网电压基波幅值的估算值Usm_est为:

S3:根据网侧电流、参考模型的有功功率和无功功率对电网电压的基波角度信息进行估算:电网电压基波角度的三角函数为:

其中,θu和θi分别为的电网电压us、网侧电流is的初始相角;

又有

其中,iα为二阶广义积分对实际网侧电流is滤波后的电流,iβ为SOGI构造与is正交的虚拟电流分量;则电网电压基波角度的三角函数表示如下:则电网电压基波角频率估算值ωest表达式为:

2.根据权利要求1所述的单相脉冲整流器电网电压估算方法,其特征在于,控制系统启动时,调制电压uab在dq坐标系下的轴分量初始值uabd_setup、uabq_setup设定为:网压基波角度的三角函数初始估算值设定为:

其中,udc为直流侧电压,sin(ω0t)和cos(ω0t)分别为控制器以本地时钟发出正弦信号和余弦信号,ω0为标称工频下的角频率。