欢迎来到知嘟嘟! 联系电话:13336804447 卖家免费入驻,海量在线求购! 卖家免费入驻,海量在线求购!
知嘟嘟
我要发布
联系电话:13336804447
知嘟嘟经纪人
收藏
专利号: 2017110863364
申请人: 西南交通大学
专利类型:发明专利
专利状态:已下证
专利领域: 发电、变电或配电
更新日期:2024-01-05
缴费截止日期: 暂无
价格&联系人
年费信息
委托购买

摘要:

权利要求书:

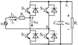
1.一种单相脉冲整流器电流内环控制器的优化方法,其特征在于,包括:S1、构建单相脉冲整流器的有功电流和无功电流的目标函数:其中,ΔP和ΔQ分别为有功电流和无功电流的误差标幺值,id和iq为网侧电流在旋转坐标系下d、q轴分量,t为时间;

S2、根据输入电压的端点轨迹,构建输入电压在旋转坐标系下的椭圆轨迹函数:其中, 和Uz分别为椭圆的长、短半径,且系数k>0,Uz≥0,uabd和uabq分别表示整流器输入电压在旋转坐标系下的d轴分量和q轴分量,ud_S、uq_S分别uabd、uabq的稳态分量;

S3、根据有功电流和无功电流的目标函数以及输入电压的椭圆轨迹函数,计算输入电压;

其中,sgn(EP),sgn(EQ)分别代表EP、EQ的符号,EP、EQ分别为有功电流和无功电流误差;

且可以表示为

S4、根据输入电压和评价函数J(k)对输入电压椭圆轨迹半径的偏导,获得内环控制器的最优控制量d轴分量uabd(k)和q轴分量uabq(k):其中,Ls为网侧等效电感参数,Ts为控制周期,idref和iqref分别为有功电流、无功电流的给定值;

S5、对最优控制量进行坐标变换,获得内环控制器的最优控制量α轴分量uabα和β轴分量uabβ:其中,ω为网压角速度。

2.根据权利要求1所述的单相脉冲整流器电流内环控制器的优化方法,其特征在于,所述网侧等效电感参数Ls的计算公式为:其中,usq为网侧电压在旋转坐标系下q轴分量。

3.根据权利要求1所述的单相脉冲整流器电流内环控制器的优化方法,其特征在于,构建评价函数J(k):J(k)=[idref-id(k+1)]2+λ[iqref-iq(k+1)]2通过评价函数J(k)获取输入电压椭圆轨迹半径的导数:其中,idref和iqref分别为有功电流、无功电流的给定值。

4.根据权利要求1所述的单相脉冲整流器电流内环控制器的优化方法,其特征在于:所述有功电流和无功电流误差标幺值为:其中,id和iq为网侧电流在旋转坐标系下d、q轴分量;idref、iqref分别为有功电流、无功电流的给定值。