欢迎来到知嘟嘟! 联系电话:13336804447 卖家免费入驻,海量在线求购! 卖家免费入驻,海量在线求购!
知嘟嘟
我要发布
联系电话:13336804447
知嘟嘟经纪人
收藏
专利号: 2018114497319
申请人: 燕山大学
专利类型:发明专利
专利状态:已下证
专利领域: 测量;测试
更新日期:2024-02-23
缴费截止日期: 暂无
价格&联系人
年费信息
委托购买

摘要:

权利要求书:

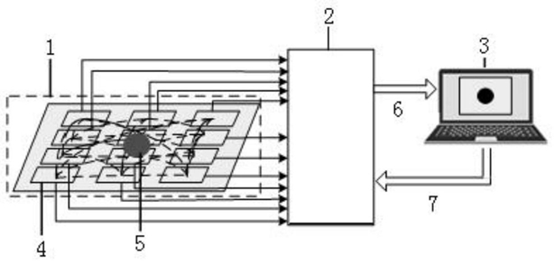
1.一种平面阵列电容成像方法,其特征在于,应用于一种平面阵列电容成像装置,所述平面阵列电容成像装置包括:电容传感器、数据测量及采集模块和计算机;

所述电容传感器包括多个电极片,被测物位于所述电极片中间,所述电极片与所述数据测量及采集模块连接,所述数据测量及采集模块与所述计算机连接;

所述电容传感器用于将被测物的物场介质的分布转化为电容值;

所述数据测量及采集模块用于测量和采集所述电容值,并将所述电容值传输至所述计算机;

所述计算机用于采用图像重建算法对所述电容值进行处理,得到重建图像;

所述平面阵列电容成像方法包括:

获得所述数据测量及采集模块采集的初始电容值;

通过模糊C均值聚类算法对所述初始电容值进行分类,保留符合所述模糊C均值聚类算法收敛的电容值;

将所述收敛电容值作为图像重建值,对所述图像重建值采用非迭代图像处理算法或迭代图像处理算法进行缺陷图像的重建;

所述通过模糊C均值聚类算法对所述初始电容值进行分类,保留使所述模糊C均值聚类算法收敛的电容值,具体包括:将所有所述初始电容值存储在数据集X内,所述数据集X包括n个待聚类的样本,所述数据集X表示为X={x1,x2,…,xn},x表示所述样本,将所述数据集X={x1,x2,…,xn}按所述初始电容值受噪音的不同干扰程度划分为c类,所述数据集X中的任意样本xi对第j类的隶属度为uij,其中0≤uij≤1;

获取设定的参数的初始值,聚类数目c、加权指数m、最大迭代次数Tmax,初始聚类中心集合V1,初始迭代次数k为1;

迭代更新隶属度矩阵uij;

迭代更新聚类中心vj;

若满足||V(k+1)-V(k)||<ε,则停止迭代,所述模糊C均值聚类算法结束;

若不满足||V(k+1)-V(k)||<ε,则增加所述迭代次数,并继续迭代更新所述隶属度矩阵uij和所述聚类中心vj;

其中,c为聚类数目;i表示每个所述样本的标号,i=1,2,...,n;j为表示每个所述聚类数目的标号,j=1,2,...,c;V(k+1)表示第k+1次迭代的聚类中心集合,V(k)表示第k次迭代的聚类中心集合,ε表示迭代停止阈值,ε=0.1;

所述迭代更新所述隶属度矩阵uij具体为:

根据公式 迭代更新所述隶属度矩阵uij;

其中,dij表示第i个所述样本到第j类聚类中心的欧氏距离的开方,dil表示第i个所述样本到第l个聚类中心的欧氏距离的开方。

2.根据权利要求1所述的平面阵列电容成像方法,其特征在于,所述迭代更新所述聚类中心vj具体为:根据公式 迭代更新所述聚类中心vj。

3.根据权利要求1所述的平面阵列电容成像方法,其特征在于,在所述迭代更新所述隶属度矩阵uij之前,还包括确定所述模糊C均值聚类算法的目标函数,所述模糊C均值聚类算法的目标函数为:其中,Jm表示收敛电容值。

4.根据权利要求3所述的平面阵列电容成像方法,其特征在于:在所述确定所述模糊C均值聚类算法的目标函数之后,还包括:为使所述模糊C均值聚类算法的目标函数满足

引入拉格朗日乘子λ,所述模糊C均值聚类算法的目标函数变换为:其中,dij2表示第i个所述样本到第j类聚类中心的欧氏距离。

5.一种平面阵列电容成像系统,其特征在于,包括:电容值获取模块,用于获取被测物的初始电容值;

电容值筛选模块,用于通过模糊C均值聚类算法对所述初始电容值进行分类,保留符合所述模糊C均值聚类算法收敛的电容值;

图像重建模块,用于将所述收敛电容值作为图像重建值,对所述图像重建值采用非迭代图像处理算法或迭代图像处理算法进行缺陷图像的重建;

所述电容值筛选模块包括:

初始参数单元,用于获取设定的参数的初始值;

隶属度矩阵单元,用于根据所述参数迭代更新隶属度矩阵;

聚类中心单元,用于根据所述参数迭代更新聚类中心;

判断条件单元,用于判断满足||V(k+1)-V(k)||<ε,则停止迭代,所述模糊C均值聚类算法结束;不满足||V(k+1)-V(k)||<ε,则增加所述迭代次数,并继续迭代更新所述隶属度单元和所述聚类中心单元;

其中,V(k+1)表示第k+1次迭代的聚类中心集合,V(k)表示第k次迭代的聚类中心集合,ε表示迭代停止阈值,ε=0.1;

所述隶属度矩阵单元包括:

隶属度矩阵子单元,用于通过公式 迭代更新所述隶属度矩阵uij;

其中,c为聚类数目;i表示每个样本的标号,i=1,2,...,n;n为样本数目;j表示每个所述聚类数目的标号,j=1,2,...,c;l表示所述聚类数目的标号,l=1,2,...,c;dij表示第i个所述样本到第j类聚类中心的欧氏距离的开方,dil表示第i个所述样本到第l个聚类中心的欧氏距离的开方;m为加权指数。

6.根据权利要求5所述的平面阵列电容成像系统,其特征在于,所述聚类中心单元包括:聚类中心子单元,用于通过公式 迭代更新所述聚类中心vj;

其中,x表示所述样本。