欢迎来到知嘟嘟! 联系电话:13336804447 卖家免费入驻,海量在线求购! 卖家免费入驻,海量在线求购!
知嘟嘟
我要发布
联系电话:13336804447
知嘟嘟经纪人
收藏
专利号: 2020108624649
申请人: 西安理工大学
专利类型:发明专利
专利状态:已下证
专利领域: 测量;测试
更新日期:2024-01-05
缴费截止日期: 暂无
价格&联系人
年费信息
委托购买

摘要:

权利要求书:

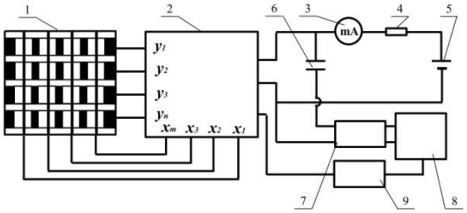
1.基于微等离子体阵列的太赫兹波焦平面成像系统,其特征在于,包括直流电源(5),直流电源(5)上串接限流电阻(4)、电流表(3)和供电控制模块(2)并构成回路,供电控制模块(2)上电连接有焦平面成像阵列(1),采用逐点顺次启动探测的方式使焦平面成像阵列(1)工作,每次只有一个像元工作;供电控制模块(2)的两端并联有滤波器(7)和锁相放大器(8)且均构成回路,滤波器(7)和锁相放大器(8)与供电控制模块(2)的共同回路上串接有电容器(6),供电控制模块(2)与锁相放大器(8)还共同连接有计算机(9);

所述焦平面成像阵列(1)包括依次上下封装的上面板(10)、中面板(11)和下面板(12),中面板(11)上刻蚀有m×n个供太赫兹波入射的通孔,m×n个通孔内均充入惰性气体形成气室(14)阵列,气室(14)的宽度均为10μm‑1mm,气室(14)的深度即中面板(11)的厚度为10μm‑

1mm,上面板(10)的下表面均匀间隔设置有m列x平行电极(13),m列x平行电极(13)一一对应气室(14)阵列的m列气室(14),下面板(12)的上表面均匀间隔设置有n行y平行电极(15),n行y平行电极(15)一一对应气室(14)阵列的n行气室(14),n行y平行电极(15)和m列x平行电极(13)均电连接至供电控制模块(2)。

2.如权利要求1所述的基于微等离子体阵列的太赫兹波焦平面成像系统,其特征在于,所述气室(14)均为正方形或圆形。

3.如权利要求2所述的基于微等离子体阵列的太赫兹波焦平面成像系统,其特征在于,所述上面板(10)选用石英玻璃材质,x平行电极(13)的宽度为气室(14)宽度的1/10‑1/3。

4.如权利要求2所述的基于微等离子体阵列的太赫兹波焦平面成像系统,其特征在于,所述y平行电极(15)的宽度不小于气室(14)的宽度。

5.如权利要求1所述的基于微等离子体阵列的太赫兹波焦平面成像系统,其特征在于,

3 5

所述气室(14)内惰性气体的压强均为10‑10Pa,惰性气体为He、Ne、Ar、Ke、Xe中的一种气体或两种以上组成的潘宁混合气体。

6.如权利要求1所述的基于微等离子体阵列的太赫兹波焦平面成像系统,其特征在于,所述x平行电极(13)和y平行电极(15)均采用ITO薄膜或金属膜制作。

7.如权利要求1所述的基于微等离子体阵列的太赫兹波焦平面成像系统,其特征在于,所述电容器(6)的大小为 ,其中,f是入射太赫兹波的调制频率,R是与信号通路并联的等效电阻。

8.如权利要求1所述的基于微等离子体阵列的太赫兹波焦平面成像系统,其特征在于,所述滤波器(7)为带通滤波器,滤波器(7)的谐振频率设置为入射太赫兹波的调制频率。

9.如权利要求1所述的基于微等离子体阵列的太赫兹波焦平面成像系统,其特征在于,所述锁相放大器(8)的积分时间为0.1 ms‑1s。