欢迎来到知嘟嘟! 联系电话:13336804447 卖家免费入驻,海量在线求购! 卖家免费入驻,海量在线求购!
知嘟嘟
我要发布
联系电话:13336804447
知嘟嘟经纪人
收藏
专利号: 2018108175040
申请人: 南京信息工程大学
专利类型:发明专利
专利状态:已下证
专利领域: 发电、变电或配电
更新日期:2023-09-13
缴费截止日期: 暂无
价格&联系人
年费信息
委托购买

摘要:

权利要求书:

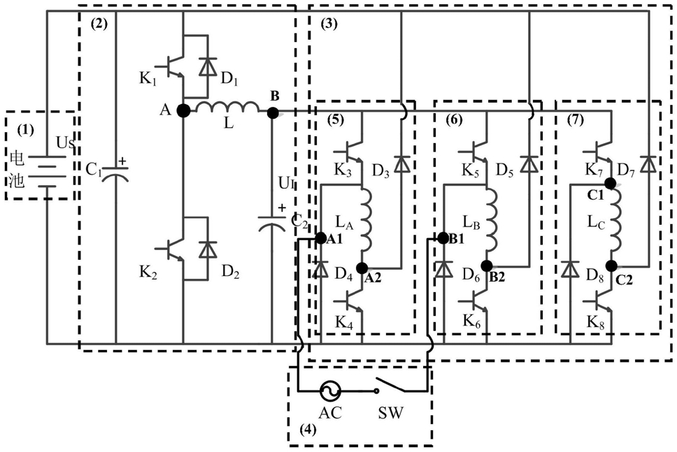
1.电动汽车开关磁阻电机集成驱动功率变换器,其特征在于:包括一个直流蓄电池(1)、一个DC-DC变换器(2)、一个开关磁阻电机及其驱动功率变换器(3)和一个单相交流充电电源(4);

所述DC-DC变换器有一个正极输入端口、一个正极输出端口和一个负极端口;所述开关磁阻电机及其驱动功率变换器有一个母线输入端口、一个正极输入端口、一个负极端口和两个单相交流电源输入端口;

直流蓄电池(1)的正极与DC-DC变换器(2)的正极输入端口、开关磁阻电机及其驱动功率变换器(3)的正极输入端口相连接,直流蓄电池(1)的负极与DC-DC变换器(2)的负极端口、开关磁阻电机及其驱动功率变换器(3)的负极端口相连接,开关磁阻电机及其驱动功率变换器(3)的母线输入端口与DC-DC变换器(2)的正极输出端口相连接,单相交流充电电源(4)与开关磁阻电机及其驱动功率变换器(3)的两个单相交流电源输入端口相连接。

2.根据权利要求1所述的开关磁阻电机集成驱动功率变换器,其特征在于:所述DC-DC变换器包括第一开关管、第二开关管、第一功率二极管、第二功率二极管、输入滤波电容、输出滤波电容、储能电感;

第一开关管的集电极、第一功率二极管的阴极与输入滤波电容的正端相连接于DC-DC变换器(2)的正极输入端口,第一开关管的发射极与第二开关管的集电极、第一功率二极管的阳极、第二功率二极管的阴极、储能电感的一端相连接于A点,第二开关管的发射极、第二功率二极管的阳极、输入滤波电容的负端与输出滤波电容的负端相连接于DC-DC变换器(2)的负极端口;输出滤波电容的正端与储能电感的另一端相连接于B点,B点与DC-DC变换器(2)的正极输出端口相连接。

3.根据权利要求1所述的开关磁阻电机集成驱动功率变换器,其特征在于:所述开关磁阻电机及其驱动功率变换器包括A相绕组及驱动电路(5)、B相绕组及驱动电路(6)、C相绕组及驱动电路(7);所述A相绕组及驱动电路和B相绕组及驱动电路都各有一个母线输入端口、一个正极输入端口、一个负极端口和一个单相交流电源输入端口,所述C相绕组及驱动电路有一个母线输入端口、一个正极输入端口和一个负极端口;

A相绕组及驱动电路、B相绕组及驱动电路和C相绕组及驱动电路的母线输入端口均与开关磁阻电机及其驱动功率变换器的母线输入端口相连接,A相绕组及驱动电路、B相绕组及驱动电路和C相绕组及驱动电路的正极输入端口均与开关磁阻电机及其驱动功率变换器的正极输入端口相连接,A相绕组及驱动电路、B相绕组及驱动电路和C相绕组及驱动电路的负极端口均与开关磁阻电机及其驱动功率变换器的负极端口相连接,A相绕组及驱动电路和B相绕组及驱动电路的单相交流电源输入端口分别与单相交流充电电源的两端相连接;

所述A相绕组及驱动电路(5)包括第三开关管、第四开关管、第三功率二极管、第四功率二极管和开关磁阻电机A相绕组;第三开关管的集电极与开关磁阻电机及其驱动功率变换器的母线输入端口相连接于B点,第三开关管的发射极、开关磁阻电机A相绕组的一端、第四功率二极管的阴极相连接于A1点,并且A1点与所述A相绕组及驱动电路(5)的单相交流电源的一个输入端口相连接;开关磁阻电机A相绕组的另一端、第三功率二极管的阳极和第四开关管的集电极相连接于A2点;第三功率二极管的阴极与所述A相绕组及驱动电路(5)的正极输入端口相连接;第四功率二极管的阳极与第四开关管的发射极相连接于所述A相绕组及驱动电路(5)的负极端口;

所述B相绕组及驱动电路(6)包括第五开关管、第六开关管、第五功率二极管、第六功率二极管和开关磁阻电机B相绕组;第五开关管的集电极与开关磁阻电机及其驱动功率变换器的母线输入端口相连接于B点,第五开关管的发射极、开关磁阻电机B相绕组的一端、第六功率二极管的阴极相连接于B1点,并且B1点与所述B相绕组及驱动电路(6)的单相交流电源的另一个输入端口相连接;开关磁阻电机B相绕组的另一端、第五功率二极管的阳极和第六开关管的集电极相连接于B2点;第五功率二极管的阴极与所述B相绕组及驱动电路(6)的正极输入端口相连接;第六功率二极管的阳极与第六开关管的发射极相连接于所述B相绕组及驱动电路(6)的负极端口;

所述C相绕组及驱动电路(7)包括第七开关管、第八开关管、第七功率二极管、第八功率二极管和开关磁阻电机C相绕组;第七开关管的集电极与开关磁阻电机及其驱动功率变换器的母线输入端口相连接于B点,第七开关管的发射极、开关磁阻电机C相绕组的一端、第八功率二极管的阴极相连接于C1点;开关磁阻电机C相绕组的另一端、第七功率二极管的阳极和第八开关管的集电极相连接于C2点;第七功率二极管的阴极与所述C相绕组及驱动电路(7)的正极输入端口相连接;第八功率二极管的阳极与第八开关管的发射极相连接于所述C相绕组及驱动电路(7)的负极端口。

4.根据权利要求1所述的开关磁阻电机集成驱动功率变换器,其特征在于:所述单相交流充电电源由一个单相交流电源AC和一个接触开关SW串联连接而成,单相交流充电电源有两个端口分别与所述开关磁阻电机及其驱动功率变换器的两个单相交流电源输入端口相连接。

5.根据权利要求3所述的电动汽车开关磁阻电机集成驱动功率变换器,其特征在于:所述开关磁阻电机及其驱动功率变换器的母线输入端口均与DC-DC变换器的正极输出端口相连接于A点,开关磁阻电机及其驱动功率变换器的母线电压为DC-DC变换器输出电压;

A相绕组的关断续流回路包括:A相绕组、第三功率二极管、直流蓄电池和第四功率二极管;B相绕组的关断续流回路包括:B相绕组、第五功率二极管、直流蓄电池和第六功率二极管;C相绕组的关断续流回路包括:C相绕组、第七功率二极管、直流蓄电池和第八功率二极管;各相绕组的关断续流电压为蓄电池电压;

蓄电池电压大于DC-DC变换器输出电压,各相绕组的关断续流电压大于开关磁阻电机及其驱动功率变换器的母线电压。

6.一种电动汽车开关磁阻电机集成驱动功率变换器的控制方法,通过根据权利要求1所述的系统实现,其特征在于:采用与转速相匹配的电压PWM占空比决定DC-DC变换器中的第一开关管和第二开关管的状态,来实现开关磁阻电机的调压调速控制和恒压调速控制。

7.根据权利要求6所述的一种电动汽车开关磁阻电机集成驱动功率变换器的控制方法,其特征在于:在开关磁阻电机转速开环驱动控制下,实现开关磁阻电机的调压调速控制,并且开关磁阻电机的调速控制算法与驱动控制算法解耦,具体控制算法如下:A1.所述开关磁阻电机的调速控制算法为:采用PWM控制器,根据开关磁阻电机实际转速所匹配的占空比参数,来调节DC-DC变换器中第一开关管和第二开关管的开关状态,实现DC-DC变换器输出电压UI在0到蓄电池电压US之间变化且与实际转速匹配的自动控制;

A2.开关磁阻电机的驱动控制算法为:采用传统的角度位置控制和斩波控制方式,可以实现功率变换器各相的第三至第八开关管的控制,从而驱动电机各相;

在开关磁阻电机转速闭环驱动控制下,实现开关磁阻电机的调压调速控制,并且开关磁阻电机的调速控制算法与驱动控制算法解耦,具体控制算法如下:

B1.开关磁阻电机的调速控制算法为:根据给定的参考转速,经PI调节器控制实际转速的偏差,得到储能电感L的电流参考值,再经PI调节器控制储能电感L的电流实际值与电流参考值的偏差,采用PWM控制器来调节DC-DC变换器中第一开关管和第二开关管的开关状态,实现DC-DC变换器输出电压UI在0到蓄电池电压US之间变化且跟随给定转速的自动控制;

B2.开关磁阻电机的驱动控制算法为:采用传统的角度位置控制和斩波控制方式,可以实现功率变换器各相的第三至第八开关管的控制,从而驱动电机各相。

8.根据权利要求6所述的一种电动汽车开关磁阻电机集成驱动功率变换器的控制方法,其特征在于:在开关磁阻电机转速开环驱动控制下,实现开关磁阻电机的恒压调速控制,具体控制算法如下:C1.给定所述DC-DC变换器输出电压参考值,通过PI调节器控制实际输出电压与给定电压偏差,可以得到储能电感电流参考值,再通过PI调节器控制储能电感实际电流与所述储能电感电流参考值之间的偏差,即可得到第一开关管和第二开关管的占空比,从而实现DC-DC输出电压UI的稳压;

C2.在以UI为母线电压输入的情况下,开关磁阻电机可以在传统的角度位置控制和斩波控制模式下实现开环调速控制;

在开关磁阻电机转速闭环驱动控制下,具体控制算法如下:

D1.给定所述DC-DC变换器输出电压参考值,通过PI调节器控制实际输出电压与给定电压偏差,可以得到储能电感电流参考值,再通过PI调节器控制储能电感实际电流与所述储能电感电流参考值之间的偏差,即可得到第一开关管和第二开关管的占空比,从而实现DC-DC输出电压UI的稳压;

D2.开关磁阻电机的驱动控制算法为:在设定转速参考nref1下,通过PI调节实际转速n与参考转速nref1的偏差,经PWM控制器输出PWM控制信号,该信号跟由位置角度控制得到导通区间信号相与,得到开关磁阻电机驱动功率变换器三个桥臂的第三开关管、第五开关管和第七开关管所对应的PWM控制信号,而经位置控制器得到的导通区间信号直接作为开关磁阻电机驱动功率变换器三个桥臂的第四开关管、第六开关管和第八开关管所对应的控制信号,考虑到起动电流限制和保护,将上管PWM控制信号和下管控制信号同时与电流滞环斩波输出的控制信号相与,从而得到开关磁阻电机驱动功率变换器上管和下管的实际控制信号。

9.根据权利要求6所述的一种电动汽车开关磁阻电机集成驱动功率变换器的控制方法,其特征在于:处于恒压充电模式时,控制系统控制开关磁阻电机C相开通,并且控制电机转轴固定;所述电机转轴固定,是将电机转子固定于C相定转子齿极对齐位置,然后利用刹车装置固定转轴;

所述电机转轴固定方式下,电机A相绕组和B相绕组电感相等,且避开电感饱和影响;所述电机转轴固定方式下,电机A相绕组和B相绕组作为单相车载集成充电器的输入滤波电感;

处于恒压充电模式时,控制系统控制DC-DC变换器(2)中的第一开关管、第二开关管、第一功率二极管、第二功率二极管均截止,控制开关磁阻电机及其驱动功率变换器(3)中的第三开关管、第五开关管、第七开关管、第八开关管、第七功率二极管、第八功率二极管均截止;控制接触开关SW闭合;实现单相车载集成充电器拓扑结构;

所述单相车载集成充电器包括直流蓄电池(1),DC-DC变换器(2)中的输入滤波电容,开关磁阻电机及其驱动功率变换器(3)的A相绕组及驱动电路中的A相绕组、第四开关管、第三功率二极管、第四功率二极管,开关磁阻电机及其驱动功率变换器(3)的B相绕组及驱动电路中的B相绕组、第六开关管、第五功率二极管、第六功率二极管,以及单相交流充电电源(4);直流蓄电池的正极与输入滤波电容的正极、第三功率二极管的阴极、第五功率二极管的阴极相连接;直流蓄电池的负极与输入滤波电容的负极、第四开关管的发射极、第六开关管的发射极、第四功率二极管的阳极、第六功率二极管的阳极相连接;第三功率二极管的阳极与A相绕组的一端、第四开关管的集电极相连接于A2点,第五功率二极管的阳极与B相绕组的一端、第六开关管的集电极相连接于B2点;第四功率二极管的阴极与A相绕组的另一端、单相交流充电电源的一端相连接于A1点;第六功率二极管的阴极与B相绕组的另一端、单相交流充电电源的另一端相连接于B1点;

在充电模式下,由充电接口引入的单相交流电经过开关磁阻电机内的A相绕组、A相绕组驱动电路、B相绕组驱动电路以及B相绕组,通过A相绕组驱动电路、B相绕组驱动电路将电能送入蓄电池的两端,实现为电池进行充电。