欢迎来到知嘟嘟! 联系电话:13336804447 卖家免费入驻,海量在线求购! 卖家免费入驻,海量在线求购!
知嘟嘟
我要发布
联系电话:13336804447
知嘟嘟经纪人
收藏
专利号: 2016108175677
申请人: 中国矿业大学
专利类型:发明专利
专利状态:已下证
专利领域: 发电、变电或配电
更新日期:2024-01-05
缴费截止日期: 暂无
价格&联系人
年费信息
委托购买

摘要:

权利要求书:

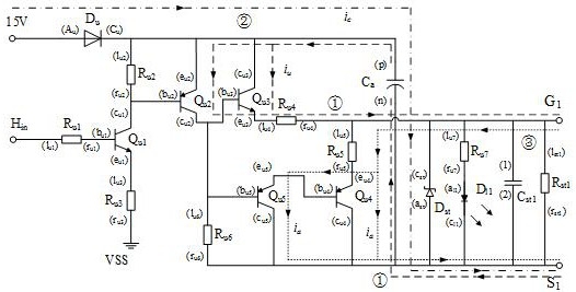
1.一种开关磁阻电机MOSFET功率变换器驱动电路,包括上桥臂MOSFET驱动电路、下桥臂MOSFET驱动电路以及自举电容特有充电电路,其特征在于:

a)开关磁阻电机MOSFET功率变换器为不对称半桥拓扑结构,一相绕组桥臂包括上桥臂开关器件MOSFET T1、上桥臂续流二极管VD1、下桥臂开关器件MOSFET T2、下桥臂续流二极管VD2以及一相电机绕组,一相绕组的一端同上桥臂MOSFET T1的源极以及下桥臂续流二极管VD2的阴极相连,绕组的另一端同上桥臂续流二极管VD1的阳极以及下桥臂MOSFET T2的漏极相连,上桥臂MOSFET T1的漏极同续流二极管VD1的阴极相连后再连接到直流侧电压源Us的正极,下桥臂MOSFET T2的源极同续流二极管VD2的阳极相连后再连接到直流侧电压源Us的负极;

b)上桥臂MOSFET T1驱动电路采用5只三极管Qu1、Qu2、Qu3、Qu4、Qu5,8只电阻Ru1、Ru2、Ru3、Ru4、Ru5、Ru6、Ru7、Rst1,1只自举二极管Du,1只自举电容Ca,1只稳压二极管Dst,1只发光二极管Dl1,1只稳压电容Cst1,来自控制器的控制信号的输入端口为Hin,驱动信号的驱动电流为iu,驱动信号的泄放电流为ia,自举电容的充电电流为ic;将控制信号的输入端口Hin与电阻Ru1的一端相连,电阻Ru1的另一端与三极管Qu1的基极相连;三极管Qu1的集电极与三极管Qu2的基极以及电阻Ru2的一端相连,电阻Ru2的另一端与自举二极管Du的阴极相连,Qu1发射极与电阻Ru3的一端相连,电阻Ru3的另一端接15V电源地VSS;三极管Qu2的发射极与自举二极管Du的阴极相连,Qu2的集电极与三极管Qu3的基极相连;三极管Qu3的集电极与自举二极管Du的阴极相连,Qu3的发射极与电阻Ru4的一端相连,电阻Ru4的另一端与上桥臂MOSFET T1的栅极相连;三极管Qu4的基极与三极管Qu5的发射极相连,Qu4的发射极与电阻Ru5的一端相连,电阻Ru5的另一端与上桥臂MOSFET T1的栅极相连,Qu4的集电极与上桥臂MOSFET T1的源极相连;三极管Qu5的基极与三极管Qu2的集电极和三极管Qu3的基极相连,同时还与电阻Ru6的一端相连,电阻Ru6的另一端与上桥臂MOSFET T1的源极相连,Qu5的集电极与上桥臂MOSFET T1的源极相连;

15V电源正极与自举二极管Du的阳极相连,Du的阴极与电阻Ru2的另一端、三极管Qu2的发射极、三极管Qu3的集电极以及自举极性电容Ca的正极相连,自举极性电容Ca的负极与上桥臂MOSFET T1的源极相连;稳压二极管Dst并联在上桥臂MOSFET T1的栅、源两端,其中Dst的阳极与上桥臂MOSFET T1的源极相连,Dst的阴极与上桥臂MOSFET T1的栅极相连;发光二极管Dl1的阳极与电阻Ru7的一端相连,电阻Ru7的另一端与上桥臂MOSFET T1的栅极相连,Dl1的阴极与上桥臂MOSFET T1的源极相连;电容Cst1并联在上桥臂MOSFET T1的栅极、源极两端,其中Cst1的一端与上桥臂MOSFET T1的栅极相连,Cst1的另一端与上桥臂MOSFET T1的源极相连;电阻Rst1并联在上桥臂MOSFET T1的栅极、源极两端,其中Rst1的一端与上桥臂MOSFET T1的栅极相连,Rst1的另一端与上桥臂MOSFET T1的源极相连;

c)下桥臂MOSFET T2驱动电路采用5只三极管Qd1、Qd2、Qd3、Qd4、Qd5,8只电阻Rd1、Rd2、Rd3、Rd4、Rd5、Rd6、Rd7、Rst2,1只发光二极管Dl2,1只稳压电容Cst2,来自控制器的控制信号的输入端口为Lin,驱动信号的驱动电流为id,驱动信号的泄放电流为ib;将控制信号的输入端口Lin与电阻Rd1的一端相连,电阻Rd1的另一端与三极管Qd1的基极相连;三极管Qd1的集电极与三极管Qd2的基极以及电阻Rd2的一端相连,电阻Rd2的另一端与15V电源正极相连,Qd1发射极与电阻Rd3的一端相连,电阻Rd3的另一端与下桥臂MOSFET T2的源极相连并接15V电源地VSS;三极管Qd2的发射极与15V电源正极相连,Qd2的集电极与三极管Qd3的基极相连;三极管Qd3的集电极与15V电源正极相连,Qd3的发射极与电阻Rd4的一端相连,电阻Rd4的另一端与下桥臂MOSFET T2的栅极相连;三极管Qd4的基极与三极管Qd5的发射极相连,Qd4的发射极与电阻Rd5的一端相连,电阻Rd5的另一端与下桥臂MOSFET T2的栅极相连,Qd4的集电极与下桥臂MOSFET T2的源极相连;三极管Qd5的基极与三极管Qd2的集电极和三极管Qd3的基极相连,同时还与电阻Rd6的一端相连,电阻Rd6的另一端与下桥臂MOSFET T2的源极相连,Qd5的集电极与下桥臂MOSFET T2的源极相连;15V电源正极与电阻Rd2的另一端、三极管Qd2的发射极、三极管Qd3的集电极相连;发光二极管Dl2的阳极与电阻Rd7的一端相连,电阻Rd7的另一端与下桥臂MOSFET T2的栅极相连,Dl2的阴极与下桥臂MOSFET T2的源极相连;稳压电容Cst2并联在下桥臂MOSFET T2的栅极、源极两端,其中Cst2的一端与下桥臂MOSFET T2的栅极相连,Cst2的另一端与下桥臂MOSFET T2的源极相连;电阻Rst2并联在下桥臂MOSFET T2的栅极、源极两端,其中Rst2的一端与下桥臂MOSFET T2的栅极相连,Rst2的另一端与下桥臂MOSFET T2的源极相连;

d)自举电容特有的充电回路采用2只三极管Qs1、Qs2,1只二极管Df,3只电阻Rf、Rs1、Rs2,自举电容充电电流为ic;将上桥臂MOSFET T1的源极与二极管Df的阳极相连,二极管Df的阴极与电阻Rf的一端相连,电阻Rf的另一端与三极管Qs1的集电极相连;15V电源正极与电阻Rs1的一端相连,电阻Rs1的另一端与三极管Qs1的基极相连,三极管Qs1的发射极接15V电源地VSS;

将下桥臂MOSFET T2的栅极与电阻Rs2的一端相连,电阻Rs2的另一端与三极管Qs2的基极相连,三极管Qs2的集电极与电阻Rs1的另一端和三极管Qs1的基极相连,三极管Qs2的发射极接

15V电源地VSS;

e)当上桥臂控制信号输入端Hin为高电平,三极管Qu1饱和导通,Qu2、Qu3导通,Qu4、Qu5截止,驱动输出高电平,Dl1亮,自举电容Ca相当于一个悬浮电源,产生驱动电流iu通过路径①驱动上桥臂MOSFET T1开通,其中路径①具体为:Ca正极端→Qu2,Qu3→Ru4→T1→Ca负极端;当输入信号Hin为低电平,三极管Qu1截止,Qu2、Qu3截止,Qu4、Qu5导通,驱动输出低电平,Dl1灭,T1关断;当输入信号由高电平向低电平跳变时,由于Qu3的关断延迟,MOSFET T1门极维持短暂的高电平,Qu5的基极由Ru6拉为低电平,MOSFET T1通过路径③泄放电荷,实现关断过程,其中路径③具体为:MOSFET T1的栅极→Ru5→Qu4,Qu5→MOSFET T1的源极;

f)当下桥臂控制信号输入端Lin为高电平,三极管Qd1饱和导通,Qd2、Qd3导通,Qd4、Qd5截止,驱动输出高电平,Dl2亮,产生驱动电流id通过路径④驱动下桥臂MOSFET T2开通,其中路径④具体为:15V电源正极→Qd2,Qd3→Rd4→T2→15V电源地VSS;当输入信号Lin为低电平,三极管Qd1截止,Qd2、Qd3截止,Qu4、Qu5导通,驱动输出低电平,Dl2灭,MOSFET T2关断;当输入信号由高电平向低电平跳变时,由于Qd3的关断延迟,MOSFET T2门极维持短暂的高电平,Qd5的基极由Rd6拉为低电平,MOSFET T2通过路径⑤泄放电荷,实现关断过程,其中路径⑤具体为:MOSFET T2的栅极→Rd5→Qd4,Qd5→MOSFET T2的源极;

g)当上、下桥臂驱动电路均输出低电平,MOSFET T1和MOSFET T2关断,属于本相的非导通区间,MOSFET T2栅极为低电平,三极管Qs1导通、Qs2截止,15V电源通过路径②和路径⑥对自举电容进行充电,其中路径②具体为:15V电源正极→Du→Ca→MOSFET T1的源极,路径⑥具体为:MOSFET T1的源极→Df→Rf→Qs1→15V电源地VSS,改变电阻Rf的值可以改变充电的速率,由于MOSFET T1的源极处的电位是浮动的,Rf在实际中选择功率电阻;

h)当上、下桥臂驱动电路均输出高电平,MOSFET T1和MOSFET T2导通,属于本相的导通区间,MOSFET T2栅极为高电平,三极管Qs1截止、Qs2导通,忽略器件压降,MOSFET T1源极电位升至直流侧电源电压Us,若Us低于15V,则MOSFET T1源极电位低于驱动电源15V,15V电源通过路径②和路径⑦对自举电容进行充电,其中路径⑦具体为:MOSFET T1的源极→电机绕组→MOSFET T2→15V电源地VSS,其中驱动电源15V与主电路直流母线电压Us共地,若Us高于

15V,自举电容无相应充电的回路;

i)当上桥臂驱动电路输出低电平,下桥臂驱动电路输出高电平时,MOSFET T1关断、MOSFET T2导通,功率变换器工作在斩上管的工作状态,此时MOSFET T2栅极为高电平,三极管Qs1截止、Qs2导通,MOSFET T1栅极为低电平,功率变换器存在“电机绕组→MOSFET T2→续流二极管VD2→电机绕组”近似于零电压的续流回路,15V电源通过路径②和路径⑦对自举电容进行充电,事实上,VD2有导通压降,MOSFET T1源极实际电位低于母线电压Us的地,当电机负载较大时,续流时间较长,MOSFET T1源极不断存储负电荷,Ca会过充电至两端电压大于

15V,因此在MOSFET T1栅、源极两端加20V稳压二极管Dst,保障输出的驱动电压不高于20V;

j)当上桥臂驱动电路输出高电平,下桥臂驱动电路输出低电平时,MOSFET T1导通、MOSFET T2关断,功率变换器工作在斩下管的工作状态,此时MOSFET T1栅极为高电平,MOSFET T2栅极为低电平,Qs1导通、Qs2截止,存在“母线电压Us正极→MOSFET T1→Df→Rf→Qs1→15V电源地VSS”的工作路径,电阻Rf的存在,虽然避免了主电路直流母线电压直接短路的故障,但不适合电机重载情况下的斩下管控制,此时主电路处于零电压续流工作状态,MOSFET T1源极电位为主电路电源电压Us,不存在自举电容充电回路;

k)上桥臂MOSFET T1驱动电路中自举二极管Du采用快恢复二极管,防止15V电源正极与自举电容Ca的正极存在较大的反向电位差而引起电流倒灌;电阻Ru4串联在MOSFET T1的栅极能够限制较大的驱动电流;Ru5能够影响MOSFET T1的关断速率,通过调节Ru5的值能够减小MOSFET T1关断时的电压振荡;稳压二极管Dst保证输出稳定的驱动电压;Ru6为限流电阻,防止三极管Qu2、Qu3过饱和;电阻Rst1并联在MOSFET T1栅极、源极两端,防止因米勒效应造成MOSFET T1误导通;电容Cst1并联在MOSFET T1栅极、源极两端能够减缓MOSFET T1开通及关断速率,减小产生的电压尖峰;

下桥臂MOSFET T2驱动电路中Rd6为限流电阻,防止三极管Qd2、Qd3过饱和;电阻Rd4串联在MOSFET T2的栅极能够限制较大的驱动电流;Rd5能够影响MOSFET T2的关断速率,通过调节Rd5的值能够减小MOSFET T2关断时的电压振荡;电阻Rst2并联在MOSFET T2栅极、源极两端,防止因米勒效应造成MOSFET T2误导通;电容Cst2并联在MOSFET T2栅极、源极两端能够减缓MOSFET T2开通及关断速率,减小产生的电压尖峰;

由于主电路中续流二极管VD2损坏、电机反电动势、电压振荡使MOSFET T1源极电位低于零,自举电容充电路径中二极管Df可防止负压加于三极管Qs1的集电极、发射极两端造成器件损坏;电阻Rf能够控制充电的速率,但会流过较大的电流,实际中选择功率电阻。