欢迎来到知嘟嘟! 联系电话:13336804447 卖家免费入驻,海量在线求购! 卖家免费入驻,海量在线求购!
知嘟嘟
我要发布
联系电话:13336804447
知嘟嘟经纪人
收藏
专利号: 2018103742533
申请人: 南京信息职业技术学院
专利类型:发明专利
专利状态:已下证
专利领域: 发电、变电或配电
更新日期:2026-03-04
缴费截止日期: 暂无
价格&联系人
年费信息
委托购买

摘要:

权利要求书:

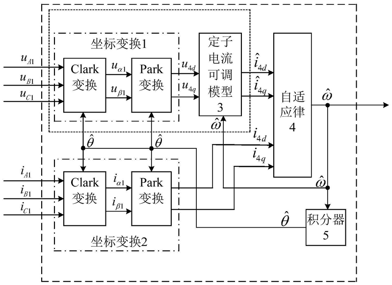
1.一种无轴承同步磁阻电机的转速估计方法,其特征是,包括以下步骤:

1)以无轴承同步磁阻电机转矩绕组三相检测电压uA1、uB1、uC1、当前转子位置角估计值为输入信号,经坐标变换,输出两相同步旋转坐标下的电机定子转矩绕组d-q轴电压u4d、u4q;以无轴承同步磁阻电机转矩绕组三相检测定子电流iA1、iB1、iC1、当前转子位置角估计值为输入信号,经坐标变换,输出两相同步旋转坐标下的电机定子转矩绕组d-q轴电流i4d、i4q;

2)以无轴承同步磁阻电机的定子转矩绕组d-q轴电压u4d、u4q、当前电机转速估计值为输入值,通过定子电流可调模型输出电机定子转矩绕组d-q轴电流估计值

3)建立自适应律,根据电机定子转矩绕组d-q轴电流估计值和电机定子转矩绕组d-q轴电流i4d、i4q的误差值重新计算并调整电机转速估计值将调整后的电机转速估计值经积分器重新得到转子位置角估计值并作为坐标变换的输入信号,将调整后的电机转速估计值作为定子电流可调模型的输入信号,以实时根据三相检测电压和三相检测定子电流估算出实时的电机转速估计值在步骤1)中,构建坐标变换,坐标变换包含Clark变换和Park变换,三电机转矩绕组三相检测电压uA1、uB1、uC1、当前转子位置角估计值为输入信号,经Clark变换输出两相静止坐标下的电压检测值uα1、uβ1,再经Park变换输出两相同步旋转坐标下的电机定子转矩绕组d-q轴电压u4d、u4q;以无轴承同步磁阻电机转矩绕组三相检测定子电流iA1、iB1、iC1、当前转子位置角估计值为输入信号,经Clark变换输出两相静止坐标下的电流检测值iα1、iβ1,再经Park变换输出两相同步旋转坐标下的电机定子转矩绕组d-q轴电流i4d、i4q;在步骤2)中,构造定子电流可调模型,具体如下:2.1)构建无轴承同步磁阻电机在d-q坐标下的转矩绕组定子电流参考模型;首先建立电机转矩绕组电压方程,设定无轴承同步磁阻电机为4极转矩绕组和2极悬浮绕组,电机凸极转子极弧角度为30°,转子凸极区域的气隙为δ0,在两相同步旋转d-q坐标系下,电机转矩绕组电压方程为:式中u4d、u4q为定子转矩绕组d-q轴电压,i4d、i4q分别为定子转矩绕组d-q轴电流,Rs1是定子转矩绕组电阻,ω为转子角速度,L4d、L4q分别为定子d-q轴转矩绕组自感,为微分算子;

依据式(1),无轴承同步磁阻电机在d-q轴下的转矩绕组定子电流数学模为:构造无轴承同步磁阻电机转矩绕组定子电流参考模型:依据式(2),电机转矩绕组定子电流参考模型可表示为:式中2.2)构造无轴承同步磁阻电机转矩绕组定子电流可调模型:依据式(3),进一步设计电机转矩绕组定子电流的并联可调模型为:

式中分别为电机转矩绕组定子电流并联可调模型输出的d-q轴电流估计值,

式中,

经推导,由式(5)、(6)可得:根据Popov超稳定性理论,取比例积分自适应律Kp+Ki/s,可以得出电机转速的估计公式为:

式中,Kp、Ki分别为比例和积分系数,s为拉普拉斯算子,由无轴承同步磁阻电机转矩绕组定子电流可调模型的式(4)计算得到,i4d、i4q是经坐标变换后的两相同步旋转坐标下的电机定子转矩绕组d-q轴电流i4d、i4q。2.一种无轴承同步磁阻电机的转速估计系统,其特征在于,包括第一坐标变换模块、第二坐标变换模块、定子电流可调模型、自适应律模块和积分器,第一坐标变换模块用于以无轴承同步磁阻电机转矩绕组三相检测电压uA1、uB1、uC1、当前转子位置角估计值为输入信号,输出两相同步旋转坐标下的电机定子转矩绕组d-q轴电压u4d、u4q;第二坐标变换模块用于以无轴承同步磁阻电机转矩绕组三相检测定子电流iA1、iB1、iC1、当前转子位置角估计值为输入信号,输出两相同步旋转坐标下的电机定子转矩绕组d-q轴电流i4d、i4q;定子电流可调模型用于以无轴承同步磁阻电机的定子转矩绕组d-q轴电压u4d、u4q、当前电机转速估计值为输入值,输出电机定子转矩绕组d-q轴电流估计值自适应律模块,根据电机定子转矩绕组d-q轴电流估计值和电机定子转矩绕组d-q轴电流i4d、i4q的误差值重新计算并调整电机转速估计值将调整后的电机转速估计值经积分器重新得到转子位置角估计值并作为第一坐标变换模块和第二坐标变换模块的输入信号,将调整后的电机转速估计值作为定子电流可调模型的输入信号,以实时根据三相检测电压和三相检测定子电流估算出实时的电机转速估计值其中,第一坐标变换模块具体为:三电机转矩绕组三相检测电压uA1、uB1、uC1、当前转子位置角估计值为输入信号,经Clark变换输出两相静止坐标下的电压检测值uα1、uβ1,再经Park变换输出两相同步旋转坐标下的电机定子转矩绕组d-q轴电压u4d、u4q;第二坐标变换模块具体为:以无轴承同步磁阻电机转矩绕组三相检测定子电流iA1、iB1、iC1、当前转子位置角估计值为输入信号,经Clark变换输出两相静止坐标下的电流检测值iα1、iβ1,再经Park变换输出两相同步旋转坐标下的电机定子转矩绕组d-q轴电流i4d、i4q;定子电流可调模型的构造具体为:构建无轴承同步磁阻电机在d-q坐标下的转矩绕组定子电流参考模型;首先建立电机转矩绕组电压方程,设定无轴承同步磁阻电机为4极转矩绕组和2极悬浮绕组,电机凸极转子极弧角度为30°,转子凸极区域的气隙为δ0,在两相同步旋转d-q坐标系下,电机转矩绕组电压方程为:式中u4d、u4q为定子转矩绕组d-q轴电压,i4d、i4q分别为定子转矩绕组d-q轴电流,Rs1是定子转矩绕组电阻,ω为转子角速度,L4d、L4q分别为定子d-q轴转矩绕组自感,为微分算子;

依据式(9),无轴承同步磁阻电机在d-q轴下的转矩绕组定子电流数学模为:构造无轴承同步磁阻电机转矩绕组定子电流参考模型:依据式(10),电机转矩绕组定子电流参考模型可表示为:式中构造无轴承同步磁阻电机转矩绕组定子电流可调模型:依据式(11),进一步设计电机转矩绕组定子电流的并联可调模型为:

式中分别为电机转矩绕组定子电流并联可调模型输出的d-q轴电流估计值,标下的电机定子转矩绕组d-q轴电流i4d、i4q。3.基于权利要求2所述的一种无轴承同步磁阻电机的转速估计系统的无轴承同步磁阻电机转矩控制系统,其特征是,包括PI调节器和扩展的电流型PWM逆变器;PI调节器以电机转速给定值ω*与转速位移估计值之间的偏差为输入信号,输出信号为电机转矩控制所需要的q轴参考电流扩展的电流型PWM逆变器,由一个Park逆变换、一个Clark逆变换和一个电流型PWM逆变器组成;电机转矩绕组两相旋转坐标下的d轴参考电流q轴参考电流转子位置角估计值经Park逆变换后输出转矩绕组静止坐标下的两相电流再经Clark逆变换输出三相静止坐标下的转矩绕组电流此三相电流作为电流型PWM逆变器的参考指令电流,电流型PWM逆变器根据参考指令电流输出实际所需的三相电流iA1、iB1、iC1向转矩绕组供电,从而实现被控电机的无速度传感器下的转矩和转速控制。