欢迎来到知嘟嘟! 联系电话:13336804447 卖家免费入驻,海量在线求购! 卖家免费入驻,海量在线求购!
知嘟嘟
我要发布
联系电话:13336804447
知嘟嘟经纪人
收藏
专利号: 2018103321727
申请人: 湖南工程学院
专利类型:发明专利
专利状态:已下证
专利领域: 机床;其他类目中不包括的金属加工
更新日期:2026-03-04
缴费截止日期: 暂无
价格&联系人
年费信息
委托购买

摘要:

权利要求书:

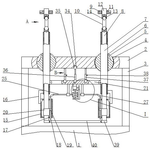
1.用于机械加工中夹紧工件的浮压机构,其特征在于:包括底座(1),底座(1)上部设有横板(2),横板(2)的左右两端与底座(1)之间均通过第一支架(3)固定连接,横板(1)顶面左右两侧均开设球形透槽(4),球形透槽(4)内均配合设置第一球体(5),第一球体(5)能在对应的球形透槽(4)内转动,第一球体(5)顶部均开设第一通孔(6),第一通孔(6)内均设有内螺纹管(7),内螺纹管(7)能沿对应的第一通孔(6)来回滑动,内螺纹管(7)侧面与对应的第一通孔(6)内壁紧密接触配合,第一球体(5)表面与对应的球形透槽(4)内壁紧密接触配合,内螺纹管(7)内配合安装螺杆(8),螺杆(8)的上端上部均设有夹距调整板(9),夹距调整板(9)后端与对应的内螺纹管(7)上端侧部之间均通过第二支架(10)固定连接,夹距调整板(9)顶面中间开设螺纹孔(11),螺纹孔(11)内均配合安装螺柱(12),螺柱(12)的下端面及螺杆(8)的上端面均开设第一球形槽(13),第一球形槽(13)内均设有第二球体(14),螺杆(8)的下端均套装管状的壳体(15),壳体(15)与内螺纹管(7)下端侧部之间均通过第三支架(16)固定连接,壳体(15)上下两端面内侧均开设第二通孔(17),同一壳体(15)上的两个第二通孔(17)内通过轴承安装竖轴(18),竖轴(18)上固定套装主动齿轮(19),螺杆(8)上固定套装从动齿轮套(20),从动齿轮套(20)与对应的主动齿轮(19)啮合配合,两根内螺纹管(7)下端内侧之间设有横向的连板(21),连板(21)的两端与对应的内螺纹管(7)侧部之间铰接连接,连板(21)底部中间固定安装横向的电机(22),连板(21)底部电机(22)的左右两侧均设有竖向的第四支架(23),第四支架(23)的下端均固定安装轴座(24),轴座(24)内均通过轴承安装传动轴(25),两根传动轴(25)对称设置,传动轴(25)的外端与对应的竖轴(18)上端之间均通过伸缩式万向联轴器(27)连接,传动轴(25)的内端均固定安装第一伞齿轮(28),右侧的传动轴(25)的左端固定安装第一齿轮(29),电机(22)的输出轴上固定安装第二齿轮(30),第一齿轮(29)与第二齿轮(30)啮合配合,两根传动轴(25)内端之间设有拨动轴(31),拨动轴(31)的上下两端与第一齿轮(29)侧部之间均通过第五支架(32)固定连接,拨动轴(31)上固定安装两个第二伞齿轮(33),第二伞齿轮(33)与两个第一伞齿轮(28)均啮合配合,连板(21)顶面与横板(2)底面分别对应开设三个第二球形槽(34),连板(21)顶面的三个第二球形槽(34)位于同一直线上,横板(2)底面的三个第二球形槽(34)不在一条直线上,第三球形槽(34)内均配合安装第三球体(35),位于横板(2)底部中间的第三球体(35)与连板(21)顶部中间的第三球体(35)通过弹力伸缩杆(36)固定连接,弹力伸缩杆(36)为竖向,位于横板(2)底部左侧的第三球体(35)与连板(21)顶部左侧的第三球体(35)及位于横板(2)底部右侧的第三球体(35)与连板(21)顶部右侧的第三球体(35)均通过固定伸缩杆(37)固定连接,固定伸缩杆(37)为斜向,固定伸缩杆(37)自带长度锁止装置(38)。

2.根据权利要求1所述的用于机械加工中夹紧工件的浮压机构,其特征在于:所述的长度锁止装置(38)为紧固螺栓,紧固螺栓的内端与对应的固定伸缩杆(37)的活动杆侧部接触配合。

3.根据权利要求1所述的用于机械加工中夹紧工件的浮压机构,其特征在于:所述的螺杆(8)的下端均通过轴承套装套环(39),两个套环(39)之间通过横杆(40)铰接连接。