欢迎来到知嘟嘟! 联系电话:13336804447 卖家免费入驻,海量在线求购! 卖家免费入驻,海量在线求购!
知嘟嘟
我要发布
联系电话:13336804447
知嘟嘟经纪人
收藏
专利号: 2018101558418
申请人: 宣城慧哲生产力促进中心有限公司
专利类型:发明专利
专利状态:已下证
专利领域: 发电、变电或配电
更新日期:2025-07-02
缴费截止日期: 暂无
价格&联系人
年费信息
委托购买

摘要:

权利要求书:

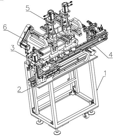
1.一种自动化马达定子浸锡机,其特征在于,包括机架、传送机构、上料机构和熔锡机构,所述机架上固定传送机构和熔锡机构,所述传送机构和熔锡机构的上方固定上料机构,所述上料机构通过上料支撑柱固定于机架上;

所述传送机构包括上传部和下载部,所述上传部和下载部并排固定于机架上,所述上传部包括上传夹持装置和上传移送装置,所述上传夹持装置固定于上传移送装置上,所述下载部包括定位装置和下载驱动装置,所述定位装置固定于下载驱动装置一端;

上传夹持装置设有水平固定于机架上的柱状基座,基座的一侧设置夹持水平滑轨,所述夹持水平滑轨的滑座上固定机械手,夹持气缸驱动机械手在夹持水平滑轨上运动,所述机械手用于夹持马达定子;

上传移送装置包括移送滑轨、移送板、移送同步带和移送电机,所述移送滑轨固定于基座的顶部,移送滑轨的滑座上固定移送板,移送同步带固定于基座的另一侧,所述移送板上设置柱套,移动滑轨的滑座固定于移送同步带上,所述移送同步带由移送电机驱动;

下载驱动装置包括下载滑轨、下载滑板、下载同步带和下载电机,所述下载滑轨固定于机架上,所述下载滑轨的滑座上固定下载滑板,所述下载同步带固定于下载滑轨的另一侧,所述下载滑板上设置柱套,下载滑轨的滑座固定于下载同步同步带上,所述下载同步带由下载电机驱动;

所述定位装置包括固定于下载驱动装置一端的上定位销和固定于下载滑板上的下定位销,所述上定位销贯穿上定位座且上定位销的后端由上定位气缸驱动,所述下定位销固定于下载滑板上且尖端向上;

上料机构包括上料水平移动装置和上料竖直移动装置,所述上料竖直移动装置固定于上料水平移动装置的活动端;所述上料水平移动装置包括上料水平电机、上料水平滑轨、上料水平滚珠丝杆和上料水平座,所述上料水平电机通过同步带驱动上料水平滚珠丝杆,上料水平座固定于上料水平滑轨的滑座上,所述上料水平滚珠丝杆的螺母与上料水平滑轨的滑座连接,所述上料水平滚珠丝杆驱动上料水平座水平运动;

所述上料水平座上固定上料竖直移动装置,所述上料竖直移动装置包括上料竖直电机、上料竖直滑轨、上料竖直滚珠丝杆和上料竖直板,所述上料竖直电机的输出轴固定上料竖直滚珠丝杆,上料竖直板固定于上料竖直滑轨的滑座上,所述上料竖直滚珠丝杆的螺母固定于上料竖直板的上端,所述上料竖直电机驱动上料竖直滚珠丝杆,所述上料竖直板的下端水平固定上料板,所述上料板的下表面固定电磁铁,所述电磁铁用于吸附马达定子。

2.根据权利要求1所述一种自动化马达定子浸锡机,其特征在于,所述熔锡机构设有锡炉,所述锡炉内设置加热棒,所述加热棒用于加热固体锡,所述加热棒与温度调节器电性连接,所述锡炉内设置温度传感器,用于监测锡炉内的温度,所述加热棒设置为多根,平行交错分布于锡炉内。

3.根据权利要求2所述一种自动化马达定子浸锡机,其特征在于,所述锡炉上设置锡渣移除机构,所述锡渣移除机构包括刮板和移除驱动部,所述刮板固定于移除驱动部上,所述移除驱动部包括移除底座、移除导柱、移除电机、移除滑座、移除气缸和移除横杆,所述移除底座设置为两个,且均固定于锡炉的一侧,两个所述移除底座之间水平固定移除导柱,所述移除导柱上固定移除滑座,移除电机固定于移除底座上,所述移除电机通过同步带驱动移除滑座在移除导柱上移动,所述移除滑座上竖直固定移除气缸,所述移除气缸的输出端水平固定移除横杆,所述移除横杆的一端固定刮板。

4.根据权利要求3所述一种自动化马达定子浸锡机,其特征在于,所述移除导柱的两端均固定移除接近传感器,所述移除接近传感器均与移除电机电性连接。

5.根据权利要求4所述一种自动化马达定子浸锡机,其特征在于,所述机械手包括搬运立板、搬动滑台气缸、搬运载板、搬运电机、搬运同步轮和搬运气爪,所述搬运立板固定于夹持水平滑轨的滑座上,所述搬运立板上竖直固定搬运滑台气缸,所述搬运滑台气缸的活动端水平固定搬运载板,所述搬运载板上固定搬运电机和搬运同步轮,所述搬运电机通过同步带驱动搬运同步轮,所述搬运同步轮下端固定搬运气爪,所述搬运气爪用于夹夹持马达定子。

6.根据权利要求5所述一种自动化马达定子浸锡机,其特征在于,所述下载滑板上还设置折弯机构,所述折弯机构包括折弯气缸、折弯滑轨、折弯滑板和折弯装置,所述折弯气缸固定于下载滑板上,所述折弯滑板固定于折弯滑轨的滑座上,所述折弯气缸驱动折弯滑轨的滑座在折弯滑轨上移动,所述折弯滑板上固定折弯装置,所述折弯装置包括折弯竖直气缸和折弯座,所述折弯座和折弯竖直气缸均固定于折弯滑板上,所述折弯座中活动式嵌入折弯针,所述折弯针与折弯竖直气缸的输出端连接,所述折弯竖直气缸驱动折弯针上下运动。

7.根据权利要求6所述一种自动化马达定子浸锡机,其特征在于,所述折弯座的顶部开设V形凹槽,所述折弯座上设置竖直通孔,所述折弯针活动式嵌入竖直通孔内,所述折弯针的顶部开设V形卡槽,所述V形卡槽与V形凹槽相匹配。