欢迎来到知嘟嘟! 联系电话:13336804447 卖家免费入驻,海量在线求购! 卖家免费入驻,海量在线求购!
知嘟嘟
我要发布
联系电话:13336804447
知嘟嘟经纪人
收藏
专利号: 2018101255311
申请人: 新昌县羽博机械有限公司
专利类型:发明专利
专利状态:已下证
专利领域: 鞋类
更新日期:2025-04-01
缴费截止日期: 暂无
价格&联系人
年费信息
委托购买

摘要:

权利要求书:

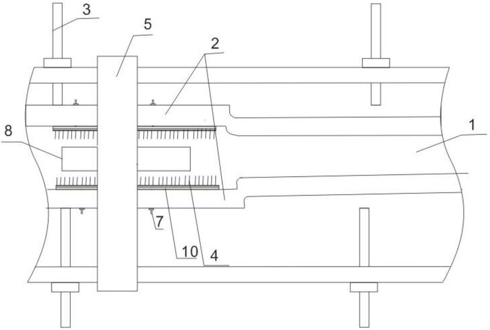
1.一种智能无人值守控制生产进度的制鞋设备,其特征在于,包括:在所述皮鞋输送机(1)的输送带的上方紧挨着上表面平行设置有两块挡板(2),两块挡板(2)沿着皮鞋输送机(1)的长度方向延伸,两块所述挡板(2)分别通过第一调节螺杆(3)固定在皮鞋输送机(1)两侧的机架上,两块所述挡板(2)的内侧分别设置有侧刷毛板(10),所述侧刷毛板(10)通过第二调节螺杆(7)固定在挡板(2)上,所述侧刷毛板(10)紧贴在挡板(2)内侧面,所述侧刷毛板(10)上设置有尼龙粘扣,侧刷毛(4)设置在另一个尼龙粘扣上,所述侧刷毛(4)通过两个尼龙粘扣粘合固定在侧刷毛板(10)上;

所述皮鞋输送机(1)上沿宽度方向设置有门形架(5),所述门形架(5)的两纵向梁的内侧对称设置有竖向滑轨,移动架(6)的两端通过滑块滑动安装在两侧的竖向滑轨上,所述移动架(6)通过安装在门形架(5)上横梁上的油缸或气缸(11)控制沿门形架(5)的纵向梁上下移动;

所述移动架(6)下表面安装沿皮鞋输送机(1)宽度方向延伸的直线导轨,上毛刷架(8)通过滑块滑动安装在直线导轨上,所述上刷毛架(8)沿皮鞋输送机(1)的长度方向延伸,所述上毛刷架(8)的下表面也设置有尼龙粘扣,上刷毛(9)设置在另一个尼龙粘扣上,所述上刷毛(9)通过两个尼龙粘扣粘合固定在上毛刷架(8)上。所述上毛刷架(8)前部的上刷毛(9)的长度较尾部的上刷毛的长度长,以便于前部的上刷毛(9)能刷到鞋子的后跟;所述上毛刷架(8)位于侧刷毛(4)的上方,所述上毛刷架(8)通过驱动装置驱动沿着直线导轨往复运动;

第一位置传感器和第二位置传感器安装在皮鞋输送机的上毛刷架左右两侧,计数器安装在皮鞋输送机左端,通过MCU第一位置信号接收端连接第一位置传感器信号发送端,MCU第二位置信号接收端连接第二位置传感器信号发送端,计数器数据发送端连接MCU计数数据接收端,MCU气缸驱动信号端连接气缸驱动电机工作信号端。

2.根据权利要求1所述的智能无人值守控制生产进度的制鞋设备,其特征在于,包括:

位置传感器电源端连接第1电容一端,第1电容另一端连接第1电阻一端,第1电阻另一端连接第1晶体管基极,第1晶体管集电极连接第1发光管负极,第1晶体管发射极分别连接第2电容一端和第3电容一端,第1发光管正极连接第2电阻一端,第2电阻另一端分别连接第3二极管正极和第6电容一端,第3二极管负极接地,第3二极管正极分别连接第3电阻一端和的第4电阻一端,第3电阻另一端连接第1放大器第一输入端,第4电阻另一端连接第1放大器第二输入端,第2电容另一端分别连接第5电容一端和第7电阻一端,第3电容另一端分别连接第5电阻一端和第6电阻一端,第5电容另一端分别连接第7电阻另一端和第8电阻一端,第8电阻另一端连接第5二极管负极,第5二极管正极分别连接第6电阻一端和第5电阻一端,第5电阻另一端分别连接第1放大器第三输入端,第1放大器输出端连接第4电容一端,第4电容另一端连接处理器第一位置信号输入端,第6电阻另一端分别连接第1放大器第三输入端和第1电位器一端,第1电位器另一端连接第8电阻一端后接地;

位置传感器电源端连接第7电容一端,第7电容另一端连接第9电阻一端,第9电阻另一端连接第2晶体管基极,第2晶体管集电极连接第1发光管负极,第2晶体管发射极分别连接第8电容一端和第9电容一端,第2发光管正极连接第10电阻一端,第10电阻另一端分别连接第4二极管正极和第12电容一端,第4二极管负极接地,第4二极管正极分别连接第11电阻一端和的第12电阻一端,第12电阻另一端连接第2放大器第一输入端,第12电阻另一端连接第

2放大器第二输入端,第8电容另一端分别连接第11电容一端和第15电阻一端,第9电容另一端分别连接第13电阻一端和第14电阻一端,第11电容另一端分别连接第15电阻另一端和第

16电阻一端,第16电阻另一端连接第6二极管负极,第6二极管正极分别连接第13电阻一端和第14电阻一端,第13电阻另一端分别连接第2放大器第三输入端,第2放大器输出端连接第10电容一端,第10电容另一端连接处理器第二位置信号输入端,第14电阻另一端分别连接第2放大器第三输入端和第2电位器一端,第2电位器另一端连接第16电阻一端后接地;

时钟信号输出端连接第1与非门输入端,第1与非门输出端连接第3与或门输入端,使能信号端连接第3与或门使能端,第3与或门输出端连接计数芯片时钟信号输入端,重置端连接第2与非门输入端,第2与非门输出端连接第4与或门输入端,第4与或门输出端连接计数芯片重置输入端,计数芯片电源端连接第24电阻一端,第24电阻另一端连接第14电容一端,第14电容另一端连接计数芯片电源端,计数芯片计数输出端连接第5与或门输入端,第5与或门输出端连接处理器计数信号输入端。

3.根据权利要求1所述的智能无人值守控制生产进度的制鞋设备,其特征在于,所述MCU为STM32系列处理器。