欢迎来到知嘟嘟! 联系电话:13336804447 卖家免费入驻,海量在线求购! 卖家免费入驻,海量在线求购!
知嘟嘟
我要发布
联系电话:13336804447
知嘟嘟经纪人
收藏
专利号: 2017111814558
申请人: 杭州电子科技大学
专利类型:发明专利
专利状态:已下证
专利领域: 发电、变电或配电
更新日期:2024-02-23
缴费截止日期: 暂无
价格&联系人
年费信息
委托购买

摘要:

权利要求书:

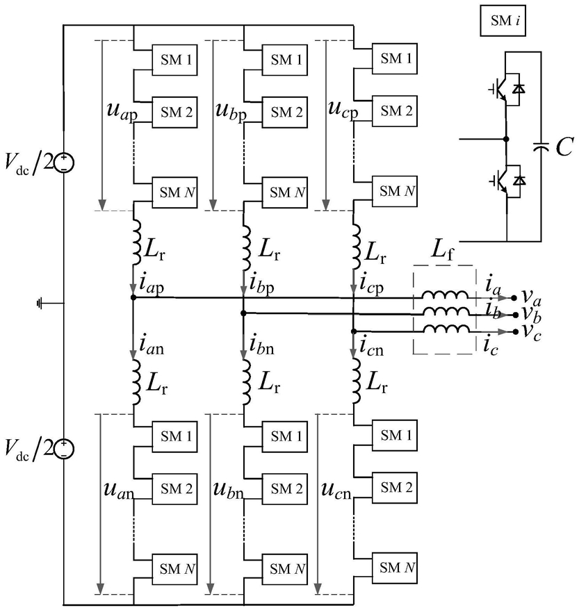
1.一种三相电网不平衡下MMC的三相电压支撑方法,其特征在于,该方法具体包含以下步骤:步骤1.忽略电网电压的零序分量,计算MMC采用恒有功功率控制方法下并网三相电流;

其中:V+、V-和V0分别表示电网电压向量的正序、负序和零序的幅值;θ+、θ-和θ0分别表示电网电压向量的正序、负序和零序的角度,k为多变量保护算法中的控制参数;ω表示电网频率,t表示时间;

步骤2.根据步骤1计算出三相电网电压的幅值如下:其中:

假设电压最大值Umax=max(Ua,Ub,Uc),电压最小值Umin=min(Ua,Ub,Uc),得出Umax,Umin和的关系如表1所示;由表可以看出,被分成六个区间,每个区间长度为π/3,可计算出不同下相应的电压幅值的最大值和最小值;即当 时,A相电压的幅值最大,C相最小; 时,B相电压的幅值最大,C相电压的幅值最小; 时,B相电压的幅值最大,A相电压幅值最小; 时,C相电压幅值最大,A相最小; C相电压幅值最大,B相最小; 时,A相电压幅值最大,B相最小;

表1

步骤3.假设V+>V-,根据步骤1,步骤2计算出V+,V-和并网规范下的Umax、Umin的关系:其中: k1和k2为中

间变量,取值依据表2:

表2

得出并网规范下并网点电压正序V+和负序V-;

步骤4.根据换流器与电网之间线路的等效电阻R和电感L来确定控制参数k以及注入的功率大小;

当R<<ωL,忽略电阻对并网点电压的影响,通过注入无功功率支撑并网点电压,调节参数k和注入的无功功率Q0的关系表达式如下:当R和ωL相当,线路电阻对并网点电压的影响不可忽略,按下式分配有功和无功功率:这样调节参数k和注入的无功功率Q0的表达式如下式所示:通过对电网注入功率,以实现该控制方法下对并网点的最优电压支撑,满足并网规范要求。