欢迎来到知嘟嘟! 联系电话:13336804447 卖家免费入驻,海量在线求购! 卖家免费入驻,海量在线求购!
知嘟嘟
我要发布
联系电话:13336804447
知嘟嘟经纪人
收藏
专利号: 2017108186445
申请人: 西安理工大学
专利类型:发明专利
专利状态:已下证
专利领域: 发电、变电或配电
更新日期:2024-01-05
缴费截止日期: 暂无
价格&联系人
年费信息
委托购买

摘要:

权利要求书:

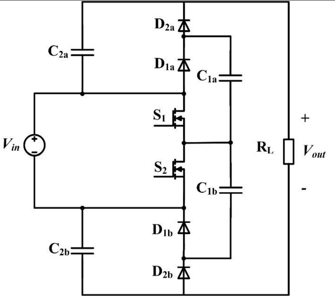
1.一种用于大功率开关电容变换器变频单周期控制方法,其特征在于,具体按照以下方法实施:基于电容充电和放电的实时安秒平衡法则,在一个周期Ts=ton+toff内,电容C1b的充电电量和放电电量守恒,其表达式如下:Qcharge+Qdischarge=Ich(tton+Io(t(ton+toff    (1);

式(1)中:Ich(t)是电容C1b的实时充电电流,Io(t)是是开关电容变换器的实时输出电流,ton和toff分别是电容C1b的充电时间和放电时间;

当开关管S1开启,开关管S2关断,在ton充电时间段内,电容C1b的充电电量表示为如下形式:式(2)中:Vin是输入电压,Vc1b(t)是电容C1b的实时充电电压,RS1是开关管S1的等效导通电阻,Rd1(b)为二极管D1b的等效导通电阻,Rc1(b)为电容C1b的等效内阻;

在一个周期内TS=(ton+toff)内,开关电容C1b总的放电电量能表示为如下形式:式(3)中:Io(t)为开关电容变换器的实时输出电流,VC2a(t)为电容C2a的实时放电电压,VC2b(t)为电容C2b的实时放电电压,RC2(a)为电容C2a的等效内阻,RC2(b)为电容C2b的等效内阻;

在一个周期内,电容C1b的实时安秒平衡公式能表示为如下形式:

式(4)中,用参考电压Vref代替(Vin+VC2a(t)+VC2b(t)),令 和基于电容C1b实时安秒平衡法则所得到的开关管S1控制信号US1的模型能

表示为如下形式:

利用同样原理,基于电容C1a实时安秒平衡法则所得到的开关管S2控制信号US2的模型表示为如下形式:式(6)中:Ts为双开关升压开关电容变换器的一个单周期时间,β1和β2为常数值;

开关管S2的控制信号US2为开关管S1控制信号US1的非,即:

2.根据权利要求1所述的一种用于大功率开关电容变换器变频单周期控制方法,其特征在于,根据所述式(5)能建立一个控制电路,该控制电路主要由可重置的积分器、一个比较器、一个D触发器、一个单稳态多谐振荡器、两个减法器以及电阻和电容组成。

3.根据权利要求2所述的一种用于大功率开关电容变换器变频单周期控制方法,其特征在于,所述D触发器的S输入端口和R输入端口分别接时钟信号和比较器的输出端。

4.根据权利要求2所述的一种用于大功率开关电容变换器变频单周期控制方法,其特征在于,所述单稳态多谐振荡器用来产生固定的导通时间ton。

5.根据权利要求2所述的一种用于大功率开关电容变换器变频单周期控制方法,其特征在于,所述控制电路的运行方法具体如下:在一个周期开始时,固定占空比恒定频率的时钟信号Clock设置D触发器的QD端输出信号为高,即QD=1, 端输出信号为低,即当D触发器的输出信号QD的下降沿出现时,反馈控制回路中的单稳态多谐振荡器将会生成一个固定脉冲宽度的控制信号Us1,恒定的导通时间为ton;固定脉冲宽度的控制信号US1将导通双开关升压开关电容变换器的开关管S1,此时,控制信号US1的互补控制信号US2为低电平,双开关升压开关电容变换器的开关管S2和可复位积分器的开关管W1保持关断,在开关管S1导通的ton时间段内,电容C1b的充电电流Ich(t)在可复位积分器持续积分,同时,电容C1a对电容C2a进行放电;当ton结束时,单稳态多谐振荡器一个输出端口置零,即US1=0,其另一输出端口为高,即US2=1,D触发器的QD端输出信号为低,即QD=0, 端输出信号为高,即开关管S1关断;在此时,积分器复位开关W1开启,积分器置零;同时,控制信号US2导通开关管S2,输入电源开始对电容C1a进行充电,同时,电容C1b对电容C2b进行放电;在toff时间段内,当开关电容C1b总的放电电量Qdischarge=Io(t)(ton+toff)等于负的充电电量-Qcharge=-Ich(t)ton时,比较器的状态从高降为低;当下一个时钟信号到来时,D触发器将会被重新置高并开始新的周期。