欢迎来到知嘟嘟! 联系电话:13336804447 卖家免费入驻,海量在线求购! 卖家免费入驻,海量在线求购!
知嘟嘟
我要发布
联系电话:13336804447
知嘟嘟经纪人
收藏
专利号: 201710220211X
申请人: 中国矿业大学
专利类型:发明专利
专利状态:已下证
专利领域: 电通信技术
更新日期:2024-01-05
缴费截止日期: 暂无
价格&联系人
年费信息
委托购买

摘要:

权利要求书:

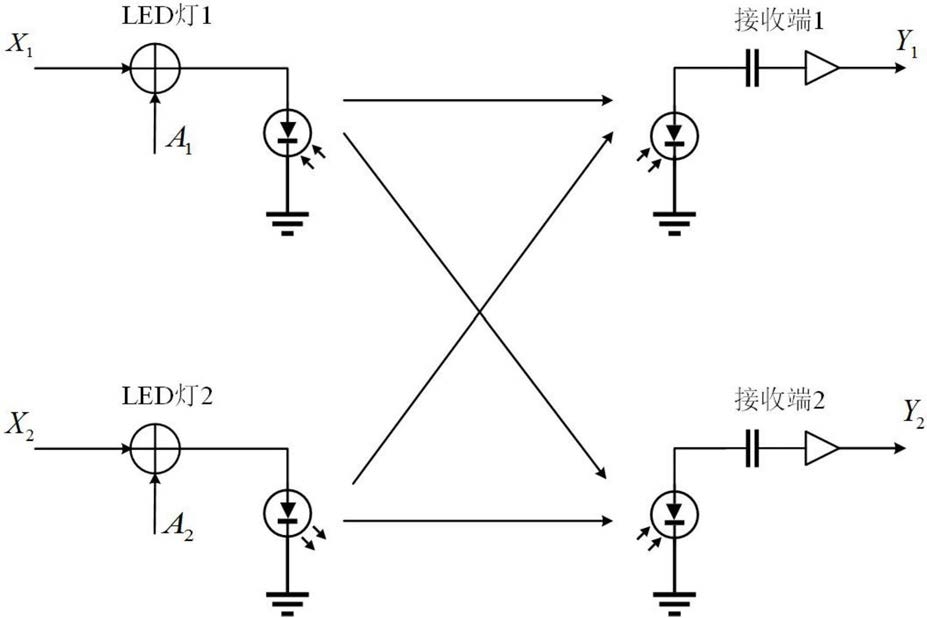
1.可见光通信干扰信道容量分析方法,其特征在于,包括如下步骤:步骤1,对于可见光通信网络中的第i个用户,设置其未加入直流偏置的发射信号Xi;

步骤2,计算未加入直流偏置的发射信号Xi的微分熵{h(Xi)};

步骤3,加入直流偏置Ai,设置加入直流偏置的发射信号为 其平均光功率为Po,i,平均电功率为Pe,i;

步骤4,计算得到可达速率域。

2.根据权利要求1所述的可见光通信干扰信道容量分析方法,其特征在于,步骤1中,所述未加入直流偏置的发射信号Xi服从连续概率分布,这一概率分布的概率密度函数为fi(Xi),并且概率密度函数fi(Xi)满足如下条件:其中,Ai表示直流偏置,则未加入直流偏置的发射信号Xi幅度范围、均值和平均电功率为:其中εi为预先设定的第i个用户的平均电功率约束, 为求均值。

3.根据权利要求2所述的可见光通信干扰信道容量分析方法,其特征在于,步骤2中,通过如下公式计算未加入直流偏置的发射信号Xi的微分熵{h(Xi)}:其中log(·)为对数函数。

4.根据权利要求3所述的一种可见光通信干扰信道容量分析方法,其特征在于,步骤3中,通过如下公式设置加入直流偏置的发射信号 平均光功率Po,i和平均电功率Pe,i:

5.根据权利要求4所述的可见光通信干扰信道容量分析方法,其特征在于,步骤4包括:可达速率域为 其中 为第i个用户的最大可达速率,i取值为1~N,N为传输对的总数,则对于第i个用户, 的一个下界为:其中π为圆周率,σ2为噪声方差,j的取值为1~N,j表示用户的传输对序号,εj为对应的第j个发射端的平均电功率,h(·)为对应随机变量的微分熵;

则一个可达速率域 为:

6.基于截断高斯分布的可见光通信干扰信道容量计算方法,其特征在于,包括如下步骤:步骤1,对于可见光通信网络中的第i个用户,设置其未加入直流偏置的发射信号Xi;

步骤2,计算未加入直流偏置的发射信号Xi的微分熵{h(Xi)};

步骤3,加入直流偏置Ai,设置加入直流偏置的发射信号为 其平均光功率为Po,i,平均电功率为Pe,i;

步骤4,计算得到可达速率域。

7.根据权利要求6所述的基于截断高斯分布的可见光通信干扰信道容量计算方法,其特征在于,步骤1中,所述未加入直流偏置的发射信号Xi服从截断高斯分布,将关于随机变量Xi,方差为νi2的零均值高斯分布概率密度函数表示为φ(0,νi2;Xi),则对应的截断高斯分布概率密度函数fiTG(Xi)表示为:其中,Ai为直流偏置,ηi为归一化系数,即 根据方差约束,根据如下关系计算得到

其中εi为预先设定的第i个用户的平均电功率约束。

8.根据权利要求7所述的基于截断高斯分布的可见光通信干扰信道容量计算方法,其特征在于,步骤2中,通过如下公式计算未加入直流偏置的发射信号Xi的微分熵{h(Xi)}:其中,e为自然常数,log2(·)为以2为底数的对数函数。

9.根据权利要求8所述的基于截断高斯分布的可见光通信干扰信道容量计算方法,其特征在于,步骤3中,通过如下公式设置加入直流偏置的发射信号 平均光功率Po,i和平均电功率Pe,i:步骤4中,可达速率域为 其中 为第i个用户的最大可达速率,i取值为1~N,N为传输对的总数,则对于第i个用户, 的一个下界为:其中下标j表示用户的传输对序号,j的取值为1~N,εj表示设置的第j个用户的平均电功率,νj表示步骤1中设置的第j个用户的截断高斯分布的方差,一个可达速率域 为:

10.基于ABG分布的可见光干扰信道容量计算方法,其特征在于,包括如下步骤:步骤1,对于可见光通信网络中的第i个用户,设置其未加入直流偏置的发射信号Xi,Xi服从连续概率分布,这一概率分布的概率密度函数为fi(Xi),并且概率密度函数fi(Xi)满足如下条件:其中,Ai表示直流偏置,则未加入直流偏置的发射信号Xi幅度范围、均值和平均电功率为:其中εi为预先设定的第i个用户的平均电功率约束, 为求均值;

步骤2,求解第i个用户的ABG分布,对应的概率密度函数fiABG(Xi)为:其中N为传输对的总数,参数αi,βi和γi为如下方程组的解:其中,函数 erf(·)为高斯误差函数;

步骤3,计算未加入直流偏置的发射信号Xi的微分熵{h(Xi)}:步骤4,加入直流偏置Ai,通过如下公式设置加入直流偏置的发射信号 平均光功率Po,i和平均电功率Pe,i:步骤5,计算可达速率域:可达速率域为 其中 为第i个用户的最大可达速率,i取值为1~N,N为传输对的总数,则对于第i个用户, 的一个下界为:其中j的取值为1~N,j表示用户的传输对序号,εj表示第j个用户的平均电功率,σ2为噪声方差,则一个可达速率域 为: