欢迎来到知嘟嘟! 联系电话:13336804447 卖家免费入驻,海量在线求购! 卖家免费入驻,海量在线求购!
知嘟嘟
我要发布
联系电话:13336804447
知嘟嘟经纪人
收藏
专利号: 2017101350241
申请人: 宁波大学
专利类型:发明专利
专利状态:已下证
专利领域: 测量;测试
更新日期:2023-08-24
缴费截止日期: 暂无
价格&联系人
年费信息
委托购买

摘要:

权利要求书:

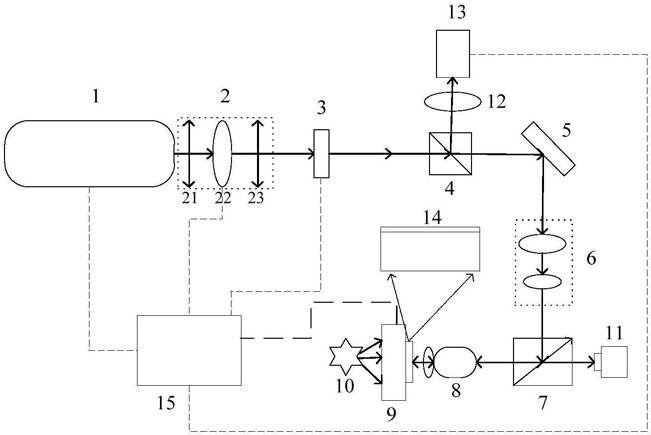
1.一种飞秒激光加工中透明薄膜折射率改变量的获取方法,所述的飞秒激光平面加工装置包括沿主光路顺序排列的用于发出加工光束的飞秒激光器、激光功率调谐机构、快门、第一偏振分光棱镜、全反镜、激光光束直径调整系统、第二偏振分光棱镜、物镜和用于放置样品薄膜的三维移动平台,所述的三维移动平台背面设置有对样品薄膜进行背景照明的LED光源,所述的第二偏振分光棱镜的分光路上设置有成像CCD,所述的第一偏振分光棱镜的分光路上设置有聚焦透镜和光电倍增管,所述的光电倍增管与放置在所述的三维移动平台上的样品薄膜表面处在共聚焦位置,所述的激光器、所述的三维移动平台、所述的快门、所述的激光功率调谐机构和所述的光电倍增管分别与控制计算机连接,其特征在于在样品薄膜上选取一块1000μm×1000μm区域,在该区域按8行8列选择64个均匀分布的80μm×80μm的区域作为激光诱导区域,利用飞秒激光逐线扫描全部所述的激光诱导区域,通过测试得到的每个激光诱导区域的透射谱,利用薄膜的透射光谱曲线与其切点包络线相切位置处对应的波长及切点包络数据计算薄膜折射率的方法从透射谱中计算得到激光诱导区域的折射率,将其与激光加工前的薄膜折射率进行比较得到薄膜折射率的改变量。

2.如权利要求1所述的一种飞秒激光加工中透明薄膜折射率改变量的获取方法,其特征在于所述的物镜的数值孔径为1.4,飞秒激光逐线扫描的间隔为300nm。

3.如权利要求1所述的一种飞秒激光加工中透明薄膜折射率改变量的获取方法,其特征在于所述的飞秒激光逐线扫描是指在同一列中的扫描速度相同,同一行中的激光功率相同。