欢迎来到知嘟嘟! 联系电话:13336804447 卖家免费入驻,海量在线求购! 卖家免费入驻,海量在线求购!
知嘟嘟
我要发布
联系电话:13336804447
知嘟嘟经纪人
收藏
专利号: 201710014468X
申请人: 杭州电子科技大学
专利类型:发明专利
专利状态:已下证
专利领域: 微观结构技术〔7〕
更新日期:2024-01-05
缴费截止日期: 暂无
价格&联系人
年费信息
委托购买

摘要:

权利要求书:

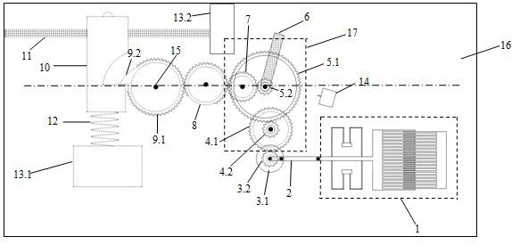
1.低驱动电压的微型冲击锤,包括圆柱形的冲击器锤体、储存能量的梁、弹簧体、微齿轮组和锁定机构,使用Sandia SUMMIT工艺制备,其特征在于:

微齿轮组中的小齿轮带动大齿轮,小齿轮分度圆半径为r,大齿轮分度圆半径为R,则小齿轮驱动力为大齿轮阻力的r/R;梳状微驱动器受静电力作用产生水平方向的振动,通过微型曲柄滑块结构将水平方向运动转化为顺时针圆周方向运动,再通过微齿轮组带动主齿轮逆时针转动,主齿轮上的从动块钩住冲击器锤体,开始装载梁同时压缩弹簧体,在微齿轮组与主齿轮之间设置有不完全齿轮;最后,锁定机构将高能量状态下的锤锁定,梳状驱动器停止工作,存储的机械能被锁定;当需要释放能量时,对梳状微驱动器施加电压使其重新开始工作,通过微型曲柄滑块结构以及微齿轮组使得不完全齿轮再沿顺时针方向转动一个微小角度,同时不完全齿轮释放对主齿轮的锁定,弹簧体以及梁释放能量,使冲击器锤体获得高机械能。

我要求购
我不想找了,帮我找吧
您有专利需要变现?
我要出售
智能匹配需求,快速出售