欢迎来到知嘟嘟! 联系电话:13336804447 卖家免费入驻,海量在线求购! 卖家免费入驻,海量在线求购!
知嘟嘟
我要发布
联系电话:13336804447
知嘟嘟经纪人
收藏
专利号: 2016112190862
申请人: 西南交通大学
专利类型:发明专利
专利状态:已下证
专利领域: 发电、变电或配电
更新日期:2024-01-05
缴费截止日期: 暂无
价格&联系人
年费信息
委托购买

摘要:

权利要求书:

1.一种牵引供电系统光伏储能并网装置的控制方法,其特征在于,包括步骤:

S100,通过检测电路、光伏系统DC/DC变换器和储能系统双向DC/DC变换器采集牵引供电系统中的各项运行状态,包括两条供电臂的母线电压有效值、两条供电臂的母线电压同步信号、两条供电臂馈线电流的相量形式、两条供电臂负荷的有功功率、光伏阵列的实时输出功率和储能装置的实时充放电功率;

S200,将两条供电臂负荷的有功功率相加之后与光伏阵列的实时输出功率相减,得到储能装置不工作时牵引供电系统对于电力网络的等效负荷;将等效负荷进行均值滤波处理后,得到储能装置工作时牵引供电系统对于电力网络的等效负荷期望值;定义储能装置放电为正,充电为负,则储能装置充放电功率的给定值为等效负荷和等效负荷期望值的差值;

S300,将两条供电臂馈线电流的相量形式与各自相的同步信号相乘,经过低通滤波之后得两馈线电流中的有功分量,从而得到变量参数;

S400,将光伏阵列的实时输出功率和储能装置的实时充放电功率平均分配在两条供电臂中,将两个供电臂的母线电压同步信号作移相处理,从而确定两台四象限变换器的电流给定值;

S500,将储能装置充放电功率的给定值输入储能系统双向DC/DC变换器,储能系统双向DC/DC变换器控制储能装置的充放电功率实时跟随充放电功率的给定值;

将两台四象限变换器的电流给定值输入对应的四象限变换器,采用直接电流控制方法,使四象限变换器的电流跟随电流给定值,实现光伏阵列和储能装置的并网,以及牵引供电系统中的无功和负序综合补偿;

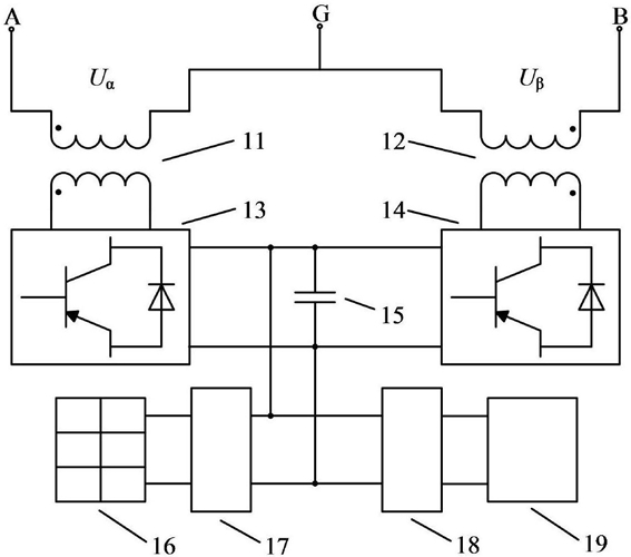
其中,牵引供电系统光伏储能并网装置,包括光伏阵列(16)、光伏系统DC/DC变换器(17)、储能装置(19)、储能系统双向DC/DC变换器(18)、直流支撑电容(15)、单相四象限变换器Ⅰ(13)、单相四象限变换器Ⅱ(14)、单相变压器Ⅰ(11)和单相变压器Ⅱ(12);

单相变压器Ⅰ(11)和单相变压器Ⅱ(12)的一次侧中各有一端分别与牵引供电系统两个供电臂的母线(23、24)连接,并在单相变压器Ⅰ(11)和单相变压器Ⅱ(12)与两个供电臂的母线的连接端设置检测电路;单相变压器Ⅰ(11)和单相变压器Ⅱ(12)一次侧中的另一端相互连接,并同时连接至牵引供电系统的钢轨(25),钢轨(25)接地网;

单相四象限变换器Ⅰ(13)的交流侧与单相变压器Ⅰ(11)的二次侧连接,单相四象限变换器Ⅱ(14)的交流侧与单相变压器Ⅱ(12)的二次侧连接;单相四象限变换器Ⅰ(13)和单相四象限变换器Ⅱ(14)的直流侧共同连接至一个公用的直流支撑电容(15)上,形成背靠背结构;

直流支撑电容(15)同时还与光伏系统DC/DC变换器(17)的输出端和储能系统双向DC/DC变换器(18)的输出端相互并联,光伏系统DC/DC变换器(17)的输入端连接光伏阵列(16),储能系统双向DC/DC变换器(18)的输入端连接储能装置(19)。

2.根据权利要求1所述的一种牵引供电系统光伏储能并网装置的控制方法,其特征在于,所述光伏系统DC/DC变换器(17)具有最大功率跟踪功能。

3.根据权利要求2所述的一种牵引供电系统光伏储能并网装置的控制方法,其特征在于,所述储能系统双向DC/DC变换器(18)采用隔离型或非隔离型拓扑结构。

4.根据权利要求1所述的一种牵引供电系统光伏储能并网装置的控制方法,其特征在于,所述光伏阵列(16)通过光伏组件的串并联来构成,光伏阵列(16)中光伏组件的串联数和并联数结合单个光伏组件的标称功率、单相逆变器的容量、牵引供电系统的功率需求、支架成本和直流线缆成本因素来确定。

5.根据权利要求1所述的一种牵引供电系统光伏储能并网装置的控制方法,其特征在于,所述储能装置(19)为压缩空气储能、飞轮储能、蓄电池储能、超导储能或超级电容储能。

6.根据权利要求1所述的一种牵引供电系统光伏储能并网装置的控制方法,其特征在于,在并网装置与牵引供电系统两个供电臂的母线(23、24)连接处,还并联连接牵引变压器(22)的一次侧,所述牵引变压器(22)的二次侧连接至电力网络(21)。

7.根据权利要求6所述的一种牵引供电系统光伏储能并网装置的控制方法,其特征在于,所述牵引变压器(22)为V型接线牵引变压器、YNd11接线牵引变压器、Scott接线牵引变压器或阻抗匹配平衡变压器。

8.根据权利要求1所述的一种牵引供电系统光伏储能并网装置的控制方法,其特征在于,所述检测电路包括电压检测电路和电流检测电路。