欢迎来到知嘟嘟! 联系电话:13336804447 卖家免费入驻,海量在线求购! 卖家免费入驻,海量在线求购!
知嘟嘟
我要发布
联系电话:13336804447
知嘟嘟经纪人
收藏
专利号: 2016104733640
申请人: 西安电子科技大学
专利类型:发明专利
专利状态:已下证
专利领域: 电通信技术
更新日期:2024-02-26
缴费截止日期: 暂无
价格&联系人
年费信息
委托购买

摘要:

权利要求书:

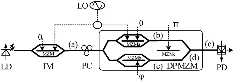
1.一种利用强度调制器IM和双平行马赫增德尔调制器DPMZM级联产生八倍频毫米波的方法,包括激光器、强度调制器IM、双平行马赫增德尔调制器DPMZM、射频信号源、电分路器、偏振控制器以及光电探测器;其特征在于: 强度调制器IM工作在传输曲线的最大点,输出零阶和正负二阶边带,然后送往双平行马赫增德尔调制器DPMZM;DPMZM子调制器MZM-a工作在传输曲线的最大点,输出零阶、正负二阶以及正负四阶边带;DPMZM子调制器MZM-b输出零阶和正负二阶边带;DPMZM的主调制器MZM-c工作在传输曲线的最小点,使MZM-a和MZM-b输出反相;调节MZM-b的直流偏置,使上下两路的零阶和正负二阶边带相互抵消,DPMZM调制器输出正负四阶边带,光电探测器输出为八倍频信号。

2.根据权利要求1所述的“一种利用强度调制器IM和双平行马赫增德尔调制器DPMZM级联产生八倍频毫米波的方法”,其特征在于:DPMZM调制器包括三个马赫-曾德尔调制器,其中一个马赫-曾德尔调制器作为主调制器,另外两个马赫-曾德尔调制器作为子调制器嵌在主调制器中。

3.根据权利要求1所述的“一种利用强度调制器IM和双平行马赫增德尔调制器DPMZM级联产生八倍频毫米波的方法”,其特征在于:IM调制器的射频端口连接电分路器的一个输出端,所述电分路器的另一个输出端与DPMZM调制器的MZM-a的射频端口连接,所述电分路器的输入端输入射频本振信号。

4.根据权利要求1所述的“一种利用强度调制器IM和双平行马赫增德尔调制器DPMZM级联产生八倍频毫米波的方法”,其特征在于:所述DPMZM调制器的MZM-b不加射频信号,只加直流偏置。

5.根据权利要求1所述的“一种利用强度调制器IM和双平行马赫增德尔调制器DPMZM级联产生八倍频毫米波的方法”,其特征在于:IM调制器和MZM-a的调制指数均为1.72。

6.根据权利要求1所述的“一种利用强度调制器IM和双平行马赫增德尔调制器DPMZM级联产生八倍频毫米波的方法”,其特征在于:MZM-b只加直流偏置具体是指,设置MZM-b直流偏置使上下臂信号之间相差36°。