欢迎来到知嘟嘟! 联系电话:13336804447 卖家免费入驻,海量在线求购! 卖家免费入驻,海量在线求购!
知嘟嘟
我要发布
联系电话:13336804447
知嘟嘟经纪人
收藏
专利号: 2016100886420
申请人: 山西元壹本安电源科技有限公司
专利类型:发明专利
专利状态:已下证
专利领域: 发电、变电或配电
更新日期:2024-03-11
缴费截止日期: 暂无
价格&联系人
年费信息
委托购买

摘要:

权利要求书:

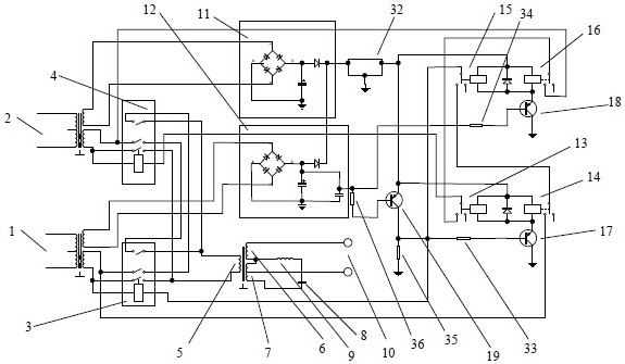
1.一种具有抗干扰功能的双电源双重电气互锁交流稳压电源箱,包括主电源降压变压器(1)、备用电源降压变压器(2)、主电源接触器(3)和备用电源接触器(4),其特征在于,主电源降压变压器(1)的127伏输出绕组的一端分别与主电源接触器(3)的触点控制线圈的一端和主电源接触器(3)的第一常开触点的输入端连接在一起,主电源接触器(3)的触点控制线圈的另一端与第三继电器(15)的公共触点连接在一起,主电源降压变压器(1)的127V输出绕组的另一端分别与第二继电器(14)的常开触点和主电源接触器(3)的第二常开触点的输入端连接在一起,第三继电器(15)的常闭触点与第二继电器(14)的公共触点连接在一起,主电源接触器(3)的常闭触点的输入端与备用电源接触器(4)的第二常开触点的输出端连接在一起,主电源接触器(3)的常闭触点的输出端分别与主电源接触器(3)的第二常开触点输出端和稳压电源变压器一次侧绕组(5)的一端连接在一起,备用电源接触器(4)的常闭触点的输出端分别与备用电源接触器(4)的第一常开触点的输出端和稳压电源变压器一次侧绕组(5)的另一端连接在一起,主电源接触器(3)的第一常开触点的输出端与备用电源接触器(4)的常闭触点的输入端连接在一起,备用电源降压变压器(2)的127伏输出绕组的一端分别与备用电源接触器(4)的触点控制线圈的一端和备用电源接触器(4)的第一常开触点的输入端连接在一起,备用电源接触器(4)的触点控制线圈的另一端与第一继电器(13)的公共触点连接在一起,备用电源降压变压器(2)的127伏输出绕组的另一端分别与第四继电器(16)的常开触点和备用电源接触器(4)的第二常开触点的输入端连接在一起,第一继电器(13)的常闭触点与第四继电器(16)的公共触点连接在一起,稳压电源变压器二次侧输出绕组(6)的一端与电源输出端(10)的一端连接在一起,稳压电源变压器二次侧输出绕组(6)的另一端与稳压电源变压器谐振绕组(7)的一端连接在一起,稳压电源变压器谐振绕组(7)的两端连接有串联的谐振电容(8)和谐振电感(9),稳压电源变压器谐振绕组(7)的中间抽头与电源输出端(10)的另一端连接在一起,主电源降压变压器(1)的二十四伏控制输出端与主电源回路的二十四伏整流电源(12)的输入端连接在一起,备用电源降压变压器(2)的二十四伏控制输出端与备用电源回路的二十四伏整流电源(11)的输入端连接在一起,主电源回路的二十四伏整流电源(12)的输出端分别与备用电源回路的二十四伏整流电源(11)的输出端和直流十二伏稳压单元(32)的输入端连接在一起,直流十二伏稳压单元(32)的输出端分别与第三继电器(15)的控制线圈的一端、第四继电器(16)的控制线圈的一端、第一继电器(13)的控制线圈的一端和第二继电器(14)的控制线圈的一端连接在一起,第三继电器(15)的控制线圈的另一端分别与第四继电器(16)的控制线圈另一端和第二达林顿三极管(18)的发射极连接在一起,第二达林顿三极管(18)的集电极与地连接在一起,第二达林顿三极管(18)的基极与第二限流电阻(34)的一端连接在一起,第二限流电阻(34)的另一端分别与主回路二十四伏整流电源(12)中的电解电容正极和第四限流电阻(36)的一端连接在一起,主回路二十四伏整流电源(12)中的电解电容负极接地,第四限流电阻(36)的另一端与反相电路(19)的基极连接在一起,反相电路(19)的发射极与直流十二伏的稳压单元(32)的输出端连接在一起,反相电路(19)的集电极分别与第三限流电阻(35)的一端和第一限流电阻(33)的一端连接在一起,第三限流电阻(35)的另一端与地连接在一起,第一限流电阻(33)的另一端与第一达灵顿三极管(17)的基极连接,第一达灵顿三极管(17)的集电极与地连接在一起,第一继电器(13)的控制线圈的另一端分别与第二继电器(14)的控制线圈的另一端和第一达林顿三极管(17)的发射极连接在一起。