欢迎来到知嘟嘟! 联系电话:13336804447 卖家免费入驻,海量在线求购! 卖家免费入驻,海量在线求购!
知嘟嘟
我要发布
联系电话:13336804447
知嘟嘟经纪人
收藏
专利号: 2016100886416
申请人: 洛阳申耐电力设备有限公司
专利类型:发明专利
专利状态:已下证
专利领域: 发电、变电或配电
更新日期:2024-02-23
缴费截止日期: 暂无
价格&联系人
年费信息
委托购买

摘要:

权利要求书:

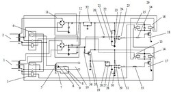
1.一种具有抗干扰功能的双电源延时控制双互锁交流稳压电源箱,包括主电源降压变压器(1)、备用电源降压变压器(2)、主电源接触器(3)和备用电源接触器(4),其特征在于,主电源降压变压器(1)的127V输出绕组的一端分别与主电源接触器(3)的触点控制线圈的一端和主电源接触器(3)的第一常开触点的输入端连接在一起,主电源接触器(3)的触点控制线圈的另一端与第三继电器(15)的公共触点连接在一起,主电源降压变压器(1)的127V输出绕组的另一端分别与第二继电器(14)的常开触点和主电源接触器(3)的第二常开触点的输入端连接在一起,第三继电器(15)的常闭触点与第二继电器(14)的公共触点连接在一起,主电源接触器(3)的常闭触点的输入端与备用电源接触器(4)的第二常开触点的输出端连接在一起,主电源接触器(3)的常闭触点的输出端分别与主电源接触器(3)的第二常开触点输出端和稳压电源变压器一次侧绕组(5)的一端连接在一起,备用电源接触器(4)的常闭触点的输出端分别与备用电源接触器(4)的第一常开触点的输出端和稳压电源变压器一次侧绕组(5)的另一端连接在一起,主电源接触器(3)的第一常开触点的输出端与备用电源接触器(4)的常闭触点的输入端连接在一起,备用电源降压变压器(2)的127V输出绕组的一端与备用电源接触器(4)的触点控制线圈的一端及备用电源接触器(4)的第一常开触点的输入端连接在一起,备用电源接触器(4)的触点控制线圈的另一端与第一继电器(13)的公共触点连接在一起,备用电源降压变压器(2)的127V输出绕组的另一端分别与第四继电器(16)的常开触点和备用电源接触器(4)的第二常开触点的输入端连接在一起,第一继电器(13)的常闭触点与第四继电器(16)的公共触点连接在一起,稳压电源变压器二次侧输出绕组(6)的一端与电源输出端(10)的一端连接在一起,稳压电源变压器二次侧输出绕组(6)的另一端与稳压电源变压器谐振绕组(7)的一端连接在一起,稳压电源变压器谐振绕组(7)的两端连接有串联的谐振电容(8)和谐振电感(9),稳压电源变压器谐振绕组(7)的中间抽头与电源输出端(10)的另一端连接在一起,主电源降压变压器(1)的二十四伏控制输出端与主电源回路的二十四伏整流电源(12)的输入端连接在一起,备用电源降压变压器(2)的二十四伏控制输出端与备用电源回路的二十四伏整流电源(11)的输入端连接在一起,主电源回路的二十四伏整流电源(12)的输出端分别与备用电源回路的二十四伏整流电源(11)的输出端和直流十二伏稳压单元(32)的输入端连接在一起,直流十二伏稳压单元(32)的输出端分别与第三继电器(15)的控制线圈的一端、第四继电器(16)的控制线圈的一端、第一继电器(13)的控制线圈的一端和第二继电器(14)的控制线圈的一端连接在一起,第三继电器(15)的控制线圈另一端分别与第四继电器(16)的控制线圈另一端和第二达林顿三极管(18)的发射极连接,第二达林顿三极管(18)的集电极接地,第二达林顿三极管(18)的基极与第二限流电阻(34)的一端连接在一起,第二限流电阻(34)的另一端与备用电源回路的比较器(25)的输出端连接在一起,第一继电器(13)的控制线圈的另一端分别与第二继电器(14)的控制线圈的另一端和第一达林顿三极管(17)的发射极连接在一起,第一达林顿三极管(17)的集电极与地连接在一起,第一达林顿三极管(17)的基极与第一限流电阻(33)的一端连接在一起,第一限流电阻(33)的另一端与主电源回路的比较器(31)输出端连接在一起,主回路二十四伏整流电源(12)中的电解电容正极与备用回路隔离二极管(20)的负极连接在一起,在直流十二伏稳压单元(32)的输出端与接地点间串联有备用回路第一分压电阻(23)和备用回路第二分压电阻(24),备用回路第一分压电阻(23)与备用回路第二分压电阻(24)连接处与备用回路比较器(25)输入正端连接,在直流十二伏稳压单元(32)的输出端与接地点间串联有备用回路延时电阻(22)和备用回路延时电容(21),备用回路延时电阻(22)与备用回路延时电容(21)的正极连接处分别与备用回路隔离二极管(20)的正极和备用回路比较器(25)输入负端连接在一起,反相电路(19)的基级与第四限流电阻(36)的一端连接在一起,第四限流电阻(36)的另一端与主回路二十四伏整流电源(12)中的电解电容正极连接在一起,且该电解电容的负极接地,反相电路(19)的发射极与直流十二伏稳压单元(32)的输出端连接在一起,反相电路(19)的集电极分别与第三限流电阻(35)的一端、延时电阻(27)的一端和主回路隔离二极管(26)的负极连接在一起,第三限流电阻(35)的另一端与地连接在一起,在主回路隔离二极管(26)的正极分别与主回路延时电阻(27)另一端、主回路延时电容(28)正极和主回路比较器(31)的输入端负极连接在一起,主回路延时电容(28)的负极与地连接在一起,在直流十二伏稳压单元(32)的输出端与接地点间串联有主回路第一分压电阻(29)和主回路第二分压电阻(30),主回路第一分压电阻(29)与主回路第二分压电阻(30)的连接点处连接有主回路比较器(31)的正极,

所述一种具有抗干扰功能的双电源延时控制双互锁交流稳压电源箱,在两路控制信号回路上分别设计了双电源切换延时电路,在控制信号00、01、10的切换控制中实现两路电源中原先工作的一路先断电,需切换的另一路要延时3秒后再上电,即主电源工作的切换时序为10主电源工作→00切换00后保持3秒→01再切换至备用电源工作,备用电源工作的切换时序为01备用电源工作→00切换00后保持3秒→10再切换至主电源工作,其延时时间能调,从而避免了两路电源切换造成的电压叠加。