欢迎来到知嘟嘟! 联系电话:13095918853 卖家免费入驻,海量在线求购! 卖家免费入驻,海量在线求购!
知嘟嘟
我要发布
联系电话:13095918853
知嘟嘟经纪人
收藏
专利号: 2015109893196
申请人: 宁波远志立方能源科技有限公司
专利类型:发明专利
专利状态:已下证
专利领域: 家具;家庭用的物品或设备;咖啡磨;香料磨;一般吸尘器
更新日期:2023-12-19
缴费截止日期: 暂无
价格&联系人
年费信息
委托购买

摘要:

权利要求书:

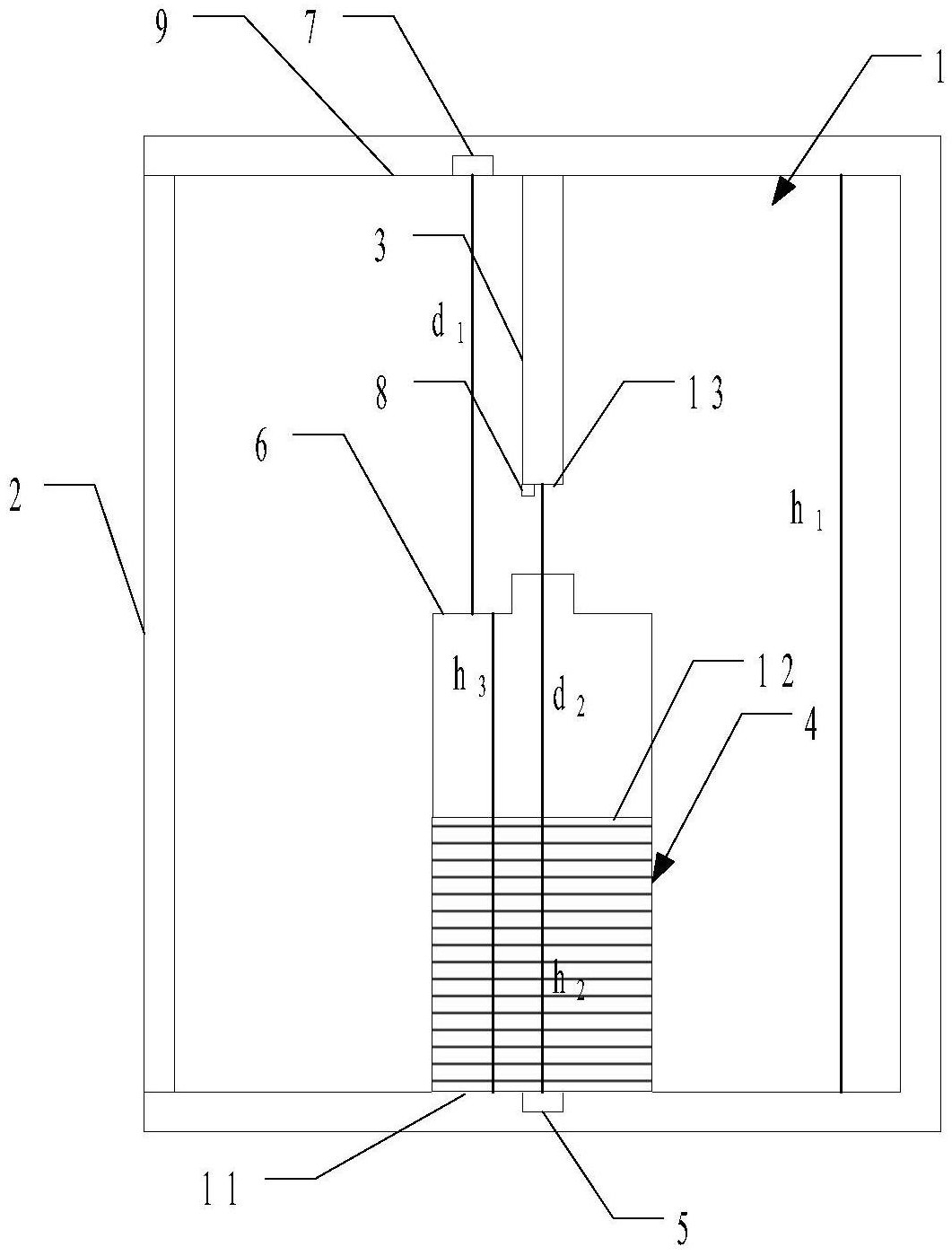
1.一种基于红外测距传感器的直饮水机,其特征在于,包括:

接水仓,其呈立方体的形状,用于放入一个接水容器;

出水管,其由所述接水仓的顶部沿着所述接水仓的中心轴线向下延伸;

电磁阀,其设置在所述出水管上;

第一红外测距传感器,其设置所述接水仓的顶部,靠近所述出水管,且所述第一红外测距传感器的光路与所述中心轴线平行;

第二红外测距传感器,其设置在所述出水管的下端部,所述第二红外测距传感器的光路与所述中心轴线平行;

数据处理模块,其与所述流量传感器、所述电磁阀、所述第一红外测距传感器和所述第二红外测距传感器通信连接;所述数据处理模块内预先记录有所述接水仓的第一高度h1和所述出水管的下端部到所述接水仓底部的第二高度h2;

其中,所述数据处理模块控制所述第一红外测距传感器检测由所述接水仓的顶部到所述接水容器的顶壁的第一距离d1,并利用第一高度减去第一距离得出所述接水容器的第三高度h3;所述数据处理模块控制所述电磁阀开启,并且在所述电磁阀保持开启的过程中,控制所述第二红外测距传感器持续检测由所述下端部到所述接水容器内水面的第二距离d2,当h2-d2=h3时,所述数据处理模块控制所述电磁阀关闭。

2.如权利要求1所述的基于红外测距传感器的直饮水机,其特征在于,所述接水仓的底部在正对着所述中心轴线的位置具有一个限位凹坑,该限位凹坑用于指示所述接水容器的放置位置,以使所述接水容器的轴线与所述中心轴线重合。

3.如权利要求2所述的基于红外测距传感器的直饮水机,其特征在于,所述限位凹坑内设置有一个红外LED灯管,所述红外LED灯管在电池的供电下持续发出红光。

4.如权利要求1所述的基于红外测距传感器的直饮水机,其特征在于,所述接水仓在一侧设置有可启闭的仓门。

5.如权利要求1所述的基于红外测距传感器的直饮水机,其特征在于,还包括:提示器,其与所述数据处理模块通信连接;

所述数据处理模块在计算出所述接水容器的第三高度后,控制所述提示器发出第一提示信号,之后再控制所述电磁阀开启。

6.如权利要求5所述的基于红外测距传感器的直饮水机,其特征在于,所述提示器为蜂鸣器。

7.如权利要求5所述的基于红外测距传感器的直饮水机,其特征在于,所述数据处理模块控制所述第二红外测距传感器开始检测由所述下端部到所述接水容器内水位的第二距离d2时,如果最开始的第二距离d2不等于h2,则所述数据处理模块控制所述提示器发出第二提示信号。