欢迎来到知嘟嘟! 联系电话:13336804447 卖家免费入驻,海量在线求购! 卖家免费入驻,海量在线求购!
知嘟嘟
我要发布
联系电话:13336804447
知嘟嘟经纪人
收藏
专利号: 2015101454059
申请人: 西南交通大学
专利类型:发明专利
专利状态:已下证
专利领域: 测量;测试
更新日期:2024-01-05
缴费截止日期: 暂无
价格&联系人
年费信息
委托购买

摘要:

权利要求书:

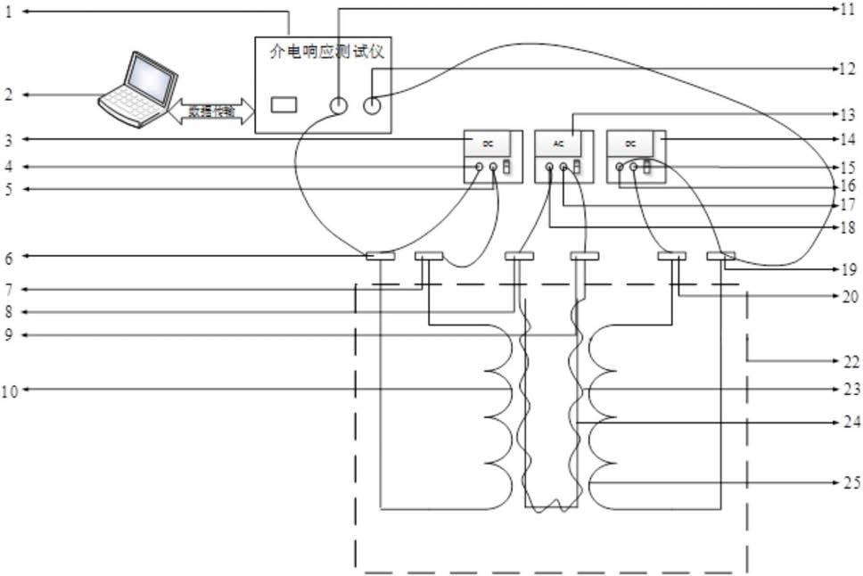
1.负载条件下牵引变压器频域介电响应的实验方法,包括实验系统和实验步骤,其特征在于,实验系统包括介电响应测试仪(1)、计算机(2)、第一可调直流电源(3)、可调交流电源(13)、第二可调直流电源(14)与实验变压器(22);

实验变压器(22)中铁芯部分为电阻值为220Ω的中心电阻丝(23)缠绕在U型绝缘杆(24)上,利用可调交流电源(13)加热中心电阻丝(23),使中心电热丝(23)发热功率等于变压器铁心空载损耗,以模拟实际工况中变压器铁芯空载损耗;

实验变压器(22)中高压绕组(10)由电阻值为75Ω的电阻丝制成,用第一可调直流电源(3)给高压绕组(10)供电,使高压绕组(10)发热功率等于额定负载下损耗,以模拟实际工况中高压绕组额定负载下损耗;

实验变压器(22)中低压绕组(25)由电阻值为58Ω的电阻丝制成,用第二可调直流电源(14)给低压绕组(25)供电,使低压绕组(25)发热功率等于额定负载下损耗,以模拟实际工况中低压绕组额定负载下损耗;

高压绕组(10)通过第一可调直流电源(3)通电产热电路、低压绕组(25)通过2号可调直流电压(14)通电产热电路与频域介电响应测试电路无电气耦合;

按以下步骤完成实验:

第一步,实验系统接线连接;第二步,加载额定空载损耗;第三步,加载额定负载损耗;

第四步,加载瞬态负载损耗;第五步,频域介电响应测试。

2.根据权利要求1所述的负载条件下牵引变压器频域介电响应的实验方法,其特征在于:通过调节第一可调直流电源(3)与第二可调直流电源(14)的输出功率能够模拟牵引变压器实际负载变化。