欢迎来到知嘟嘟! 联系电话:13336804447 卖家免费入驻,海量在线求购! 卖家免费入驻,海量在线求购!
知嘟嘟
我要发布
联系电话:13336804447
知嘟嘟经纪人
收藏
专利号: 201510069318X
申请人: 浙江工业大学
专利类型:发明专利
专利状态:已下证
专利领域: 测量;测试
更新日期:2023-12-11
缴费截止日期: 暂无
价格&联系人
年费信息
委托购买

摘要:

权利要求书:

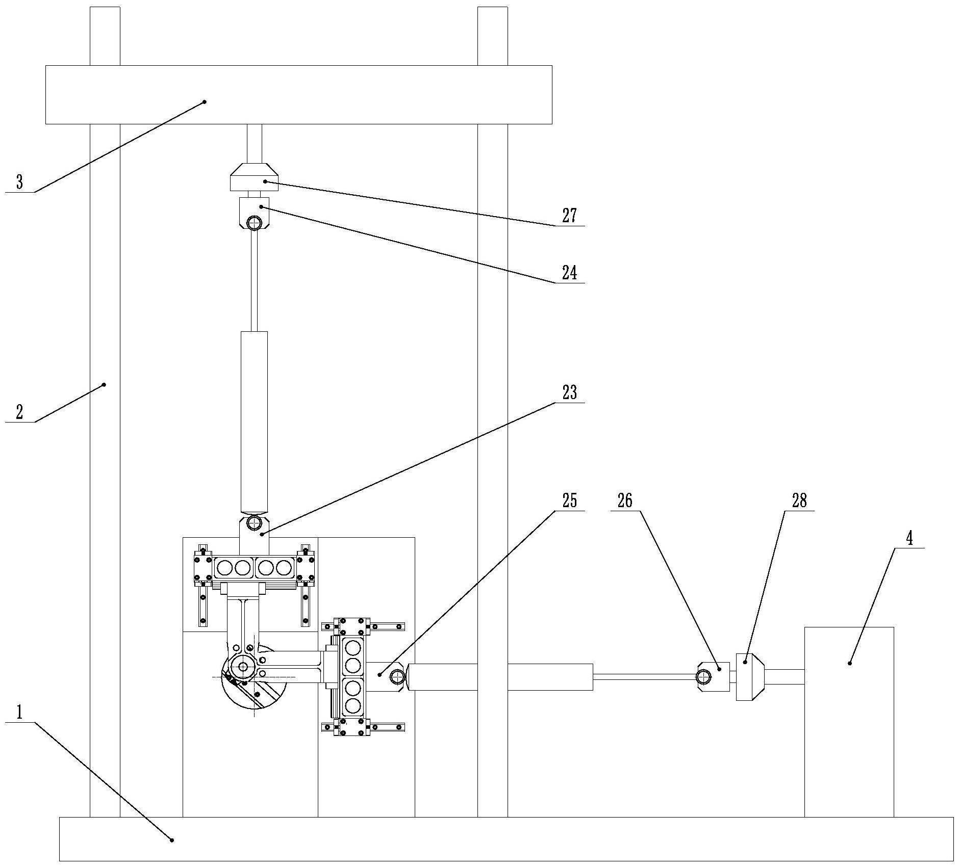
1.一种新型轨道列车减振器正弦示功机,包括机架、动力箱、曲柄盘和曲柄轴,所述曲柄盘紧固连接在所述动力箱的主轴前端部,所述曲柄轴紧固连接在曲柄盘上,其特征在于:所述新型轨道列车减振器正弦示功机还包括曲柄滑块、第一正弦发生装置和第二正弦发生装置,所述曲柄滑块上开有轴承座孔,所述的轴承座孔与曲柄轴之间通过轴承副连接,所述第一正弦发生装置包括第一主滑块、第一主直线滑动副、第一副直线滑动副和第一主导轨座;所述曲柄滑块的远离轴承座孔处设有第一平台,所述的第一平台通过第一副直线滑动副与第一主滑块连接,所述第一主滑块通过第一主直线滑动副与第一主导轨座连接,所述第一副直线滑动副与所述第一主直线滑动副在运动方向上相互垂直布置;所述第二正弦发生装置包括第二主滑块、第二主直线滑动副、第二副直线滑动副和第二主导轨座,所述曲柄滑块的远离轴承座孔的另一处设有第二平台,所述第二平台通过第二副直线滑动副与第二主滑块连接,所述第二主滑块通过第二主直线滑动副与第二主导轨座连接,所述第二副直线滑动副与所述第二主直线滑动副在运动方向上相互垂直布置;

所述第一主滑块、第二主滑块分别与待测试的轨道列车减振器连接。

2.如权利要求1所述的型轨道列车减振器正弦示功机,其特征在于:所述第一主直线滑动副包括第一主导轨滑块和第一主导轨,第一副直线滑动副包括第一副导轨和第一副导轨滑块,所述的第一平台与第一副导轨滑块紧固连接,所述第一副导轨滑块可滑动套装在所述第一副导轨上,所述第一副导轨与第一主滑块紧固连接,所述第一主滑块与所述第一主导轨滑块紧固连接,所述第一主导轨滑块可滑动套装在第一主导轨上,所述第一主导轨紧固连接在第一主导轨座上,所述第一副导轨与所述第一主导轨相互垂直布置。

3.如权利要求1或2所述的型轨道列车减振器正弦示功机,其特征在于:所述第二主直线滑动副包括第二主导轨滑块和第二主导轨,第二副直线滑动副包括第二副导轨和第二副导轨滑块,所述的第二平台与第二副导轨滑块紧固连接,所述第二副导轨滑块可滑动套装在所述第二副导轨上,所述第二副导轨与第二主滑块紧固连接,所述第二主滑块与所述第二主导轨滑块紧固连接,所述第二主导轨滑块可滑动套装在第二主导轨上,所述第二主导轨紧固连接在第二主导轨座上,所述第二副导轨与所述第二主导轨相互垂直布置。

4.如权利要求1或2所述的新型轨道列车减振器正弦示功机,其特征在于:所述第一主导轨布置方向为垂向,第二主导轨布置方向为横向。

5.如权利要求1或2所述的新型轨道列车减振器正弦示功机,其特征在于:所述新型轨道列车减振器正弦示功机还包括下夹具、上夹具、内夹具和外夹具,所述下夹具与第一主滑块紧固连接,所述上夹具与第一力传感器紧固连接,所述第一力传感器与第一支架紧固连接;所述内夹具与第二主滑块紧固连接,所述外夹具与第二力传感器紧固连接,所述第二力传感器与第二支架紧固连接;所述下夹具和上夹具之间、所述内夹具和外夹具之间为所述待测试的轨道列车减振器的安装工位。

6.如权利要求1或2所述的新型轨道列车减振器正弦示功机,其特征在于:所述第一主导轨座、第二主导轨座与动力箱呈一体。

7.如权利要求1或2所述的新型轨道列车减振器正弦示功机,其特征在于:所述机架包括底座、立柱、第一支架和第二支架,所述立柱安装在底座上,所述第一支架安装在立柱上,所述第二支架安装在底座上。

8.如权利要求7所述的新型轨道列车减振器正弦示功机,其特征在于:所述第一支架可上下移动地安装在立柱上。

9.如权利要求7所述的新型轨道列车减振器正弦示功机,其特征在于:所述第二支架可左右移动地安装在底座上。

10.如权利要求1或2所述的新型轨道列车减振器正弦示功机,其特征在于:所述动力箱上安装有主轴、传动装置和电动机,所述主轴与传动装置连接,所述传动装置与电动机连接。