欢迎来到知嘟嘟! 联系电话:13336804447 卖家免费入驻,海量在线求购! 卖家免费入驻,海量在线求购!
知嘟嘟
我要发布
联系电话:13336804447
知嘟嘟经纪人
收藏
专利号: 2014106210003
申请人: 西南交通大学
专利类型:发明专利
专利状态:已下证
专利领域: 一般车辆
更新日期:2024-01-05
缴费截止日期: 暂无
价格&联系人
年费信息
委托购买

摘要:

权利要求书:

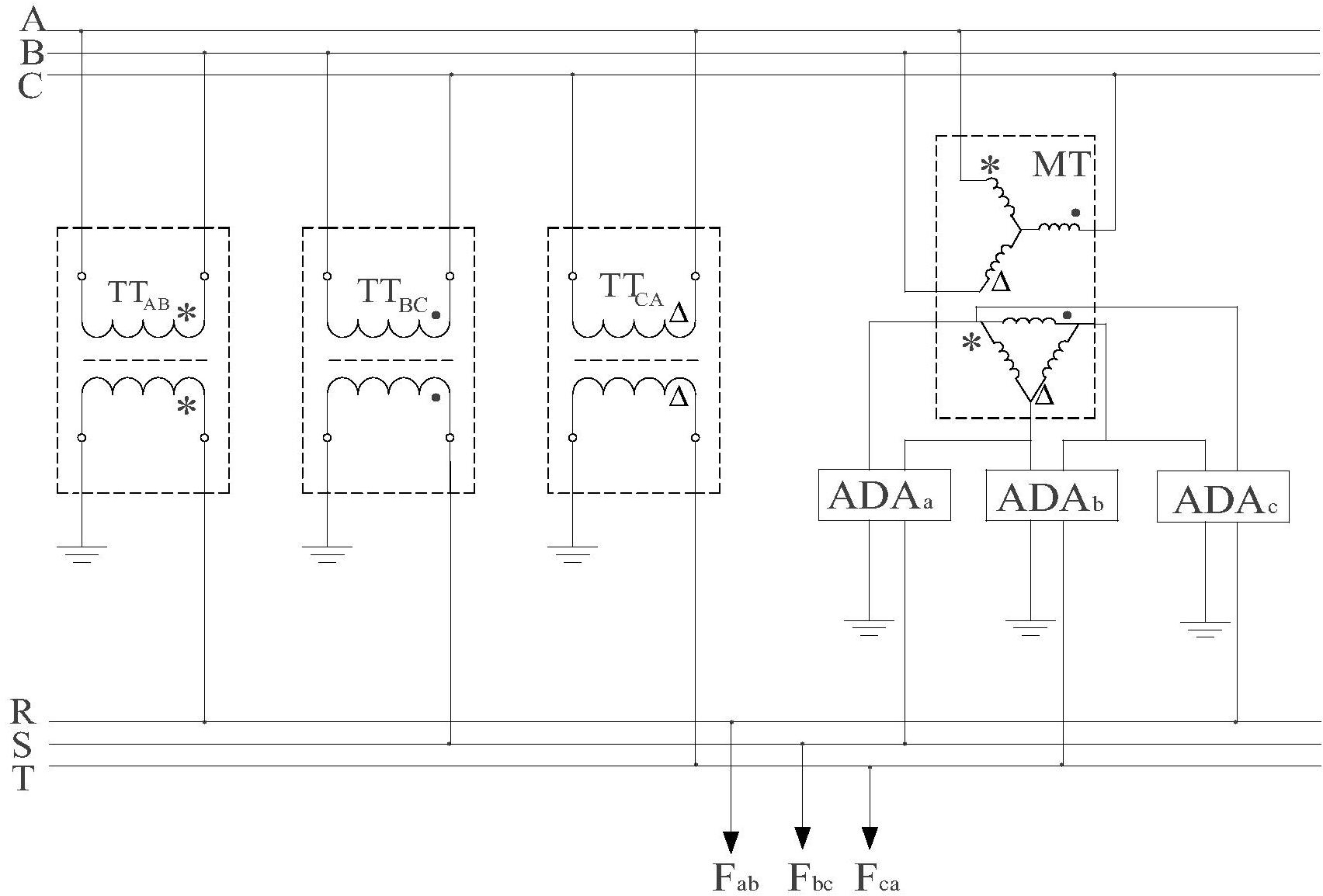
1.一种多馈线组合式供变电构造,主要由牵引变压器和有源补偿装置组成;其特征在于:牵引变压器至少具有二台,均为单相接线;有源补偿装置由匹配变压器MT和交直交变流器ADA构成,其匹配变压器MT为三相YNd接线,交直交变流器ADA为单相结构;各个牵弓I变压器原边绕组依次连接于高压母线ABC三个线电压UmUp Uca,其中连接于线电压Uab上的牵引变压器记为牵引变压器一TTAB,连接于线电压Ubc上的牵引变压器记为牵引变压器二TTbc,连接于线电压Uca上的牵引变压器记为牵引变压器三TTca ;匹配变压器MT的三个原边绕组分别连接于同一高压母线ABC三个相电压UA、UB、U。,匹配变压器MT的三个次边绕组分别连接三组交直交变流器的输入端口,其中连接于相电压Ua的一组交直交变流器记为交直交变流器一 ADAa,连接于相电压Ub的一组交直交变流器记为交直交变流器二 ADAb,连接于相电压Uc的一组交直交变流器记为交直交变流器三ADA。;牵引变压器一 TTab次边绕组与交直交变流器三ADA。的输出端口相并联,一端接地,一端经牵引母线R输出馈线一 Fab;牵引变压器二 TTbc次边绕组与交直交变流器一 ADAa的输出端口相并联,一端接地,一端经牵引母线S输出馈线二 Fb。;牵引变压器三TTca次边绕组与交直交变流器二 ADAb的输出端口相并联,一端接地,一端经牵引母线T输出馈线三Fea ;馈线一 Fab、馈线二 Fb。、馈线三Fea的电压分别对应原边三个线电压UAB、UBC、Uca,其大小相同、相位互差120°。

2.根据权利要求1所述的一种多馈线组合式供变电构造,其特征在于:记馈线一 Fab的负荷功率为Sab、馈线二 Fb。的负荷功率为Sb。、馈线三Fm的负荷功率为SM,记负荷功率{Sab,Sbc, ScJ中最小负荷功率Sfflin = min{Sab, Sbc, ScJ,负荷功率{Sab, Sbc, ScJ中最大负荷功率Smax = max {Sab, Sbc, ScJ,认为负荷功率因数为I,对应特定标准和馈线负荷组合工况,分三种情形: 甲、若最大负荷功率Smax =馈线一 Fab的负荷功率Sab,则有源补偿装置中的交直交变流器三ADA。的计算容量取馈线一 Fab的负荷功率Sab与最小负荷功率Smin之差Sab-Smin所引起的三相电压不平衡度超标部分功率的一半; 乙、若最大负荷功率Smax =馈线二 Fb。的负荷功率Sb。,则有源补偿装置中的交直交变流器一 ADAa的计算容量取馈线二 Fb。的负荷功率Sbc与最小负荷功率Smin之差Sb「Smin所引起的三相电压不平衡度超标部分功率的一半; 丙、若最大负荷功率Smax =馈线三Fca的负荷功率Sca,则有源补偿装置中的交直交变流器二 ADAb的计算容量取馈线三Fm的负荷功率Sm与最小负荷功率Smin之差Sea-Smin所引起的三相电压不平衡度超标部分功率的一半。

3.根据权利要求1所述的一种多馈线组合式供变电构造,其特征在于,当只有两组负荷时,选择牵引变压器一 TTab、牵引变压器二 TTb。、牵引变压器三TIffl中的任意两台给负荷供电,对应的匹配变压器MT也连接两组交直交变流器;当多于三组负荷时,则按照全部负荷尽可能均匀分布于三相电网的原则,在对应的牵引母线上引出馈线。