欢迎来到知嘟嘟! 联系电话:13336804447 卖家免费入驻,海量在线求购! 卖家免费入驻,海量在线求购!
知嘟嘟
我要发布
联系电话:13336804447
知嘟嘟经纪人
收藏
专利号: 2013105084583
申请人: 中国矿业大学
专利类型:发明专利
专利状态:已下证
专利领域: 土层或岩石的钻进;采矿
更新日期:2024-01-05
缴费截止日期: 暂无
价格&联系人
年费信息
委托购买

摘要:

权利要求书:

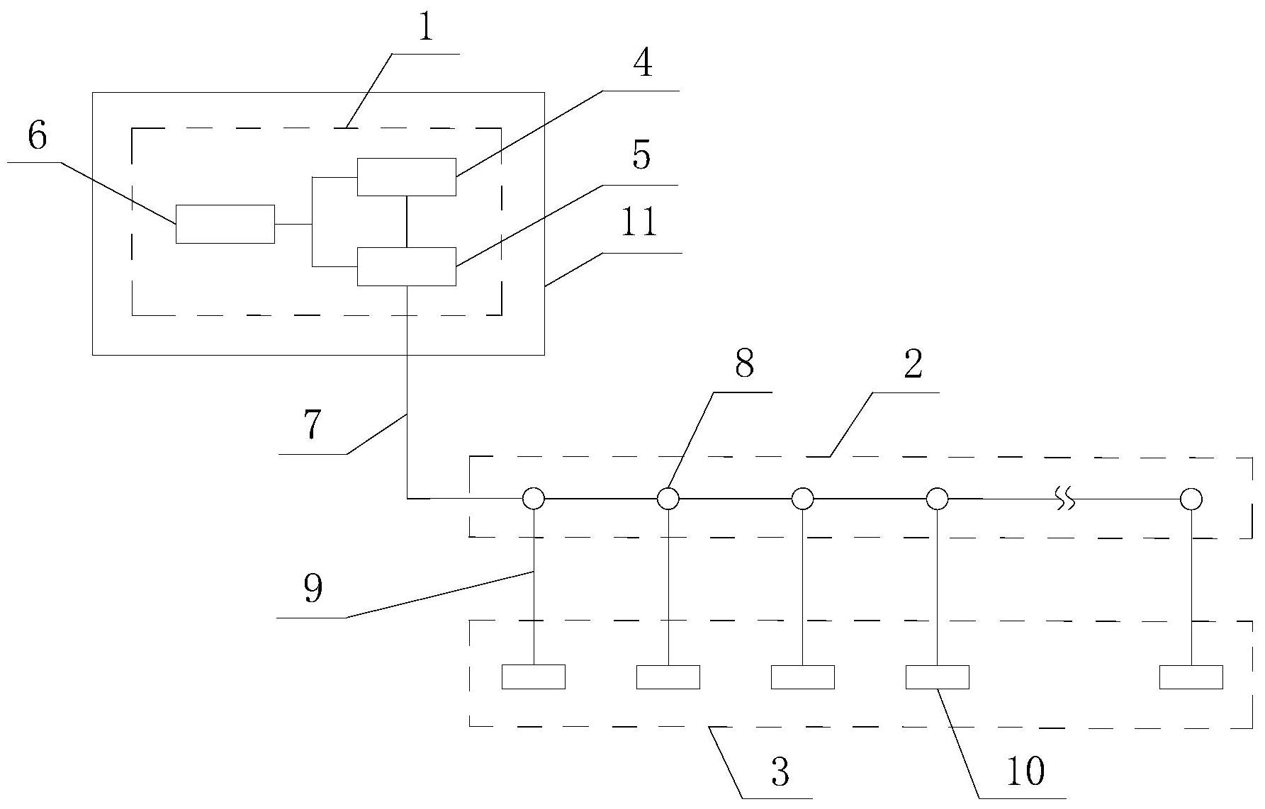
1.一种基于光纤光栅的巷道顶板离层动态监测系统,其特征是:包括地面数据处理及控制子系统、井下数据传输通讯子系统、井下传感数据采集子系统三部分;所述的地面数据处理及控制子系统安放在地面控制中心室内,地面数据处理及控制子系统由地面上位主监控计算机、光纤光栅解调装置和供电电源组成,供电电源为地面上位主监控计算机和光纤光栅解调装置提供额定的电源;所述的井下数据传输通讯子系统由矿用传输光纤和光纤接线盒组成,其中矿用传输光纤上串联一系列光纤接线盒;所述的井下传感数据采集子系统包括至少一个光纤光栅顶板离层监测装置,光纤光栅顶板离层监测装置通过光纤尾纤与光纤接线盒连接,所述的井下传感数据采集子系统的各个光纤光栅顶板离层监测装置通过光纤尾纤和光纤接线盒与矿用传输光纤连接,矿用传输光纤与地面控制中心室的光纤光栅解调装置连接,光纤光栅解调装置与地面上位主监控计算机连接;形成监测系统地面和井下相互通讯的远程巷道顶板离层动态监测系统。

2.根据权利要求书I所述的一种基于光纤光栅的顶板离层动态监测系统,其特征在于:所述的地面上位主监控计算机内嵌顶板离层数据分析处理软件。

3.—种权利要求1所述的基于光纤光栅的顶板离层动态监测系统的预警方法,其特征是:包括有预警、安装和监测方法,所述的预警方法有以下内容: A、首先利用供电电源对地面上位主监控计算机和光纤光栅解调装置进行供电,对光纤光栅解调装置进行预热三分钟,使光纤光栅解调装置进入准备工作状态; B、其次,设置IP地址,使地面上位主监控计算机和光纤光栅解调装置在同一地址域工作,以便地面上位主监控计算机和光纤光栅解调装置之间能够相互准确的传送数据; C、再者,对系统进行初始设置,设置顶板离层位移数据的预警常数阈值,同时记录顶板离层位移的原始数据; D、随后,光纤光栅顶板离层监测装置实时动态采集顶板离层的位移数据,通过自动比较实时的位移数据和设置的预警常数阈值之间的大小,判断是否达到预警范围; E、最后,如果不发生预警,则表示离层位移的大小在顶板稳定的可控范围内;如果发生预警,则记录保存预警的时间、离层位移的数值大小和顶板离层的位置,同时采取有效的防护措施,防止顶板失稳坍塌,确保煤矿的安全生产; 所述的安装和监测方法,光纤光栅顶板离层监测装置通过如下步骤进行安装并监测: A、在巷道两帮的其中一帮安设有光纤接线盒,在顶板支护锚杆的附近用直径为35-40mm的钻头在巷道的顶板上钻一钻孔至预定的深度; B、在钻孔内部布置一个浅部测点和一个深部测点,其中浅部测点设置在与顶板支护锚杆上端处于同一高度的位置处,深部测点设置在钻孔上端的稳定岩层内; C、用端部带槽的安装杆将深部锚固器推至深部测点处,将浅部锚固器推至浅部测点处,轻拉钢丝绳,确保锚固器与岩层锚固在一起; D、待安装好以后,裸露在巷道内的光纤尾纤连接至光纤接线盒,光纤光栅顶板离层监测装置即可感知顶板离层的位移变化。