欢迎来到知嘟嘟! 联系电话:13336804447 卖家免费入驻,海量在线求购! 卖家免费入驻,海量在线求购!
知嘟嘟
我要发布
联系电话:13336804447
知嘟嘟经纪人
收藏
专利号: 2013100084661
申请人: 浙江理工大学
专利类型:发明专利
专利状态:已下证
专利领域: 测量;测试
更新日期:2024-11-06
缴费截止日期: 暂无
价格&联系人
年费信息
委托购买

摘要:

权利要求书:

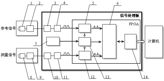
1.一种基于高频数字信号边沿锁定的激光外差干涉信号处理方法,其特征在于:(1)激光外差干涉仪的参考信号和测量信号经各自的光电探测器、信号放大器、滤波电路、电压比较器和高频数字边沿锁定模块处理后,送入脉冲计数同步锁存处理模块,得到参考信号和测量信号的整周期干涉条纹数Nref、Nmea和一个干涉条纹周期内的填脉冲数nref、nmea;

(2)有源晶振输出的外部时钟信号,经FPGA内部的锁相倍频模块倍频处理后,得到频率为f的FPGA内部高频时钟信号,该信号一方面被用作高频数字边沿锁定模块的高频数字脉冲信号,分别对参考数字干涉信号和测量数字干涉信号的上升沿进行锁定处理,另一方面被用作脉冲计数同步锁存处理模块的基准时钟信号;

(3)参考信号和测量信号的整周期干涉条纹数Nref、Nmea和一个干涉条纹周期内的填脉冲数nref、nmea经串口通信模块送至计算机,根据以下公式,得到被测对象的位移和速度:被测对象的位移:

被测对象的速度:

式中:λ为激光波长;

所述的高频数字边沿锁定模块,在激光外差干涉信号的上升沿到来时,采用高频数字脉冲信号对其进行上升沿锁定处理,转换成等高电平窄脉冲信号,脉冲的宽度为τ=n/f,n为高频数字脉冲信号的脉冲个数。