欢迎来到知嘟嘟! 联系电话:13336804447 卖家免费入驻,海量在线求购! 卖家免费入驻,海量在线求购!
知嘟嘟
我要发布
联系电话:13336804447
知嘟嘟经纪人
收藏
专利号: 2012103500965
申请人: 金陵科技学院
专利类型:发明专利
专利状态:已下证
专利领域: 发电、变电或配电
更新日期:2024-01-05
缴费截止日期: 暂无
价格&联系人
年费信息
委托购买

摘要:

权利要求书:

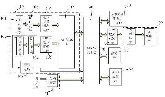
1.一种三相不平衡负荷补偿装置,其特征在于,包括采样模块、开关量输入模块、开关量输出模块、人机接口模块、通信模块、存储模块、复杂可编程逻辑器件,所述采样模块、所述开关量输入模块、所述开关量输出模块、所述人机接口模块、所述存储模块、所述复杂可编程逻辑器件均与所述通信模块连接,所述采样模块对输入的电压信号或电流信号进行采样并处理,所述开关量输入输出模块对开关量进行输入和输出,所述人机接口模块用于用户输入设定参数和输出信息,所述存储模块对数据进行存储,所述复杂可编程逻辑器件对所述通信模块的端口进行扩展。

2.如权利要求1所述的三相不平衡负荷补偿装置,其特征在于,所述采样模块包括互感器、RC滤波和AD芯片。

3.如权利要求2所述的三相不平衡负荷补偿装置,其特征在于,所述AD芯片是ADS8364,若输入的模拟量信号是电压信号,RC滤波后还需要经过由运算放大器构成的调理电路,将电压幅值按比例变换成ADS8364能接受的0-5V的幅值;若输入的模拟量信号是电流信号,需要将电流信号转换成电压信号,之后再经过调理电路将电压幅值按比例变换成ADS8364能接受的0-5V的幅值。

4.如权利要求1所述的三相不平衡负荷补偿装置,其特征在于,还包括与所述通信模块连接的测频电路,位于所述电压信号经所述RC滤波与电压信号调理电路之间。

5.如权利要求所述的三相不平衡负荷补偿装置,其特征在于,所述开关量输入模块和开关量输出模块均采用光耦隔离,所述开关量输出模块采用固态继电器与光耦进行连接信号,所述光耦隔离采用的是TLP521光耦隔离芯片。

6.如权利要求1所述的三相不平衡负荷补偿装置,其特征在于,所述人机接口模块包括键盘和LCD显示。

7.如权利要求1所述的三相不平衡负荷补偿装置,其特征在于,所述通信模块包括外部通信接口,采用TMS230F2812串口SCIA经过Max3490扩展成RS-485,通过485进行串行通信和读写数据。

8.如权利要求1所述的三相不平衡负荷补偿装置,其特征在于,所述存储模块中外扩的存储器采用flash存储器,所述复杂可编程逻辑器件采用EPM3256SQC144作为扩展。

9.如权利要求8所述的三相不平衡负荷补偿装置,其特征在于,采用IS61LV25616AL作为外扩RAM,采用SST39VF800作为外扩flash。

10.一种采用如权利要求1-9中任一项所述的三相不平衡负荷补偿装置的三相不平衡负荷补偿的方法,其特征在于,首先对三相负荷情况进行计算,判断其是否满足全电容补偿的条件,若满足就按照优化目标确定补偿的电容器的容量;若不满足全电容补偿的条件则按照电容、电感进行混合补偿或者由用户选择性地只进行无功功率补偿。