欢迎来到知嘟嘟! 联系电话:13336804447 卖家免费入驻,海量在线求购! 卖家免费入驻,海量在线求购!
知嘟嘟
我要发布
联系电话:13336804447
知嘟嘟经纪人
收藏
专利号: 2024209415199
专利类型:实用新型
专利状态:未下证
专利领域: 暂无
更新日期:2024-12-13
缴费截止日期: 暂无
价格&联系人
年费信息
委托购买

摘要:

权利要求书:

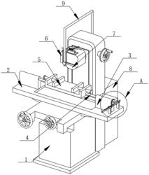
1.一种具有翻转功能的五金生产用磨削装置,包括固定架(1),其特征在于:所述固定架(1)上设有工作台(2),所述固定架(1)的背面连接有收集箱(8),所述工作台(2)上连接有套板(3),所述套板(3)内转动连接有导杆(4),所述导杆(4)的一端连接有夹具体(5),所述固定架(1)外滑动连接有辅助块(6),所述辅助块(6)内设有磨削具(7),所述收集箱(8)上连接有输送管(9),所述辅助块(6)内开设有滑槽(10),所述滑槽(10)内滑动连接有移动块(11),所述输送管(9)的一端连接有吸盘(12),所述辅助块(6)上连接有固定板(13),所述固定板(13)上转动连接有转盘(16),所述转盘(16)上连接有立柱(19),所述固定板(13)上滑动连接有连接板(14),所述连接板(14)外设有齿条(15),所述固定板(13)上转动连接有定位杆(17),所述定位杆(17)外连接有半齿轮(18)。

2.根据权利要求1所述的一种具有翻转功能的五金生产用磨削装置,其特征在于:所述输送管(9)连接在移动块(11)内,所述连接板(14)与移动块(11)相连接。

3.根据权利要求1所述的一种具有翻转功能的五金生产用磨削装置,其特征在于:所述半齿轮(18)与齿条(15)相啮合,所述立柱(19)滑动连接在半齿轮(18)内。

4.根据权利要求1所述的一种具有翻转功能的五金生产用磨削装置,其特征在于:所述工作台(2)上连接有固定套(21),所述固定套(21)内滑动连接有齿板(22),所述固定套(21)内转动连接有螺纹杆(23)。

5.根据权利要求4所述的一种具有翻转功能的五金生产用磨削装置,其特征在于:所述螺纹杆(23)外螺纹连接有滑套(25),所述滑套(25)与齿板(22)相连接。

6.根据权利要求5所述的一种具有翻转功能的五金生产用磨削装置,其特征在于:所述螺纹杆(23)的一端连接有电机(24),所述导杆(4)外连接有直齿轮(20),所述直齿轮(20)与齿板(22)相啮合。