欢迎来到知嘟嘟! 联系电话:13336804447 卖家免费入驻,海量在线求购! 卖家免费入驻,海量在线求购!
知嘟嘟
我要发布
联系电话:13336804447
知嘟嘟经纪人
收藏
专利号: 2023235959901
专利类型:实用新型
专利状态:未下证
专利领域: 暂无
更新日期:2024-08-09
缴费截止日期: 暂无
价格&联系人
年费信息
委托购买

摘要:

权利要求书:

1.一种煤矿矸石膏体泵送系统,包括异型箱(1),其特征在于:还包括第一上料模块、破碎模块、搅拌混合模块、第二进料模块、开门模块、分流模块、支撑模块与收集泵送模块;

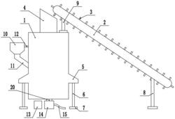
所述异型箱(1)的上端设有用于放入待破碎的矸石的梯形进料口(4)且固定连接,所述梯形进料口(4)的上端设有第一进料模块,所述梯形进料口(4)连通异型箱(1)内腔,所述异型箱(1)外侧通过支撑模块支撑于地面上,所述异型箱(1)的内腔中设有用于将不同大小颗粒矸石破碎成统一颗粒大小的破碎模块,所述破碎模块的下端设有搅拌混合系统,所述搅拌混合模块的一侧通入第二进料模块,所述搅拌混合系统的下端设有开门系统,所述开门系统的下端设有分流模块,所述分流模块下端设有收集泵送模块。

2.根据权利要求1所述的一种煤矿矸石膏体泵送系统,其特征在于:所述第一上料模块包括传送带(2),所述传送带(2)的外侧设有若干个均匀分布的矩形阻隔板(3),所述传送带(2)的一端两侧均设有第二支柱(8),另一端两侧均设有第三支柱(9),所述第二支柱(8)与第三支柱(9)的下端均固定连接圆形垫板(7),所述第二支柱(8)的垫板(7)支撑在地面上,所述第三支柱(9)的垫板(7)支撑在异型箱(1)上,所述传送带(2)的靠近第三支柱(9)的一端下侧设有梯形进料口(4)。

3.根据权利要求2所述的一种煤矿矸石膏体泵送系统,其特征在于:所述破碎模块包括动颚板(21)与破碎槽(16),所述异型箱(1)的在梯形进料口(4)的下端内设有破碎槽(16),所述动颚板(21)转动在破碎槽(16)内,所述动颚板(21)的上端内部转动有旋转销(22),所述旋转销(22)的一端转动连接异型箱(1),另一端固定连接固定销(26),所述固定销(26)的远离旋转销(22)的一端设有矩形偏心杆(23),所述矩形偏心杆(23)的内部滑动有滑动板(25),所述滑动板(25)与旋转销(22)固定连接,所述滑动板(25)的内部滚珠丝杠副连接旋转丝杠(24),所述旋转丝杠(24)的一端转动连接矩形偏心杆(23),另一端设有第一电机(27)且与第一电机(27)的输出端固定连接,所述第一电机(27)固定在矩形偏心杆(23)内,所述矩形偏心杆(23)的下端且远离旋转销(22)的一端固定连接第一转轴(29),所述第一转轴(29)的外侧固定连接第一链轮(28),所述第一链轮(28)的外侧啮合连接传动链条(30),所述传动链条(30)的远离第一链轮(28)的一端啮合连接第二链轮(39),所述第二链轮(39)的内部固定连接第二转轴(41),所述第二转轴(41)的远离第二链轮(39)的一端外侧固定连接旋转盘(37),所述旋转盘(37)的外侧固定连接若干个均匀分布的固定圆凸顶(38),所述圆凸顶(38)的一端接触动颚板(21),所述第二转轴(41)的一端转动连接异型箱(1)另一端设有第二电机(40)且与第二电机(40)的输出端固定连接,所述动颚板(21)的靠近旋转盘(37)的一端中部设有T型槽(36),所述T型槽(36)内滑动有滑动销(35)与矩形滑杆(32),所述滑动销(35)固定在矩形滑杆(32)的靠近动颚板(21)的一端的内部,所述矩形滑杆(32)的远离动颚板(21)的一端固定连接限位矩形板(33)且设有固定矩形块(31),所述限位矩形板(33)与矩形滑杆(32)均滑动在固定矩形块(31)内,所述限位矩形板(33)的一端固定连接第一弹簧(34),所述第一弹簧(34)设在矩形滑杆(32)的外侧,所述第一弹簧(34)的远离限位矩形板(33)的一端固定连接固定矩形块(31),所述动颚板(21)与动颚板(21)相对的在破碎槽(16)内的竖直面上均设有若干个均匀分布的破碎尖刺(59),所述动颚板(21)的下端设有搅拌混合模块。

4.根据权利要求3所述的一种煤矿矸石膏体泵送系统,其特征在于:所述搅拌混合模块包括第三电机(42)与搅拌混合槽(17),所述异型箱(1)的内部设有搅拌混合槽(17),所述第三电机(42)固定在异型箱(1)内,所述第三电机(42)的输出端固定连接第一搅拌轴(43),所述第一搅拌轴(43)的在异型箱(1)的外侧固定连接第一皮带轮(45),所述第一皮带轮(45)的外侧啮合连接传送皮带(47),所述传送皮带(47)的远离第一皮带轮(45)的一端啮合连接第二皮带轮(46),所述第二皮带轮(46)的内部固定连接第二搅拌轴(44),所述第二搅拌轴(44)转动在异型箱(1)内,所述第一搅拌轴(43)与第二搅拌轴(44)的外侧分别固定连接若干个均匀分布且相互交错的第一搅拌叶片(48)与第二搅拌叶片(49),所述搅拌混合槽(17)的一侧通入第二进料模块,所述搅拌混合槽(17)的远离第二进料模块的一端面为斜面,所述第一搅拌轴(43)与第二搅拌轴(44)的下端设有开门模块。

5.根据权利要求4所述的一种煤矿矸石膏体泵送系统,其特征在于:所述第二进料模块包括进料口(10),所述进料口(10)的下端固定连接进料管(11),所述进料管(11)的远离进料口(10)的一端通入搅拌混合槽(17),所述进料管(11)的一侧固定连接固定杆(12),所述固定杆(12)的远离进料口(10)的一端固定连接异型箱(1)。

6.根据权利要求5所述的一种煤矿矸石膏体泵送系统,其特征在于:所述开门模块包括盖板(50),所述盖板(50)对称的设在异型箱(1)的两侧,每个所述盖板(50)均滑动在矩形滑槽(58)内,每个所述盖板(50)的下端均啮合连接旋转齿轮(51),所述旋转齿轮(51)的内部固定连接第三转轴(53),所述第三转轴(53)的一端转动连接异型箱(1),所述第三转轴(53)的另一端设有第四电机(52)且与第四电机(52)的输出端固定连接,所述盖板(50)的下端设有分流模块。

7.根据权利要求6所述的一种煤矿矸石膏体泵送系统,其特征在于:所述分流模块包括分流槽(18)与分流板(54),所述分流槽(18)设在异型箱(1)的下端,所述分流槽(18)内转动有分流板(54),所述分流板(54)的内部固定连接第四转轴(57),所述第四转轴(57)的一端转动连接异型箱(1),另一端设有第五电机(56)且与第五电机(56)的输出端固定连接,所述分流板(54)的一侧设有废水口(19),另一侧设有出料口(20),所述出料口(20)的下端设有收集泵送模块,所述出料口(20)的内部设有电磁阀(55)。

8.根据权利要求7所述的一种煤矿矸石膏体泵送系统,其特征在于:所述支撑模块包括梯形侧板(5),所述梯形侧板(5)对称的设在异型箱(1)的两侧且固定连接,每个所述梯形侧板(5)的下端均固定连接对称分布的第一支柱(6),每个所述第一支柱(6)的下端均固定连接圆形垫板(7)。

9.根据权利要求8所述的一种煤矿矸石膏体泵送系统,其特征在于:所述收集泵送模块包括废水收集箱(13)与输送泵(14),所述废水收集箱(13)设在废水口(19)的正下方,所述输送泵(14)的上端固定连接出料口(20),所述输送泵(14)的一侧固定连接输送泵管(15)。

10.根据权利要求6所述的一种煤矿矸石膏体泵送系统,其特征在于:每个所述盖板(50)的与旋转齿轮(51)相啮合处均设有齿。