欢迎来到知嘟嘟! 联系电话:13336804447 卖家免费入驻,海量在线求购! 卖家免费入驻,海量在线求购!
知嘟嘟
我要发布
联系电话:13336804447
知嘟嘟经纪人
收藏
专利号: 2022229433754
申请人: 张新林
专利类型:实用新型
专利状态:已下证
专利领域: 工程元件或部件;为产生和保持机器或设备的有效运行的一般措施;一般绝热
更新日期:2024-04-03
缴费截止日期: 暂无
价格&联系人
年费信息
委托购买

摘要:

权利要求书:

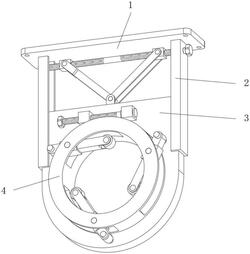
1.一种隧道用通风管道支撑机构,包括安装架(1),其特征在于:所述安装架(1)的底部两侧固定有槽架(2),两侧所述槽架(2)之间滑动连接有管架(3),所述管架(3)的前端转动连接有环架(4),所述环架(4)的内部外缘转动连接有三个等距环绕分布的套筒(5),所述管架(3)的前端以环架(4)为轴心连接有三个等距环绕分布的第一转轴(6),所述第一转轴(6)转动连接有撑杆(7),所述撑杆(7)的内端内部转动连接有滚轮(8),所述环架(4)的上端外壁一侧固定有延伸耳(18),所述延伸耳(18)的前端转动连接有第一螺纹套(9),所述管架(3)的前端偏上位置通过第二转轴(10)转动连接有轴套(11),所述轴套(11)的内部转动连接有旋钮丝杆(12),且旋钮丝杆(12)的外壁与第一螺纹套(9)的内部螺纹连接。

2.根据权利要求1所述的一种隧道用通风管道支撑机构,其特征在于:所述管架(3)的顶部中间固定有轴架(13),所述轴架(13)转动连接有第一连杆(14)和第二连杆(15),所述第一连杆(14)的上端和第二连杆(15)的上端均转动连接有第二螺纹套(17),两侧所述槽架(2)之间转动连接有旋钮双向丝杆(16),且旋钮双向丝杆(16)的外壁与第二螺纹套(17)的内部螺纹连接。

3.根据权利要求2所述的一种隧道用通风管道支撑机构,其特征在于:所述第一连杆(14)和第二连杆(15)的长度相等。

4.根据权利要求1所述的一种隧道用通风管道支撑机构,其特征在于:所述滚轮(8)的材质为橡胶结构。

5.根据权利要求1所述的一种隧道用通风管道支撑机构,其特征在于:所述撑杆(7)位于第一转轴(6)的内部滑动连接。