欢迎来到知嘟嘟! 联系电话:13336804447 卖家免费入驻,海量在线求购! 卖家免费入驻,海量在线求购!
知嘟嘟
我要发布
联系电话:13336804447
知嘟嘟经纪人
收藏
专利号: 2022222545621
申请人: 刘本永
专利类型:实用新型
专利状态:已下证
专利领域: 测量;测试
更新日期:2024-04-30
缴费截止日期: 暂无
价格&联系人
年费信息
委托购买

摘要:

权利要求书:

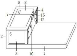
1.自行车反射器固定牢度检测装置,包括底板(1),其特征在于:所述底板(1)左侧设置有竖板(2),所述竖板(2)左侧下方前后对称设置有固定栓(3),且所述固定栓(3)尾端贯穿竖板(2)与底板(1)螺纹连接,所述竖板(2)右侧前后对称设置有挡板(4),且所述挡板(4)设置于底板(1)顶部,所述挡板(4)中间设置有第一透明窗(5)。

2.根据权利要求1所述的自行车反射器固定牢度检测装置,其特征在于:所述竖板(2)顶部铰接有顶板(6),所述顶板(6)底面与挡板(4)相贴合,所述顶板(6)顶部右侧中间设置有把手(7)。

3.根据权利要求2所述的自行车反射器固定牢度检测装置,其特征在于:所述顶板(6)中间设置有第二透明窗(8)。

4.根据权利要求1所述的自行车反射器固定牢度检测装置,其特征在于:两个所述挡板(4)之间右侧设置有防护板(9),所述防护板(9)中间开设有圆孔(10)。

5.根据权利要求4所述的自行车反射器固定牢度检测装置,其特征在于:两个所述挡板(4)之间相对的一侧开设有螺纹孔(11),所述防护板(9)右侧前后对称设置有固定板(12),两个所述固定板(12)相对的一侧中间设置有螺栓(13),所述螺栓(13)尾端贯穿固定板(12)与螺纹孔(11)螺纹连接。

6.根据权利要求5所述的自行车反射器固定牢度检测装置,其特征在于:两个所述固定板(12)相背的一侧上下对称设置有卡板(14),所述挡板(4)一侧开设有卡槽(15),且所述卡板(14)与卡槽(15)相卡合。