欢迎来到知嘟嘟! 联系电话:13336804447 卖家免费入驻,海量在线求购! 卖家免费入驻,海量在线求购!
知嘟嘟
我要发布
联系电话:13336804447
知嘟嘟经纪人
收藏
专利号: 2022116504313
申请人: 重庆邮电大学
专利类型:发明专利
专利状态:授权未缴费
专利领域: 发电、变电或配电
更新日期:2025-05-13
缴费截止日期: 暂无
价格&联系人
年费信息
委托购买

摘要:

权利要求书:

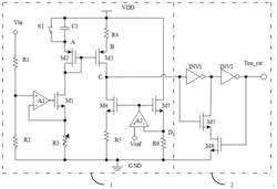
1.一种用于DC-DC变换器的自适应导通时间产生电路,其特征在于,包括自适应导通时间产生核心电路(1)及输出整形电路(2),其中,所述自适应导通时间产生核心电路(1)的信号输出端接所述输出整形电路(2)的信号输入端;所述自适应导通时间产生核心电路(1)产生一个自适应于DC-DC变换器的输入电压及输出电压的电流,该电流与基准电流进行比较并为所述输出整形电路(2)提供输入信号,所述输出整形电路(2)将所述自适应导通时间产生核心电路(1)的输出信号进行快速整形,从而获得自适应导通时间;

所述自适应导通时间产生核心电路(1)包括:电阻R1、电阻R2、电阻R4、电阻R5、电阻R6、运算放大器A1、运算放大器A2、NMOS管M1、PMOS管M2、PMOS管M3、NMOS管M4、NMOS管M7、电容C1、开关S1以及受控电阻R3构成,其中电阻R1的一端与DC-DC变换器的输入端Vin相连,电阻R1的另一端分别与电阻R2的一端以及运算放大器A1的同相输入端相连,开关S1的一端分别与电容C1的一端、电阻R4的一端、NMOS管M7的漏极以及内部电源VDD相连,开关S1的另一端分别与电容C1的另一端以及PMOS管M2的源极相连,PMOS管M2的漏极分别与PMOS管M2的栅极、PMOS管M3的栅极以及NMOS管M1的漏极相连,运算放大器A1的输出端与NMOS管M1的栅极相连,运算放大器A1的反相输入端分别与NMOS管M1的源极以及受控电阻R3的另一端相连,电阻R4的另一端与PMOS管M3的源极相连,PMOS管M3的漏极分别与反相器INV1的输入端、NMOS管M5的栅极以及NMOS管M4的漏极相连,NMOS管M4的栅极分别与运算放大器A2的输出端以及NMOS管M7的栅极相连,NMOS管M4的源极与电阻R5的一端相连,NMOS管M7的源极分别与运算放大器A2的反相输入端以及电阻R6的一端相连,运算放大器A2的同相输入端与参考电压输入端Vref相连,电阻R6的另一端分别与电阻R2的另一端、受控电阻R3的另一端、电阻R5的另一端以及外部地线GND相连。

2.根据权利要求1所述的一种用于DC-DC变换器的自适应导通时间产生电路,其特征在于,所述输出整形电路(2)包括:反相器INV1、反相器INV2、NMOS管M5以及NMOS管M6,其中反相器INV1的输出端分别与NMOS管M5的漏极以及反相器INV2的输入端相连,NMOS管M5的源极与NMOS管M6的漏极相连,NMOS管M6的栅极分别与反相器INV2的输出端以及电路输出端Ton_rst相连,NMOS管M6的源极与外部地线GND相连。

3.根据权利要求1所述的一种用于DC-DC变换器的自适应导通时间产生电路,其特征在于,所述自适应导通时间产生核心电路(1)中,运算放大器A1与运算放大器A2的直流增益均远远大于1,电阻R1的阻值是电阻R2的(k-1)倍,受控电阻R3由DC-DC变换器输出电压控制,且受控电阻R3的阻值R3为DC-DC变换器输出电压Vout的α倍,其中α<1;NMOS管M1、电阻R1、电阻R2、运算放大器A1以及受控电阻R3构成放电电流产生电路并产生自适应于DC-DC变换器输入电压Vin及其输出电压Vout且不随电容C1极板电压变化的放电电流IR3,放电电流IR3即流过受控电阻R3的电流,且IR3=Vin/(kαVout),k为电阻R1与电阻R2的阻值比例系数,PMOS管M2与PMOS管M3具有相同的沟道宽长比,当DC-DC变换器的上功率管关断且下功率管导通时,开关S1闭合,电容C1的下极板电压VA复位至高电平即VA=VDD,其中VDD为内部电源VDD电压,进而建立初始状态,此时流过电阻R4的初始电流其中,R4为电阻R4的阻值,μp为空穴迁移率,Cox为单位面积的栅氧化层电容,(W/L)2为PMOS管M2的沟道宽长比。

4.根据权利要求3所述的一种用于DC-DC变换器的自适应导通时间产生电路,其特征在于,所述自适应导通时间产生核心电路(1)中,当DC-DC变换器的上功率管导通,开关S1断开,流过受控电阻R3的电流IR3对电容C1下极板放电且放电时间长度即DC-DC变换器上功率管导通时间为ton,电阻R4与PMOS管M3构成源跟随器结构,则电容C1下极板的电压下降幅度ΔVA与PMOS管M3的源极电压变化量ΔVB有ΔVB=ΔVA=(Vinton)/(kαVoutC1),其中,Vin为DC-DC变换器输入端Vin的输入电压,Vout为DC-DC变换器的输出电压,C1为电容C1的容值,k为电阻R1与电阻R2的阻值比例系数,且电阻R1的阻值是电阻R2的(k-1)倍,α是受控电阻R3的阻值R3与Vout的系数,即R3=αVout;运算放大器A2、NOMS管M7、NMOS管M4、电阻R5以及电阻R6构成基准电流产生电路,电阻R5与电阻R6完全相同,NMOS管M4与NMOS管M7完全相同,电阻R4、PMOS管M3、NMOS管M4以及电阻R5构成电流比较器电路,放电时间长度即DC-DC变换器上功率管导通时间ton=(I0kαR4C1Vout)/Vin,其与DC-DC变换器输出电压Vout成正比且与DC-DC变换器的输入电压Vin成反比,其中,I0=(Vref/R6)-IR4,0,Vref为参考电压输入端Vref的电压,R6为电阻R6的阻值,IR4,0为流过电阻R4的初始电流,R4为电阻R4的阻值。

5.根据权利要求4所述的一种用于DC-DC变换器的自适应导通时间产生电路,其特征在于,当DC-DC变换器处于连续导通模式时,其上功率管导通时间ton有ton=dT=(Vout/Vin)T,其中,d为上功率管导通时间的占空比,T为DC-DC变换器的开关周期,Vin为DC-DC变换器输入端Vin的输入电压,Vout为DC-DC变换器的输出电压,则DC-DC变换器的开关周期T=I0kαR4C1,其中,I0=(Vref/R6)-IR4,0,Vref为参考电压输入端Vref的电压,R6为电阻R6的阻值,IR4,0为流过电阻R4的初始电流,k为电阻R1与电阻R2的阻值比例系数,且电阻R1的阻值是电阻R2的(k-1)倍,α是受控电阻R3的阻值R3与Vout的系数,即R3=αVout,R4为电阻R4的阻值,C1为电容C1的容值。

6.根据权利要求2所述的一种用于DC-DC变换器的自适应导通时间产生电路,其特征在于,所述输出整形电路(2)中,当所述自适应导通时间产生核心电路(1)的输出端电压即PMOS管M3的漏极电压翻高,反相器INV1的输入端电压升高,反相器IV2的输出端电压升高,NMOS管M5与NMOS管M6导通,此时反相器INV1的输出端电压将被快速拉到低电位,进而使得反相器INV2的输出端被快速拉到高电位,从而提高电路的整形效率与翻转速度。