欢迎来到知嘟嘟! 联系电话:13336804447 卖家免费入驻,海量在线求购! 卖家免费入驻,海量在线求购!
知嘟嘟
我要发布
联系电话:13336804447
知嘟嘟经纪人
收藏
专利号: 2022100307762
申请人: 青岛科技大学
专利类型:发明专利
专利状态:已下证
专利领域: 有机高分子化合物;其制备或化学加工;以其为基料的组合物
更新日期:2024-02-23
缴费截止日期: 暂无
价格&联系人
年费信息
委托购买

摘要:

权利要求书:

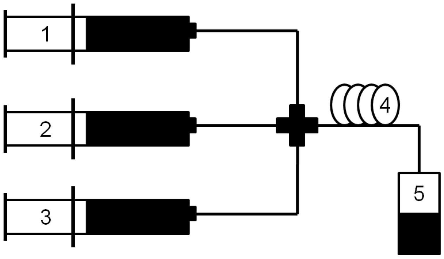
1.一种利用平推流反应器制备序列结构可控且分子量分布窄的乙交酯‑丙交酯共聚物的方法,包括如下步骤:

(1)将乙交酯溶于有机溶剂中送入注射泵1中,预热至15~50℃,其中乙交酯的浓度为

0.5~3mol/L;

(2)将丙交酯溶于有机溶剂中送入注射泵2中,预热至15~50℃,其中丙交酯的浓度为

0.5~3mol/L;

(3)将催化剂、脲、引发剂溶于有机溶剂中送入注射泵3中,预热至15~50℃,其中催化剂和引发剂的摩尔比例为1:(0.05~5);催化剂和脲的摩尔比例为1:(0.5~5);催化剂的摩尔浓度为0.001~0.3mol/L;

(4)将注射泵1、注射泵2中的单体溶液和注射泵3中的溶液以恒定的速率注入预热至15~50℃的混合反应管路4中,其中催化剂与单体的摩尔比例为1:(10~3000);

(5)将步骤(4)中溶液注入含有酸性物质的终止模块5中淬灭反应,加入甲醇,离心分离沉淀得到乙交酯‑丙交酯共聚物。

2.根据权利要求1所述的方法,其特征在于,步骤(1)中所述有机溶剂为四氢呋喃、二氯甲烷;步骤(2)中所述有机溶剂为四氢呋喃、二氯甲烷、乙腈、N,N‑二甲基甲酰胺、甲苯;步骤(3)中所述有机溶剂为四氢呋喃、二氯甲烷、乙腈、N,N‑二甲基甲酰胺、甲苯。

3.根据权利要求1所述的方法,其特征在于,步骤(3)中所述的催化剂为六[三(二甲基胺)磷氮烯]三聚磷腈({[(NMe2)3P=N]2P=N}3);所述脲为1‑环己基‑3‑(4‑三氟甲基苯基)脲

4.根据权利要求1所述的方法,其特征在于,步骤(4)中所述的乙交酯和丙交酯在混合反应管路4中的摩尔比例为1:(1~10);反应溶液在混合反应管路4的停留时间为1~500ms。

5.根据权利要求1所述的方法,其特征在于,步骤(5)中所述的酸性物质为乙酸、苯甲酸、盐酸、硫酸、磷酸;所述酸性物质与催化剂的摩尔比例为1:(0.1~1)。

6.根据权利要求1所述的方法,其特征在于,所述的平推流反应器包括以下组件:注射泵1、注射泵2、注射泵3、混合反应管路4、终止模块5,五个模块通过管道依次连接;其中,连接管道为内径1mm,长度100mm的聚四氟乙烯管路;四通接头内径为1mm,体积22.8μL;注射泵

1、注射泵2和注射泵3体积为2~20mL;混合反应管路4内径为0.1~0.2mm,长度10~1000mm,材质为聚四氟乙烯;终止模块5为玻璃接收瓶。

7.根据权利要求1所述的方法,其特征在于,步骤(4)中注射泵1的流速为1~50mL/min;

注射泵2的流速为1~50mL/min;注射泵3的流速为1~50mL/min。