欢迎来到知嘟嘟! 联系电话:13336804447 卖家免费入驻,海量在线求购! 卖家免费入驻,海量在线求购!
知嘟嘟
我要发布
联系电话:13336804447
知嘟嘟经纪人
收藏
专利号: 2021213264925
申请人: 肖书莲
专利类型:实用新型
专利状态:已下证
专利领域: 一般机器或发动机;一般的发动机装置;蒸汽机
更新日期:2024-02-29
缴费截止日期: 暂无
价格&联系人
年费信息
委托购买

摘要:

权利要求书:

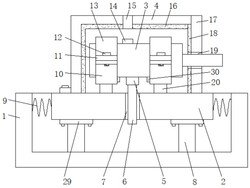
1.一种低噪音气动马达,包括底座(1)、安装板(2)、气动马达本体(3)、消音罩(4)、两个活动环(13)和盖板(17),其特征在于,所述底座(1)的顶部开设有凹槽,底座(1)的一侧外壁上开设有出口(23),出口(23)与凹槽连通,凹槽的底部内壁上固定有多个橡胶支座(8),所述安装板(2)的底面与多个橡胶支座(8)的顶部固定连接,所述安装板(2)的顶部开设有连接孔(7),所述安装板(2)的顶部固定有两个支撑脚(20),两个支撑脚(20)的顶部均固定有固定环(10),所述气动马达本体(3)位于两个固定环(10)的顶部,两个所述活动环(13)分别卡在气动马达本体(3)的底部与两个固定环(10)固定连接,所述气动马达本体(3)的外壁上固定有出气口(5)和进气口(14),出气口(5)的一测固定有出气管(6),出气管(6)的另一端贯穿连接孔(7)和出口(23)延伸至底座(1)的外部,所述消音罩(4)罩设在气动马达本体(3)的外部,且消音罩(4)的底部与安装板(2)的顶部固定连接,消音罩(4)的内壁上固定有第一消音垫(16),消音罩(4)的顶部开设有第一通孔(15),所述消音罩(4)的一侧开设有缺口,缺口的外部可拆分式的固定有盖板(17),所述盖板(17)的正面开设有第二通孔(19),所述气动马达本体(3)的输出轴的一端贯穿第二通孔(19)延伸至消音罩(4)的外部,所述盖板(17)的内侧固定有第二消音垫(18)。

2.根据权利要求1所述的一种低噪音气动马达,其特征在于,所述消音罩(4)的两侧外壁上均固定有第一固定板(25),两个第一固定板(25)的正面均开设有多个固定孔(28),盖板(17)的两侧外壁上均固定有第二固定板(26),两个第二固定板(26)的背面均固定有多个螺纹柱(24),多个螺纹柱(24)分别贯穿多个固定孔(28)延伸至第一固定板(25)的背面,多个螺纹柱(24)位于两个第一固定板(25)背面的一端均螺纹连接有螺帽(27)。

3.根据权利要求1所述的一种低噪音气动马达,其特征在于,所述固定环(10)的两侧和活动环(13)的两侧均固定有固定块(11),固定环(10)上的固定块(11)与活动环(13)上的固定块(11)之间通过螺栓(12)固定连接。

4.根据权利要求1所述的一种低噪音气动马达,其特征在于,所述安装板(2)的侧面固定有多个弹簧(9),多个弹簧(9)的另一端均与凹槽的内壁接触。

5.根据权利要求1所述的一种低噪音气动马达,其特征在于,多个所述橡胶支座(8)的顶部均固定有连接板(29),连接板(29)与安装板(2)的底面通第一过螺钉固定。

6.根据权利要求1所述的一种低噪音气动马达,其特征在于,所述消音罩(4)的外壁的底部固定有底板(22),底板(22)与安装板(2)之间通过第二螺钉固定。

7.根据权利要求1所述的一种低噪音气动马达,其特征在于,所述气动马达本体(3)的外壁上固定有两个定位板(30),两个定位板(30)位于两个固定环(10)之间,且两个定位板(30)分别与两个固定环(10)接触。

8.根据权利要求1所述的一种低噪音气动马达,其特征在于,两个所述固定环(10)的内侧和两个所述活动环(13)的内侧均固定有减震垫(21)。