欢迎来到知嘟嘟! 联系电话:13336804447 卖家免费入驻,海量在线求购! 卖家免费入驻,海量在线求购!
知嘟嘟
我要发布
联系电话:13336804447
知嘟嘟经纪人
收藏
专利号: 2021113631295
申请人: 广东工业大学
专利类型:发明专利
专利状态:已下证
专利领域: 铸造;粉末冶金
更新日期:2024-01-05
缴费截止日期: 暂无
价格&联系人
年费信息
委托购买

摘要:

权利要求书:

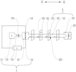
1.一种纳米金属颗粒尺寸筛选装置,其特征在于,包括电火花烧蚀装置和筛选装置;

所述电火花烧蚀装置包括惰性气源、烧蚀反应容器、高压静电发生器和两个电极,两个所述电极相对地设置于所述烧蚀反应容器的内壁,且两个所述电极分别与所述高压静电发生器电连接,所述烧蚀反应容器连通所述惰性气源;

所述筛选装置包括筛选管道和多个电极板,所述电极板设有通孔,所述筛选管道依次穿过多个所述电极板的通孔;

多个所述电极板从左至右呈直线依次设置于所述筛选管道,所述筛选管道于多个所述电极板的左侧一面分别设有颗粒沉积收集平台;多个所述电极板分别独立地与不同电压的电源连接,且电压按纳米金属颗粒的运动方向从左到右依次增大,所述纳米金属颗粒与所述电极板具有同种电荷;

所述惰性气源、所述烧蚀反应容器和所述筛选管道从左到右依次相通连接。

2.根据权利要求1所述的纳米金属颗粒尺寸筛选装置,其特征在于,所述筛选装置还包括收集箱,所述收集箱与所述筛选管道的右端相连通,且所述收集箱内设置有颗粒沉积收集平台。

3.根据权利要求1所述的纳米金属颗粒尺寸筛选装置,其特征在于,所述电火花烧蚀装置还包括进气管路,所述进气管路的一端与所述惰性气源的出气端连通,所述进气管路的另一端与所述烧蚀反应容器的进气端连通,所述进气管路设有单向阀。

4.根据权利要求1所述的纳米金属颗粒尺寸筛选装置,其特征在于,所述筛选管道的截面形状为圆形,所述电极板的通孔的形状为圆形,且所述筛选管道的外壁与所述电极板的通孔的孔壁相贴合。

5.一种纳米金属颗粒尺寸筛选方法,其特征在于,采用如权利要求1~4任意一项所述的纳米金属颗粒尺寸筛选装置,包括以下步骤:使用高压静电发生器对两个电极施加相同极性的高压静电,并对两个电极施加脉冲电势差,使两个电极产生火花放电,在烧蚀反应容器中制得纳米金属颗粒,所述纳米金属颗粒的表面带有与高压静电极性相同的电荷;

使用惰性气源向烧蚀反应容器中通入惰性气体,制得的纳米金属颗粒在惰性气体的气流推动下进入筛选管道中,调节设置各个电极板的电压,使不同尺寸的纳米金属颗粒收集于各个颗粒沉积收集平台。

6.根据权利要求5所述的纳米金属颗粒尺寸筛选方法,其特征在于,所述电极板的电压设置满足以下关系式:

其中ρ为纳米金属颗粒的密度,V为纳米金属颗粒尺寸筛选装置内惰性气体的流速,R为纳米金属颗粒尺寸,K为纳米金属颗粒所带电荷的表面电荷密度,K的表达式为 其中k为比例系数,k=0.5~2,U0为两个电极之间的电压,C为电火花烧蚀装置的等效电容,S为两个电极端面的横截面积。

7.根据权利要求5所述的纳米金属颗粒尺寸筛选方法,其特征在于,使用所述高压静电发生器对两个电极施加的高压静电为正电或者负电。