欢迎来到知嘟嘟! 联系电话:13336804447 卖家免费入驻,海量在线求购! 卖家免费入驻,海量在线求购!
知嘟嘟
我要发布
联系电话:13336804447
知嘟嘟经纪人
收藏
专利号: 2021111633012
申请人: 杭州电子科技大学
专利类型:发明专利
专利状态:已下证
专利领域: 测量;测试
更新日期:2024-01-05
缴费截止日期: 暂无
价格&联系人
年费信息
委托购买

摘要:

权利要求书:

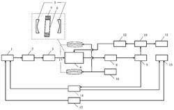
1.基于铁磁薄膜与法布里珀罗腔的磁场传感系统,其特性在于:包括可调谐激光器(1)、光衰减器(2)、偏振控制器(3)、传感单元(4)、光电探测器(8)、偏置三通(9)、分束器(10)、频谱分析仪(11)、网络分析仪(12)、示波器(13)、伺服控制器(14)、信号发生器(15)、电流源(16)、线圈(17),其中传感单元(4)包括法布里珀罗腔(5)、钇铁石榴石薄膜(6)、微带线(7);

所述的可调谐激光器(1)输出的光依次通过光衰减器(2)、偏振控制器(3),传入法布里珀罗腔(5);光场在法布里珀罗腔(5)内传播并驱动钇铁石榴石薄膜(6)产生机械振动,从法布里珀罗腔(5)输出的光场到达光电探测器(8),光电探测器(8)输出的电信号通过偏置三通(9)将交直流信号分离,直流分量送入伺服控制器(14),交流分量经过分束器(10)后送入频谱分析仪(11)和网络分析仪(12)接收端;伺服控制器(14)输出的两路信号分别送入示波器(13)和可调谐激光器(1),信号发生器(15)输出的三角波信号一路送入示波器(13)观测,另一路送入可调谐激光器(1)作为扫频信号;电流源(16)驱动线圈(17)产生直流磁场、网络分析仪(12)输出的射频磁场信号送入微带线(7),直流磁场和射频磁场共同激发钇铁石榴石薄膜的铁磁共振;

所述的法布里珀罗腔(5)内插了钇铁石榴石薄膜(6),通过设计腔结构参数和选取合适的参量制备钇铁石榴石薄膜(6),使得传感单元(4)同时获得高光学品质因数和高频率力学8

模式,其中高光学品质因数为达到10量级,高频率力学模式频率达GHz;所述的钇铁石榴石薄膜(6)的力学模式频率达GHz,且能够通过直流磁场调谐方式使得力学模式频率与铁磁共振频率易重合;所述的钇铁石榴石薄膜(6)厚度为100‑200nm,面积需大于法布里珀罗腔(5)中光束腰斑的尺寸,且在钇铁石榴石薄膜无光通过的区域引入微带线(7);所述的射频磁场和直流磁场方向垂直,且射频磁场的频率能够激发钇铁石榴石薄膜(6)的铁磁共振,直流磁场调谐钇铁石榴石薄膜(6)的铁磁共振频率。

2.根据权利要求1所述的基于铁磁薄膜与法布里珀罗腔的磁场传感系统,其特性在于:

所述的激发钇铁石榴石薄膜的铁磁共振,具体为:电流源驱动线圈产生直流磁场,并将网络分析仪输出的射频磁场信号送入微带线中,两者方向垂直,微带线中的射频磁场信号会激发直流磁场周围磁化进动,当射频磁场信号与钇铁石榴石薄膜的铁磁共振频率一致时,会激发钇铁石榴石薄膜的铁磁共振。

3.根据权利要求1所述的基于铁磁薄膜与法布里珀罗腔的磁场传感系统,其特性在于:

所述的法布里珀罗腔完全固定,两端需设有光纤接入和接出端口。

4.根据权利要求1所述的基于铁磁薄膜与法布里珀罗腔的磁场传感系统,其特性在于:

所述的可调谐激光器输出频段应在钇铁石榴石薄膜的低损耗波段,且能扫出法布里珀罗腔的光学模式,所述的低损耗波段为1550‑1570nm。

5.根据权利要求1所述的基于铁磁薄膜与法布里珀罗腔的磁场传感系统,其特性在于:

所述的光电探测器要为高速探测器,能够响应待测信号的频率,带宽为12GHz。

6.根据权利要求1所述的基于铁磁薄膜与法布里珀罗腔的磁场传感系统,其特性在于:

所述的微带线设有相应的SMA接入端口。

7.根据权利要求1所述的基于铁磁薄膜与法布里珀罗腔的磁场传感系统,其特性在于:

所述的钇铁石榴石薄膜平行于法布里珀罗腔的两个反射镜的镜面。

8.根据权利要求1所述的基于铁磁薄膜与法布里珀罗腔的磁场传感系统,其特性在于:

所述的网络分析仪和频谱分析仪的分辨率需满足测量要求。

9.根据权利要求1所述的基于铁磁薄膜与法布里珀罗腔的磁场传感系统,其特性在于:

所述的偏振控制器的偏振状态要保证光学模式的光学品质因数最高。

10.根据权利要求1所述的基于铁磁薄膜与法布里珀罗腔的磁场传感系统,其特性在于,其调解方法为:利用热锁模的方法将可调谐激光器输出的中心频率锁定在法布里珀罗腔透射谱1/2处,而待测磁场信号会引起法布里珀罗腔中钇铁石榴石薄膜发生磁致伸缩效应,产生与待测信号同频的振动,进而使得透射谱线中的相位和幅度发生变化,这种变化通过频谱分析仪和网络分析仪进行探测,再进行数据处理可解调出待测磁场信号。