欢迎来到知嘟嘟! 联系电话:13336804447 卖家免费入驻,海量在线求购! 卖家免费入驻,海量在线求购!
知嘟嘟
我要发布
联系电话:13336804447
知嘟嘟经纪人
收藏
专利号: 2021106651932
申请人: 广西师范大学
专利类型:发明专利
专利状态:已下证
专利领域: 农业;林业;畜牧业;狩猎;诱捕;捕鱼
更新日期:2023-12-04
缴费截止日期: 暂无
价格&联系人
年费信息
委托购买

摘要:

权利要求书:

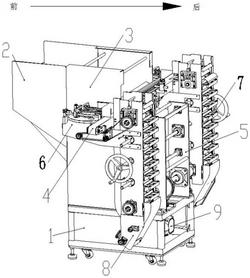
1.一种双行木薯播种机均匀精量自动排种装置,其特征在于,包括机架(1)、供种料斗(2)、调姿分料机构(3)、输料机构(4)、间距调节机构(5)、两个充种机构(6)、两个排种机构(7)、两个出种调姿机构(8)和电机(9);所述供种料斗(2)设置在所述机架(1)的前部,其开口朝上设置并用于投放木薯种(10);所述调姿分料机构(3)可上下往复运动的设置在所述机架(1)上对应所述供种料斗(2)后部的位置,其入口连通所述供种料斗(2)以承接住所述供种料斗(2)内的木薯种(10),并通过上下往复运动将木薯种(10)调整为水平状再朝后向上提升预设的高度;所述输料机构(4)设置在所述机架(1)上对应所述调姿分料机构(3)后部的位置,其中部与所述调姿分料机构(3)的出口对应以承接住所调姿分料机构(3)提升后的木薯种(10),并且所述输料机构(4)的两端朝所述机架(1)的两侧水平延伸且可水平循环转动设置,进而将承接住的水平状的木薯种(10)分别朝所述机架(1)的两侧输送;

所述间距调节机构(5)设置在所述机架(1)上对应所述输料机构(4)后部的位置,两个所述排种机构(7)分别可滑动的安装在所述间距调节机构(5)上的两侧;两个所述充种机构(6)与两个所述排种机构(7)一一对应设置,所述充种机构(6)固定在相对应的所述排种机构(7)的上部,并且相对应的所述充种机构(6)与所述排种机构(7)的上部分别处于所述输料机构(4)一端的前后两侧;所述充种机构(6)可前后来回运动以将所述输料机构(4)输送预设距离的木薯种(10)向后推入到相对应的所述排种机构(7)的上部内,所述排种机构(7)可上下循环转动设置以承接所述充种机构(6)推入的木薯种(10)并使木薯种(10)保持水平状向下输送;两个所述出种调姿机构(8)分别设置在相对应的所述排种机构(7)的底部以承接住所述排种机构(7)向下输送的水平状木薯种(10),并且所述出种调姿机构(8)可摆动设置以将承接住的水平状木薯种(10)扶正成竖直状并向下插入到需要播种的位置;所述电机(9)固定在所述机架(1)上,其分别连接所述调姿分料机构(3)、所述输料机构(4)、所述充种机构(6)、所述排种机构(7)和所述出种调姿机构(8),并带动所述调姿分料机构(3)上下往复运动、带动所述输料机构(4)水平循环转动、带动所述充种机构(6)前后来回运动、带动所述排种机构(7)上下循环转动以及带动所述出种调姿机构(8)摆动。

2.根据权利要求1所述的双行木薯播种机均匀精量自动排种装置,其特征在于,所述调姿分料机构(3)包括壳体(12)、入料板(13)和提升机构;所述壳体(12)固定在所述机架(1)上且对应所述供种料斗(2)后部的位置,其前侧下部设有连通所述供种料斗(2)出口的入口;所述入料板(13)固定在所述壳体(12)内部且对应所述壳体(12)入口的位置,其前后方向斜向下设置以承接住经所述壳体(12)入口的木薯种(10)并向后输送;所述提升机构设置在所述壳体(12)内部对应所述入料板(13)后部的位置,并且所述提升机构可上下往复运动以将经所述入料板(13)的木薯种(10)调整为水平状并向上提升预设的高度,所述壳体(12)的后侧上部设有将所述提升机构提升后的木薯种(10)水平输出的出口;所述输料机构(4)设置在所述机架(1)上对应所述壳体(12)出口后部的位置,其中部与所述壳体(12)的出口对应以承接住从所述壳体(12)出口输出的水平状木薯种(10)。

3.根据权利要求2所述的双行木薯播种机均匀精量自动排种装置,其特征在于,所述提升机构包括动力板(14)、立柱(15)、摇杆(16)、推板和固定板;所述动力板(14)可上下滑动的处于所述壳体(12)内对应所述入料板(13)后部的位置,在所述动力板(14)拐角处分别设有直线轴承(19);所述立柱(15)的上端处于其中一个所述直线轴承(19)内,其下端固定在所述壳体(12)内相应的位置处以对所述动力板(14)的上下运动导向;在所述壳体(12)下方可转动的设有与所述电机(9)输出端连接的第一同步轮(20),所述摇杆(16)的上端铰接所述动力板(14)的底部,其下端伸出所述壳体(12)并铰接所述第一同步轮(20)靠近边缘的位置以带动所述动力板(14)上下往复运动;所述推板有三块,第一块推板(17)、第二块推板(67)以及第三块推板(68)前后间隔且竖直固定在所述动力板(14)上并随着所述动力板(14)同步上下往复运动,并且所述第一块推板(17)的前侧贴住所述入料板(13)的后侧,所述第三块推板(68)的后侧贴住所述壳体(12)后部的内壁,所述第一块推板(17)、所述第二块推板(67)以及所述第三块推板(68)的顶部从前至后依次增高形成台阶结构;所述固定板有两块,第一块固定板(18)和第二块固定板(69)分别前后固定在所述壳体(12)内且对应相邻两块所述推板之间的位置,并且所述第一块固定板(18)处于所述第二块固定板(69)的上方;所有所述推板和所述固定板的顶部在从前到后的方向上为斜向下的斜面,并且当所述第一块推板(17)向上运动到最高位置时所述第一块固定板(18)的顶部处于所述第一块推板(17)顶部的延长面上,当所述第二块推板(67)向上运动到最高位置时所述第二块固定板(69)的顶部处于所述第二块推板(67)顶部的延长面上,进而通过所述推板上下往复运动使经所述入料板(13)的木薯种(10)向后依次经过所述固定板的顶部并被调整为水平状,最后经所述第三块推板(68)的顶部从所述壳体(12)的出口输出到所述输料机构(4)的中部。

4.根据权利要求1所述的双行木薯播种机均匀精量自动排种装置,其特征在于,所述输料机构(4)包括支座(23)、输料板(24)和两个传送组件;所述支座(23)固定在所述机架(1)上对应所述调姿分料机构(3)后部的位置,其中部对应所述调姿分料机构(3)出口后方的位置,并且所述支座(23)的两端朝所述机架(1)的两侧水平延伸预设的距离;所述调姿分料机构(3)的出口与所述支座(23)的中部之间设有第一过渡板(65)以将所调姿分料机构(3)提升后的木薯种(10)向后输送到所述支座(23)的中部;两个所述传送组件的一端安装在所述支座(23)的中部,其另一端沿着所述支座(23)分别朝所述机架(1)的两侧延伸;所述输料板(24)竖直固定在所述支座(23)中部远离所述调姿分料机构(3)出口的一侧,其用于阻挡从所述调姿分料机构(3)出口输出的水平状的木薯种(10),并使水平状的木薯种(10)掉落到相应的所述传送组件上后再朝所述机架(1)的两侧输送;相对应的所述充种机构(6)与所述排种机构(7)的上部分别处于两个所述传送组件另一端的前后两侧。

5.根据权利要求4所述的双行木薯播种机均匀精量自动排种装置,其特征在于,所述传送组件包括主动辊(25)、从动辊(26)和输送带(27);所述主动辊(25)可转动的安装在所述支座(23)的中部,并且两个所述传送组件上与所述主动辊(25)同轴的齿轮相互啮合;所述从动辊(26)可转动的安装在所述支座(23)相应的一端,所述输送带(27)套装在所述主动辊(25)和所述从动辊(26)上;所述机架(1)上对应所述电机(9)的位置可转动的设有动力轴(11),所述动力轴(11)上固定有过渡轮(21),所述过渡轮(21)通过第一皮带(22)与所述电机(9)的输出端联动连接,在所述动力轴(11)上固定有第二同步轮(28),所述第二同步轮(28)通过第二皮带(29)连接并驱动其中一个所述传送组件的齿轮转动;相对应的所述充种机构(6)与所述排种机构(7)的上部分别处于所述输送带(27)靠近所述从动辊(26)位置处的前后两侧。

6.根据权利要求1所述的双行木薯播种机均匀精量自动排种装置,其特征在于,所述间距调节机构(5)包括框架(30)、丝杆(31)和两根支撑杆(32);所述框架(30)固定在所述机架(1)上对应所述输料机构(4)后部的位置,两个所述排种机构(7)分别处于所述框架(30)的两侧;所述丝杆(31)螺纹安装在所述框架(30)的中部,两根所述支撑杆(32)分别固定在所述框架(30)上且对应所述丝杆(31)上部和下部的位置,并且所述丝杆(31)的两端延伸出所述框架(30)两侧后分别螺纹贯穿两个所述排种机构(7)的中部,两根所述支撑杆(32)延伸出所述框架(30)两侧后分别自由贯穿两个所述排种机构(7)的上部和下部;所述丝杆(31)的两端分别固定有带动所述丝杆(31)转动以使两个所述排种机构(7)相对滑动的手轮(33)。

7.根据权利要求1至6任一项所述的双行木薯播种机均匀精量自动排种装置,其特征在于,所述充种机构(6)包括充种架(34)、转盘(35)、滑座(36)、推杆(37)、推种件、驱动杆(38)和销轴(39);所述充种架(34)固定在相对应的所述排种机构(7)的上部前侧,并且相对应的所述充种架(34)与所述排种机构(7)的上部分别处于所述输料机构(4)一端的前后两侧;所述转盘(35)通过充种转轴(40)可转动的安装在所述充种架(34)上,所述充种架(34)上对应所述转盘(35)两侧上方的位置分别固定有滑杆(41),所述滑座(36)的两端分别可滑动的套装在两根所述滑杆(41)上;所述推杆(37)有两根,其前端分别固定在所述滑座(36)的中部,后端分别连接处于所述输料机构(4)一端上方的所述推种件,所述输料机构(4)一端与相应的所述排种机构(7)之间设有第二过渡板(66);

所述驱动杆(38)的前端固定在所述滑座(36)上对应两根推杆(37)之间的位置,其后端固定有向下延伸的销轴(39);在所述转盘(35)上对应所述销轴(39)的位置处设有封闭的圆弧状滑槽(43),所述销轴(39)可滑动的处于所述滑槽(43)内以通过所述转盘(35)转动带动所述推种件前后来回滑动,进而将所述输料机构(4)输送预设距离的木薯种(10)向后经所述第二过渡板(66)推入到相对应的所述排种机构(7)的上部内。

8.根据权利要求7所述的双行木薯播种机均匀精量自动排种装置,其特征在于,所述推种件包括推种罩(44)、弹簧(45)和挡板(46);所述推种罩(44)为沿着所述输料机构(4)输送木薯种(10)的方向设置的方形结构,其处于所述输料机构(4)一端的上方并可滑动的套装在两根所述推杆(37)的后端;所述弹簧(45)分别套装在两根所述推杆(37)上且前后抵住所述滑座(36)和所述推种罩(44)相应以使所述推种罩(44)保持在所述推杆(37)的后端,并前后滑动将所述输料机构(4)输送预设距离的木薯种(10)向后推入到相对应的所述排种机构(7)的上部内;所述推种罩(44)的底部开放设置,其在所述输料机构(4)输送木薯种(10)的方向上处于前方的一端为开放端;所述挡板(46)固定在所述推种罩(44)开放端的前侧,并用于在所述推种罩(44)向后推木薯种(10)时挡住所述输料机构(4)后面输送过来的木薯种(10)。

9.根据权利要求7所述的双行木薯播种机均匀精量自动排种装置,其特征在于,所述排种机构(7)包括排种架(47)、主动链轮(48)、从动链轮(49)、链条(50)和种兜(51);所述排种架(47)可滑动的安装在所述间距调节机构(5)相应的一侧,并且其上部前侧固定连接所述充种机构(6);所述主动链轮(48)可转动的安装在所述排种架(47)的下部,所述从动链轮(49)通过从动轴(52)可转动的安装在所述排种架(47)的上部,并且两个所述排种机构(7)的所述主动链轮(48)通过一根主动轴(53)联动连接,所述主动轴(53)中部固定有第一带轮(54);所述动力轴(11)上固定有第三同步轮(55),所述第三同步轮(55)通过第三皮带(56)连接所述第一带轮(54);所述从动轴(52)上固定有第二带轮(57),所述第二带轮(57)连接并驱动相对应的所述充种转轴(40)转动;所述链条(50)套装在两个所述链轮上;所述种兜(51)设有若干个,其均匀固定在所述链条(50)的外侧,所述种兜(51)上设有排种槽(58),所述排种槽(58)与水平状的木薯种(10)相匹配以承接所述充种机构(6)推入的木薯种(10),并随着所述链条(50)运动到最低位置后翻转使木薯种(10)保持水平状向下输送。

10.根据权利要求9所述的双行木薯播种机均匀精量自动排种装置,其特征在于,所述出种调姿机构(8)包括出种箱(59)、出种转轴(60)、出种板(42)、曲柄(61)和摆杆(62);所述出种箱(59)上下开口设置,其上端开口固定在所述排种机构(7)的底部;所述出种转轴(60)可转动的安装在所述出种箱(59)内的下部,所述出种板(42)倾斜固定在所述出种转轴(60)上,所述摆杆(62)向上固定在所述出种转轴(60)上对应所述出种板(42)外侧的位置;所述曲柄(61)的一端可滑动的套在所述摆杆(62)上,其另一端可转动的安装在所述出种箱(59)上相应的位置以通过转动带动所述出种板(42)来回摆动,进而使得所述出种板(42)的顶部先承接住所述排种机构(7)向下输送的水平状木薯种(10),再通过摆动将水平状木薯种(10)扶正成竖直状并通过所述出种箱(59)下端的开口向下插入到需要播种的位置;

所述出种箱(59)外侧对应所述曲柄(61)另一端的位置设有第三带轮(63),所述第三带轮(63)固定连接所述曲柄(61)的另一端;所述主动轴(53)两端分别固定有第四带轮(64),所述第四带轮(64)分别连接并驱动相应的所述第三带轮(63)转动。