欢迎来到知嘟嘟! 联系电话:13336804447 卖家免费入驻,海量在线求购! 卖家免费入驻,海量在线求购!
知嘟嘟
我要发布
联系电话:13336804447
知嘟嘟经纪人
收藏
专利号: 2021104166487
申请人: 南京市淑先科技有限公司
专利类型:发明专利
专利状态:已下证
专利领域: 医学或兽医学;卫生学
更新日期:2024-02-23
缴费截止日期: 暂无
价格&联系人
年费信息
委托购买

摘要:

权利要求书:

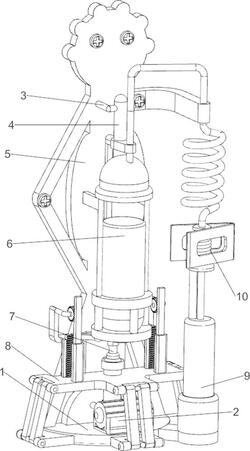
1.一种肝胆外科手术后用引流装置,其特征在于,包括有:底座(1)和负压泵(2),底座(1)顶部一侧设有负压泵(2);

放置机构(5),底座(1)顶部一侧设有放置机构(5);

导线(3),放置机构(5)上设有两根导线(3),导线(3)均与负压泵(2)连接;

引流机构(6),放置机构(5)上部一侧设有引流机构(6);

导管(4),引流机构(6)上部设有导管(4),导管(4)均与导线(3)连接。

2.如权利要求1所述的一种肝胆外科手术后用引流装置,其特征在于,放置机构(5)包括有:

支架(51),底座(1)顶部一侧的设有支架(51);

螺丝(52),支架(51)上部一侧设有四颗螺丝(52);

导向杆(53),支架(51)一侧中部对称设有导向杆(53);

支撑块(54),导向杆(53)下部之间滑动式设有支撑块(54),支撑块(54)与支架(51)滑动式连接。

3.如权利要求2所述的一种肝胆外科手术后用引流装置,其特征在于,引流机构(6)包括有:

玻璃瓶(61),支撑块(54)内放置有玻璃瓶(61);

连接环(62),导向杆(53)上部之间设有连接环(62);

衔接盖(63),连接环(62)上部设有衔接盖(63);

固定块(64),支架(51)一侧上部设有固定块(64),导管(4)与固定块(64)滑动式连接;

引流管(65),固定块(64)与支架(51)右侧之间设有引流管(65),引流管(65)与衔接盖(63)连接。

4.如权利要求3所述的一种肝胆外科手术后用引流装置,其特征在于,还包括有抬升组件(7),抬升组件(7)包括有:连接块(72),支架(51)下部上下对称设有连接块(72);

气缸(71),连接块(72)与底座(1)之间设有气缸(71);

粘合块(74),支架(51)下部对称设有粘合块(74);

导轨(75),粘合块(74)一侧均设有导轨(75);

第一齿条(76),导轨(75)上均滑动式设有第一齿条(76);

推块(73),第一齿条(76)之间设有推块(73),推块(73)下部与气缸(71)的活塞杆连接,推块(73)上部与支撑块(54)滑动式配合。

5.如权利要求4所述的一种肝胆外科手术后用引流装置,其特征在于,还包括有加固组件(8),加固组件(8)包括有:滑杆(82),底座(1)下部内侧均匀间隔滑动式设有三个滑杆(82);

滑块(81),滑杆(82)外侧均设有滑块(81);

弹簧(83),滑块(81)与底座(1)之间均设有弹簧(83),弹簧(83)均套在滑杆(82)上;

转轴(84),滑块(81)外侧均转动式设有转轴(84);

转板(85),转轴(84)上均设有转板(85);

衔接板(86),转板(85)之间设有衔接板(86),衔接板(86)与气缸(71)滑动式连接,衔接板(86)与负压泵(2)配合;

导向块(87),衔接板(86)顶部对称设有导向块(87);

第二齿条(810),导向块(87)一侧均滑动式设有第二齿条(810);

转座(88),粘合块(74)一侧上部均设有转座(88);

齿轮(89),转座(88)一侧均转动式设有齿轮(89),齿轮(89)均与第二齿条(810)啮合,齿轮(89)与第一齿条(76)间歇性啮合。

6.如权利要求5所述的一种肝胆外科手术后用引流装置,其特征在于,还包括有消毒组件(9),消毒组件(9)包括有:放置环(91),底座(1)一侧设有放置环(91);

酒精瓶(92),放置环(91)上部放置有酒精瓶(92),引流管(65)与酒精瓶(92)滑动式连接;

粘合环(94),引流管(65)下部设有粘合环(94);

连接杆(93),粘合环(94)底部设有连接杆(93),连接杆(93)与酒精瓶(92)滑动式连接。

7.如权利要求6所述的一种肝胆外科手术后用引流装置,其特征在于,还包括有:夹紧组件(10),引流机构(6)中部设有夹紧组件(10)。

8.如权利要求6所述的一种肝胆外科手术后用引流装置,其特征在于,夹紧组件(10)包括有:

连接轴(103),引流管(65)中部滑动式设有连接轴(103),连接轴(103)与粘合环(94)配合;

卡块(101),连接轴(103)外侧转动式设有两个卡块(101);

扭簧(102),卡块(101)之间设有扭簧(102),扭簧(102)套在连接轴(103)上。