欢迎来到知嘟嘟! 联系电话:13336804447 卖家免费入驻,海量在线求购! 卖家免费入驻,海量在线求购!
知嘟嘟
我要发布
联系电话:13336804447
知嘟嘟经纪人
收藏
专利号: 2021104113259
申请人: 东北电力大学
专利类型:发明专利
专利状态:已下证
专利领域: 发电、变电或配电
更新日期:2023-12-11
缴费截止日期: 暂无
价格&联系人
年费信息
委托购买

摘要:

权利要求书:

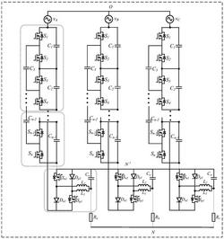
1.一种开关电容式三相自耦变压器,其特征在于,包括A相开关电容阶梯模块、B相开关电容阶梯模块、C相开关电容阶梯模块,还包括A相Dual‑Buck变换器、B相Dual‑Buck变换器、C相Dual‑Buck变换器,所述A相开关电容阶梯模块、B相开关电容阶梯模块、C相开关电容阶梯模块的首端分别连接电网的相应相,所述A相Dual‑Buck变换器输入端连接A相开关电容阶梯模块最后一级,所述B相开关电容阶梯模块输入端连接B相开关电容阶梯模块最后一级,所述C相Dual‑Buck变换器输入端连接C相开关电容阶梯模块,所述A相Dual‑Buck变换器、B相Dual‑Buck变换器、C相Dual‑Buck变换器输出端通过三相负载连接。

2.根据权利要求1所述一种开关电容式三相自耦变压器,其特征在于,所述A相开关电容阶梯模块、B相开关电容阶梯模块、C相开关电容阶梯模块均包括多个功率开关管,编号为S1、S2…Sn,其中n>>4,且n为偶数,多个所述功率开关管依次通过相邻源极连接漏极的方式连接,所述功率开关管S1漏极连接电网的相应相,所述功率开关管Si的漏极与功率开关管Si+1的源极之间连接电容Ci,其中i=1,2…n‑1,每个所述电容Cn‑1并联相应相的Dual‑Buck变换器,所述A相开关电容阶梯模块、B相开关电容阶梯模块、C相开关电容阶梯模块中的功率开关管Sn的源极相互相连。

3.根据权利要求2所述一种开关电容式三相自耦变压器,其特征在于,所述A相Dual‑Buck变换器、B相Dual‑Buck变换器、C相Dual‑Buck变换器均包括源极连接电容Cn‑1下极板的功率开关管Sn1,所述功率开关管Sn1漏极连接二极管Dn1正极、电感L2一端,还包括正极连接电容Cn‑1下极板的二极管Dp1,所述二极管Dp1的负极连接功率开关管Sp1源极、电感L1一端,所述功率开关管Sp1漏极、二极管Dp1负极均连接电容Cn‑1上极板,所述电感L1另一端、电感L2另一端均连接三相负载。

4.根据权利要求3所述一种开关电容式三相自耦变压器,其特征在于,所述电感L1与电感L2之间的连接方式为不耦合。

5.根据权利要求3所述一种开关电容式三相自耦变压器,其特征在于,所述三相负载包括电阻Ra,所述电阻Ra一端连接电阻Rb一端、电阻Rc一端,所述电阻Ra另一端连接A相Dual‑Buck变换器的电感L1另一端和电感L2另一端,所述电阻Rb另一端连接B相Dual‑Buck变换器的电感L1另一端和电感L2另一端,所述电阻Rc另一端连接C相Dual‑Buck变换器的电感L1另一端和电感L2另一端。

6.根据权利要求3所述一种开关电容式三相自耦变压器,其特征在于,所述A相Dual‑Buck变换器、B相Dual‑Buck变换器、C相Dual‑Buck变换器中电感L1另一端、电感L2另一端均连接电容Co下极板,所述电容Co上极板均连接功率开关管Sn的源极。

7.根据权利要求2所述一种开关电容式三相自耦变压器,其特征在于,所述A相开关电容阶梯模块、B相开关电容阶梯模块、C相开关电容阶梯模块均采用PWM策略调控,编号为奇数的功率开关管同时触发,触发时间为D1Ts1,编号为偶数的功率开关管同时触发,触发时间为D2Ts1,所述触发时间D1Ts1与触发时间D2Ts1之间死区时间为td。

8.根据权利要求7所述一种开关电容式三相自耦变压器,其特征在于,所述触发时间D1Ts1与触发时间D2Ts1等长。

9.根据权利要求1所述一种开关电容式三相自耦变压器,其特征在于,所述A相Dual‑Buck变换器、B相Dual‑Buck变换器、C相Dual‑Buck变换器采用基于交错并联的PWM策略调控,运行方式为开环或闭环。