欢迎来到知嘟嘟! 联系电话:13336804447 卖家免费入驻,海量在线求购! 卖家免费入驻,海量在线求购!
知嘟嘟
我要发布
联系电话:13336804447
知嘟嘟经纪人
收藏
专利号: 2021100819728
申请人: 青岛科技大学
专利类型:发明专利
专利状态:已下证
专利领域: 一般机器或发动机;一般的发动机装置;蒸汽机
更新日期:2024-02-23
缴费截止日期: 暂无
价格&联系人
年费信息
委托购买

摘要:

权利要求书:

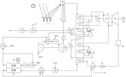
1.一种集成太阳能和MCFC的燃气‑蒸汽联合循环复合发电系统,其特征在于,包括:燃气‑蒸汽联合循环发电系统、塔式太阳能集热系统和MCFC捕集二氧化碳系统;所述燃气‑蒸汽联合循环发电系统、塔式太阳能集热系统和MCFC捕集二氧化碳系统通过共用换热设备相互耦合连接。

2.根据权利要求1所述的一种集成太阳能和MCFC的燃气‑蒸汽联合循环复合发电系统,其特征在于,

所述燃气‑蒸汽联合循环发电系统包括:压气机、空气预热器、燃烧室、燃气轮机、第一发电机、烟气处理器、吸热器、余热锅炉、汽轮机高压缸、汽轮机中压缸、汽轮机低压缸、第二发电机、凝汽器、低压给水泵、给水预热器和换热器;所述压气机、燃气轮机和第一发电机同轴连接;所述汽轮机高压缸、汽轮机中压缸、汽轮机低压缸和第二发电机同轴连接;

所述余热锅炉包括高压过热器、再热器、高压蒸发器、高压汽包、高压省煤器、高压给水泵、低压过热器、低压蒸发器、低压汽包和低压省煤器;

所述压气机、空气预热器、燃烧室和燃气轮机通过管道依次连接;

所述燃气轮机、烟气处理器、吸热器和余热锅炉的烟气进口通过管道依次连接;

所述汽轮机低压缸出口通过管道依次与凝汽器、低压给水泵、给水预热器、低压省煤器、低压汽包、低压蒸发器、低压过热器与汽轮机低压缸入口连接;

所述低压省煤器、高压给水泵、高压省煤器和高压汽包通过管道依次连接;

所述高压汽包通过管道经高压蒸发器与高压过热器连接,所述高压汽包通过管道经换热器与高压过热器连接;

所述高压过热器、汽轮机高压缸、再热器、汽轮机中压缸和汽轮机低压缸通过管道依次连接;

所述塔式太阳能集热系统包括:定日镜场、太阳塔和吸热器;

所述MCFC捕集二氧化碳系统包括:第一混合器、烟气预热器、MCFC、直流/交流转换器、第二混合器、预重整器、后燃室、空气预热器、换热器、冷凝器、二氧化碳回收单元和给水预热器;

所述余热锅炉的烟气出口通过管道经第一混合器、烟气预热器与MCFC阴极入口相连;

所述MCFC阴极出口、烟气预热器和给水预热器通过管道依次相连;

所述第二混合器、预重整器和MCFC阳极进口通过管道依次相连;

所述MCFC阳极出口与第二混合器通过管道相连;

所述MCFC阳极出口经后燃室、空气预热器、换热器、冷凝器和二氧化碳回收单元通过管道依次相连。

所述MCFC输出端与直流/交流转换器相连。

3.根据权利要求1所述的一种集成太阳能和MCFC的燃气‑蒸汽联合循环复合发电系统,其特征在于,所述空气预热器利用流经其中的MCFC阳极排气,将其热量传递给压气机中被压缩后的空气,用于预热压缩后的空气。

4.根据权利要求1所述的一种集成太阳能和MCFC的燃气‑蒸汽联合循环复合发电系统,其特征在于,所述换热器,利用流经其中的MCFC阳极排气,将其热量传递给工质水使其蒸发,使其在汽轮机高压缸中膨胀做功。

5.根据权利要求1所述的一种集成太阳能和MCFC的燃气‑蒸汽联合循环复合发电系统,其特征在于,所述给水预热器,利用流经其中的MCFC阴极排气,将其热量传递给工质水,用于预热工质水。

6.根据权利要求1所述的一种集成太阳能和MCFC的燃气‑蒸汽联合循环复合发电系统,其特征在于,所述烟气预热器利用流经其中的MCFC阴极排气,将其热量传递给余热锅炉排烟,用于预热余热锅炉排烟。

7.根据权利要求1所述的一种集成太阳能和MCFC的燃气‑蒸汽联合循环复合发电系统,其特征在于,所述吸热器为空气式吸热器。