欢迎来到知嘟嘟! 联系电话:13336804447 卖家免费入驻,海量在线求购! 卖家免费入驻,海量在线求购!
知嘟嘟
我要发布
联系电话:13336804447
知嘟嘟经纪人
收藏
专利号: 2021100281058
申请人: 西南交通大学
专利类型:发明专利
专利状态:已下证
专利领域: 测量;测试
更新日期:2024-01-05
缴费截止日期: 暂无
价格&联系人
年费信息
委托购买

摘要:

权利要求书:

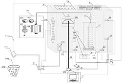
1.一种极端复杂环境下的避雷器服役性能测评方法,其特征在于,首先建立一种极端复杂环境下的避雷器服役性能测试平台,该测试平台包含:综合接地装置(3)、试验箱(4)、工频电源模块(10)、空气含水量分析控制装置(5)、上位机(7)、数据采集器(9)、温度分析仪(110)、污秽浓度分析控制装置(17)、污秽控制开关(171)、污秽试品(172)、污秽输入导管(1731)、污秽输出导管(1732)、温度控制总线(18);

所述工频电源模块(10)包括依次连接的工频电源(101)、整流器(102)、逆变器(103)和变压器(104);

所述试验箱(4)包含了避雷器(1)、高精度电流参量测试仪(2)、空气含水量调节器(6)、开关(11)、耐高压电缆(12)、空气含水量传感器一(13)、空气含水量传感器二(14)、空气含水量传感器三(15)、空气含水量传感器四(16)、温度传感器(111)、温度传感器(112)、喷污发生装置(174)、污秽浓度测试仪(175)、除湿排气扇(176)、温度控制装置(181);

所述高精度电流参量测试仪(2)的电流输入端子IB与避雷器(1)的底部相连,高精度电流参量测试仪(2)的接地端子E与综合接地装置(3)连接,高精度电流参量测试仪(2)信号输出端子O与数据采集器(9)电连接,数据采集器(9)与上位机(7)电连接;

所述空气含水量调节器(6)、空气含水量传感器一(13)、空气含水量传感器二(14)、空气含水量传感器三(15)、空气含水量传感器四(16)、高精度电流参量测试仪(2)、避雷器(1)、开关(11)、耐高压电缆(12)、温度传感器(111)、温度传感器(112)、喷污发生装置(174)、污秽浓度测试仪(175)、除湿排气扇(176)、温度控制装置(181)均固定在试验箱(4)内部;

进一步地,所述空气含水量传感器一(13)、空气含水量传感器二(14)、空气含水量传感器三(15)、空气含水量传感器四(16)、空气含水量调节器(6)均与空气含水量分析控制装置(5)电连接,空气含水量分析控制装置(5)与上位机(7)电连接;

进一步地,所述温度传感器(111)、温度传感器(112)、温度控制总线(18)均与温度分析仪(110)电连接,温度分析仪(110)与上位机(7)电连接;

进一步地,所述温度分析仪(110)经温度控制总线(18)与温度控制装置(181)连接;

进一步地,所述污秽控制开关(171)、污秽浓度测试仪(175)、除湿排气扇(176)均与污秽浓度分析控制装置(17)电连接,污秽浓度分析控制装置(17)与上位机(7)电连接;

进一步地,所述污秽控制开关(171)上端经污秽输出导管(1732)与喷污发生装置(174)连接,下端经污秽输入导管(1731)与污秽试品(172)连接;

进一步地,所述工频电源模块(10)的输出端通过耐高压电缆(12)电连接至开关(11)的输入端,开关(11)的输出端连接至避雷器(1)的顶部输入端。

2.如权利要求1所述的一种极端复杂环境下的避雷器服役性能测评方法,其特征在于,包括以下步骤:

第一步:基于所建测试平台,开展极端复杂环境下避雷器的电流参量信号测试:S1:在上位机(7)上设定试验箱(4)的温度为Ti0,上位机(7)向温度分析仪(110)发出温度设定信号,温度分析仪(110)经温度控制总线(18)控制温度控制装置(181)进而调节试验箱(4)内的温度;温度传感器(111)、温度传感器(112)测量试验箱(4)内的温度并将结果传至温度分析仪(110),温度分析仪(110)计算两个温度测量值的平均值Ti,若Ti与Ti0的绝对误差小于T0,则将Ti传回至上位机(7),否则温度分析仪(110)继续控制温度控制装置(181)调节试验箱(4)内的温度;

S2:在上位机(7)上设定试验箱(4)的污秽浓度为Pi0,上位机(7)向污秽浓度分析控制装置(17)发出污秽浓度设定信号,污秽浓度分析控制装置(17)打开污秽控制开关(171),污秽试品(172)经污秽输入导管(1731)、污秽控制开关(171)、污秽输出导管(1732)流至喷污发生装置(174),喷污发生装置(174)向试验箱(4)内部喷洒污秽试品(172)进而调节试验箱(4)内的污秽浓度;污秽浓度测试仪(175)每隔t0秒测量一次试验箱(4)内的污秽浓度Pi,并将结果传至污秽浓度分析控制装置(17),若Pi与Pi0的绝对误差小于P0,则将Pi传回至上位机(7),同时关闭污秽控制开关(171);

S3:在上位机(7)上设定试验箱(4)内的水汽含量为Hi0,上位机(7)向空气含水量分析控制装置(5)发出水汽含量设定信号,空气含水量分析控制装置(5)控制空气含水量调节器(6)设定试验箱(4)内的水汽含量,空气含水量传感器一(13)、空气含水量传感器二(14)、空气含水量传感器三(15)、空气含水量传感器四(16)测量试验箱(4)内的水汽含量情况并将测量结果传回至空气含水量分析控制装置(5),空气含水量分析控制装置(5)计算四个水汽含量测量值的平均值Hi,若Hi与Hi0的绝对误差小于H0,则将Hi传回至上位机(7),否则空气含水量分析控制装置(5)继续控制空气含水量调节器(6)调节试验箱(4)内的水汽含量;

所述S1、S2、S3同时进行;

S4:打开工频电源(101),同时闭合开关(11)高精度电流参量测试仪(2)测量避雷器(1)在工频电源(101)用下产生的电流参量信号Ileak,并通过数据采集器(9)传输至上位机(7)中;

第二步:计算极端复杂环境避雷器的服役性能评估系数α:S5:计算污秽畸变影响因子Pt:

式(1)中,Pi为试验箱(4)内的污秽浓度,U为避雷器工作电压;

S6:计算温度偏差系数Tt:

式(2)中,Ti为试验箱(4)内的温度,Ileak为实测的避雷器电流参量信号;

S7:计算水汽含量性能因子Ht:

式(3)中,Hi为试验箱(4)内的水汽含量;

S8:计算极端复杂环境避雷器的服役性能评估系数α:式(4)中w1、w2、w3为权重因子且满足w1+w2+w3=1;

第三步:进行避雷器服役性能评估:

当α∈[0.9,1.1]时表征避雷器的服役性能良好;当α∈(0.7,0.9)U(1.1,1.2)时,表征避雷器服役性能较差,需要停电检修;当α∈[1.2,+∞)U(‑∞,0.7]时,表征避雷器服役性能较差,需要停电更换;

第四步:更改上位机(7)上设定试验箱(4)的污秽浓度Pi0、水汽含量Hi0、温度Ti0的值,重复步骤第二步至第四步,即可进行各种极端复杂环境下避雷器服役性能测评。