欢迎来到知嘟嘟! 联系电话:13336804447 卖家免费入驻,海量在线求购! 卖家免费入驻,海量在线求购!
知嘟嘟
我要发布
联系电话:13336804447
知嘟嘟经纪人
收藏
专利号: 2020227920412
申请人: 江苏拓尔精密刀具有限公司
专利类型:实用新型
专利状态:已下证
专利领域: 测量;测试
更新日期:2024-02-23
缴费截止日期: 暂无
价格&联系人
年费信息
委托购买

摘要:

权利要求书:

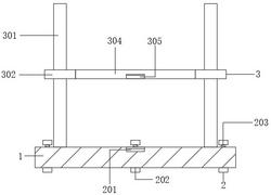
1.一种测量刀具水平精度的投影仪检测设备,包括垫板(1),其特征在于:所述垫板(1)的一端连接有使设备整体保持水平的活动组件(2),所述垫板(1)的一端连接有用于测量待测物体水平度的检测组件(3)。

2.根据权利要求1所述的一种测量刀具水平精度的投影仪检测设备,其特征在于:所述活动组件(2)包括第一透明管(201)、螺孔(202)和升降螺杆(203),所述垫板(1)外壁中心线上端固定连接有第一透明管(201),所述垫板(1)上端面沿中心线对称分布有三组螺孔(202),所述螺孔(202)的内部均连接有升降螺杆(203)。

3.根据权利要求1所述的一种测量刀具水平精度的投影仪检测设备,其特征在于:所述检测组件(3)包括支撑柱(301)、套件(302)、插孔(303)、插孔(303)、压板(304)和第二透明管(305),所述垫板(1)的上表面两端对称固定连接有两组支撑柱(301),所述支撑柱(301)的外壁均插接有套件(302),所述套件(302)上表面均贯穿设置有插孔(303),两组所述套件(302)之间靠近的一端固定连接有压板(304),所述压板(304)外壁中心线下端固定连接有第二透明管(305),所述第二透明管(305)与第一透明管(201)处于同一侧。

4.根据权利要求2所述的一种测量刀具水平精度的投影仪检测设备,其特征在于:所述升降螺杆(203)的尺寸均与螺孔(202)的尺寸相适配,所述升降螺杆(203)的高度大于螺孔(202)内壁的深度,所述第一透明管(201)的内部空间三分之二填充有水,所述第一透明管(201)的内部还填充有三分之一的洁净气体。

5.根据权利要求3所述的一种测量刀具水平精度的投影仪检测设备,其特征在于:所述支撑柱(301)的形状为圆形且支撑柱(301)的尺寸与插孔(303)的尺寸相适配,所述压板(304)的下表面为平整表面,所述第二透明管(305)的内部空间三分之二填充有水,所述第二透明管(305)的内部还填充有三分之一的洁净气体。

6.根据权利要求3所述的一种测量刀具水平精度的投影仪检测设备,其特征在于:两组所述支撑柱(301)靠近的一侧外壁设置有距离刻度,所述压板(304)的外壁顶端边沿同样设置有距离刻度,所述压板(304)外壁的距离刻度与第二透明管(305)处于用一侧,所述压板(304)表面距离刻度的两端延伸至套件(302)的外壁与插孔(303)靠近压板(304)的一侧横向平行。